STP16CPC26XTR LED Sink Driver: Circuit, Pinout, and Datasheet
5V 0.65mm Gold PMIC STP16C 24 Pin 3.3V 24-TSSOP (0.173, 4.40mm Width) Exposed Pad









5V 0.65mm Gold PMIC STP16C 24 Pin 3.3V 24-TSSOP (0.173, 4.40mm Width) Exposed Pad
The STP16CPC26XTR is a 16-bit constant current LED sink driver that is monolithic and low voltage. This article mainly introduces Circuit, Pinout, Datasheet and other detailed information about STMicroelectronics STP16CPC26XTR.
- STP16CPC26XTR Description
- STP16CPC26XTR Pinout
- STP16CPC26XTR CAD Model
- STP16CPC26XTR Features
- Specifications
- Parts with Similar Specs
- STP16CPC26XTR Simplified Internal Block Diagram
- STP16CPC26XTR Typical Application Circuit
- STP16CPC26XTR Equivalent Circuits and Outputs
- STP16CPC26XTR Typical Test Circuits
- STP16CPC26XTR Alternatives
- STP16CPC26XTR Applications
- STP16CPC26XTR Package
- STP16CPC26XTR Manufacturer
- Trend Analysis
- Datasheet PDF
STP16CPC26XTR Description
The STP16CPC26XTR is a 16-bit constant current LED sink driver that is monolithic and low voltage. A 16-bit shift register and data latches are included in the device, which transforms serial input data to parallel output format. In the output stage, sixteen controlled current generators deliver a constant current of 5 mA to 90 mA to drive LEDs. A resistor is used to control the current from the outside.
The OE pin can be used to adjust the LED brightness from 0% to 100%.
The 20 V driving capabilities of the STP16CPC26XTR allow users to connect additional LEDs in series to each current source.
The device's high 30 MHz clock frequency allows for high data rate transmission.
Overtemperature events are protected by the thermal shutdown (170 °C with roughly 15 °C hysteresis).
QSOP24, SO-24, TSSOP-24, and HTSSOP-24 are the four packages available for the STP16CPC26XTR (with exposed pad).
STP16CPC26XTR Pinout
The following figure is STP16CPC26XTR Pinout.

Pinout
| Pin Number | Pin Name | Description |
| 1 | GND | Ground terminal |
| 2 | SDI | Serial data input terminal |
| 3 | CLK | Clock input terminal |
| 4 | LE | Latch input terminal |
| 5-20 | OUT 0-15 | Output terminal |
| 21 | OE | Input terminal of output enable (active low) |
| 22 | SDO | Serial data out terminal |
| 23 | R-EXT | Input terminal for an external resistor for constant current programming |
| 24 | VDD | Supply voltage terminal |
STP16CPC26XTR CAD Model
The following figures are STP16CPC26XTR Symbol, Footprint and 3D Model.

Symbol

Footprint

3D Model
STP16CPC26XTR Features
• 16 Constant Current Output Channels
• Adjustable Output Current Through External Resistor
• Output Current: 5 mA to 90 mA
• ±1% Typical Current Accuracy Bit to Bit
• Max Clock Frequency: 30 MHz
• 20 V Current Generators Rated Voltage
• 3 - 5.5 V Power Supply
• Thermal Shutdown for Overtemperature Protection
Specifications
- TypeParameter
- Lifecycle Status
Lifecycle Status refers to the current stage of an electronic component in its product life cycle, indicating whether it is active, obsolete, or transitioning between these states. An active status means the component is in production and available for purchase. An obsolete status indicates that the component is no longer being manufactured or supported, and manufacturers typically provide a limited time frame for support. Understanding the lifecycle status is crucial for design engineers to ensure continuity and reliability in their projects.
ACTIVE (Last Updated: 7 months ago) - Factory Lead Time16 Weeks
- Contact Plating
Contact plating (finish) provides corrosion protection for base metals and optimizes the mechanical and electrical properties of the contact interfaces.
Gold - Mount
In electronic components, the term "Mount" typically refers to the method or process of physically attaching or fixing a component onto a circuit board or other electronic device. This can involve soldering, adhesive bonding, or other techniques to secure the component in place. The mounting process is crucial for ensuring proper electrical connections and mechanical stability within the electronic system. Different components may have specific mounting requirements based on their size, shape, and function, and manufacturers provide guidelines for proper mounting procedures to ensure optimal performance and reliability of the electronic device.
Surface Mount - Mounting Type
The "Mounting Type" in electronic components refers to the method used to attach or connect a component to a circuit board or other substrate, such as through-hole, surface-mount, or panel mount.
Surface Mount - Package / Case
refers to the protective housing that encases an electronic component, providing mechanical support, electrical connections, and thermal management.
24-TSSOP (0.173, 4.40mm Width) Exposed Pad - Number of Pins24
- SwitchingFrequency30MHz
- Operating Temperature
The operating temperature is the range of ambient temperature within which a power supply, or any other electrical equipment, operate in. This ranges from a minimum operating temperature, to a peak or maximum operating temperature, outside which, the power supply may fail.
-40°C~125°C TA - Packaging
Semiconductor package is a carrier / shell used to contain and cover one or more semiconductor components or integrated circuits. The material of the shell can be metal, plastic, glass or ceramic.
Tape & Reel (TR) - Part Status
Parts can have many statuses as they progress through the configuration, analysis, review, and approval stages.
Active - Moisture Sensitivity Level (MSL)
Moisture Sensitivity Level (MSL) is a standardized rating that indicates the susceptibility of electronic components, particularly semiconductors, to moisture-induced damage during storage and the soldering process, defining the allowable exposure time to ambient conditions before they require special handling or baking to prevent failures
3 (168 Hours) - Number of Terminations24
- ECCN Code
An ECCN (Export Control Classification Number) is an alphanumeric code used by the U.S. Bureau of Industry and Security to identify and categorize electronic components and other dual-use items that may require an export license based on their technical characteristics and potential for military use.
EAR99 - TypeLinear
- Applications
The parameter "Applications" in electronic components refers to the specific uses or functions for which a component is designed. It encompasses various fields such as consumer electronics, industrial automation, telecommunications, automotive, and medical devices. Understanding the applications helps in selecting the right components for a particular design based on performance, reliability, and compatibility requirements. This parameter also guides manufacturers in targeting their products to relevant markets and customer needs.
Lighting - HTS Code
HTS (Harmonized Tariff Schedule) codes are product classification codes between 8-1 digits. The first six digits are an HS code, and the countries of import assign the subsequent digits to provide additional classification. U.S. HTS codes are 1 digits and are administered by the U.S. International Trade Commission.
8542.39.00.01 - Terminal Position
In electronic components, the term "Terminal Position" refers to the physical location of the connection points on the component where external electrical connections can be made. These connection points, known as terminals, are typically used to attach wires, leads, or other components to the main body of the electronic component. The terminal position is important for ensuring proper connectivity and functionality of the component within a circuit. It is often specified in technical datasheets or component specifications to help designers and engineers understand how to properly integrate the component into their circuit designs.
DUAL - Terminal Form
Occurring at or forming the end of a series, succession, or the like; closing; concluding.
GULL WING - Number of Functions1
- Supply Voltage
Supply voltage refers to the electrical potential difference provided to an electronic component or circuit. It is crucial for the proper operation of devices, as it powers their functions and determines performance characteristics. The supply voltage must be within specified limits to ensure reliability and prevent damage to components. Different electronic devices have specific supply voltage requirements, which can vary widely depending on their design and intended application.
3.3V - Terminal Pitch
The center distance from one pole to the next.
0.65mm - Base Part Number
The "Base Part Number" (BPN) in electronic components serves a similar purpose to the "Base Product Number." It refers to the primary identifier for a component that captures the essential characteristics shared by a group of similar components. The BPN provides a fundamental way to reference a family or series of components without specifying all the variations and specific details.
STP16C - Number of Outputs16
- Power Supplies
an electronic circuit that converts the voltage of an alternating current (AC) into a direct current (DC) voltage.?
5V - Max Supply Voltage
In general, the absolute maximum common-mode voltage is VEE-0.3V and VCC+0.3V, but for products without a protection element at the VCC side, voltages up to the absolute maximum rated supply voltage (i.e. VEE+36V) can be supplied, regardless of supply voltage.
5.5V - Min Supply Voltage
The minimum supply voltage (V min ) is explored for sequential logic circuits by statistically simulating the impact of within-die process variations and gate-dielectric soft breakdown on data retention and hold time.
3V - Output Current
The rated output current is the maximum load current that a power supply can provide at a specified ambient temperature. A power supply can never provide more current that it's rated output current unless there is a fault, such as short circuit at the load.
90mA - Max Supply Current
Max Supply Current refers to the maximum amount of electrical current that a component can draw from its power supply under normal operating conditions. It is a critical parameter that ensures the component operates reliably without exceeding its thermal limits or damaging internal circuitry. Exceeding this current can lead to overheating, performance degradation, or failure of the component. Understanding this parameter is essential for designing circuits that provide adequate power while avoiding overload situations.
15.3mA - Voltage - Output
Voltage - Output is a parameter that refers to the electrical potential difference between the output terminal or pin of an electronic component and a reference point, typically ground. It indicates the level of voltage that the component is capable of providing at its output under specified operating conditions. This parameter is crucial in determining the performance and functionality of the component in a circuit, as it directly affects the signal or power being delivered to other components or devices connected to the output. Engineers and designers use the voltage output specification to ensure compatibility and proper functioning of the component within the overall system.
20V - Topology
In the context of electronic components, "topology" refers to the arrangement or configuration of the components within a circuit or system. It defines how the components are connected to each other and how signals flow between them. The choice of topology can significantly impact the performance, efficiency, and functionality of the electronic system. Common topologies include series, parallel, star, mesh, and hybrid configurations, each with its own advantages and limitations. Designers carefully select the appropriate topology based on the specific requirements of the circuit to achieve the desired performance and functionality.
Shift Register - Output Current per Channel
Output Current per Channel is a specification commonly found in electronic components such as amplifiers, audio interfaces, and power supplies. It refers to the maximum amount of electrical current that can be delivered by each individual output channel of the component. This parameter is important because it determines the capacity of the component to drive connected devices or loads. A higher output current per channel means the component can deliver more power to connected devices, while a lower output current may limit the performance or functionality of the component in certain applications. It is crucial to consider the output current per channel when selecting electronic components to ensure they can meet the power requirements of the intended system or setup.
90mA - Internal Switch(s)
The term "Internal Switch(s)" in electronic components typically refers to a built-in mechanism within a device that allows for the control of electrical current flow. These internal switches can be used to turn circuits on or off, change the direction of current, or regulate the flow of electricity within the component. They are often designed to be controlled externally, either manually or automatically, to enable various functions or operations within the electronic device. Internal switches play a crucial role in the overall functionality and performance of electronic components by providing a means to manage and manipulate electrical signals effectively.
Yes - Dimming
Dimming is a feature in electronic components, such as LED lights or display screens, that allows the user to adjust the brightness level of the device. It is a method of controlling the amount of light output by the component, typically by varying the voltage or current supplied to it. Dimming can be achieved through various techniques, such as pulse-width modulation (PWM) or analog dimming. This feature is commonly used to save energy, create ambiance, or enhance visual comfort in different applications.
Analog - Number of Segments16
- Max Junction Temperature (Tj)
Max Junction Temperature (Tj) refers to the maximum allowable temperature at the junction of a semiconductor device, such as a transistor or integrated circuit. It is a critical parameter that influences the performance, reliability, and lifespan of the component. Exceeding this temperature can lead to thermal runaway, breakdown, or permanent damage to the device. Proper thermal management is essential to ensure the junction temperature remains within safe operating limits during device operation.
170°C - Voltage - Supply (Min)
Voltage - Supply (Min) is a parameter in electronic components that specifies the minimum voltage required for the component to operate within its specified performance range. This parameter indicates the lowest voltage level that can be safely applied to the component without causing malfunctions or damage. It is crucial to ensure that the supply voltage provided to the component is equal to or higher than the specified minimum voltage to guarantee proper functionality and reliability. Failure to meet this requirement may result in erratic behavior, reduced performance, or even permanent damage to the component.
3V - Multiplexed Display Capability
Multiplexed Display Capability refers to the ability of an electronic component or system to control multiple display elements using fewer input/output lines. This is achieved by rapidly switching between different displays or segments, allowing for efficient communication and reduced wiring complexity. In multiplexed systems, each display is activated sequentially, creating the illusion of simultaneous display to the user. This capability is commonly utilized in devices like LED matrices and LCD screens to enhance functionality while conserving space and resources.
NO - Display Mode
Display Mode in electronic components refers to the specific way in which information or data is presented on a display screen or panel. This parameter determines how the content is shown to the user, such as through text, graphics, images, or a combination of these elements. The display mode can also include characteristics like resolution, color depth, refresh rate, and aspect ratio, which all contribute to the overall visual experience. Different electronic devices and components may offer various display modes to cater to different user preferences and requirements.
SEGMENT - Ambient Temperature Range High
This varies from person to person, but it is somewhere between 68 and 77 degrees F on average. The temperature setting that is comfortable for an individual may fluctuate with humidity and outside temperature as well. The temperature of an air conditioned room can also be considered ambient temperature.
125°C - Data Input Mode
Data Input Mode in electronic components refers to the specific method or protocol used to input data into the component. This parameter determines how data is received and processed by the component, whether it be through serial communication, parallel communication, or other interfaces. The data input mode is crucial for ensuring compatibility and proper functioning of the component within a larger electronic system. Understanding and configuring the data input mode correctly is essential for effective data transfer and communication between different components in a circuit or system.
SERIAL - Height1.2mm
- Length7.8mm
- Width4.4mm
- Radiation Hardening
Radiation hardening is the process of making electronic components and circuits resistant to damage or malfunction caused by high levels of ionizing radiation, especially for environments in outer space (especially beyond the low Earth orbit), around nuclear reactors and particle accelerators, or during nuclear accidents or nuclear warfare.
No - RoHS Status
RoHS means “Restriction of Certain Hazardous Substances” in the “Hazardous Substances Directive” in electrical and electronic equipment.
ROHS3 Compliant - Lead Free
Lead Free is a term used to describe electronic components that do not contain lead as part of their composition. Lead is a toxic material that can have harmful effects on human health and the environment, so the electronics industry has been moving towards lead-free components to reduce these risks. Lead-free components are typically made using alternative materials such as silver, copper, and tin. Manufacturers must comply with regulations such as the Restriction of Hazardous Substances (RoHS) directive to ensure that their products are lead-free and environmentally friendly.
Lead Free
Parts with Similar Specs
- ImagePart NumberManufacturerPackage / CaseNumber of PinsNumber of OutputsOutput CurrentVoltage - OutputMax Supply VoltageInternal Switch(s)HTS CodeView Compare
STP16CPC26XTR
24-TSSOP (0.173, 4.40mm Width) Exposed Pad
24
16
90 mA
20V
5.5 V
Yes
8542.39.00.01
24-TSSOP (0.173, 4.40mm Width)
24
16
45 mA
17V
5.5 V
Yes
8542.39.00.01
24-TSSOP (0.173, 4.40mm Width)
24
16
35 mA
17V
5.5 V
Yes
8542.39.00.01
24-TSSOP (0.173, 4.40mm Width)
24
16
34 mA
17V
5.5 V
Yes
8542.39.00.01
STP16CPC26XTR Simplified Internal Block Diagram
The following figure is STP16CPC26XTR Simplified Internal Block Diagram.

Simplified Internal Block Diagram
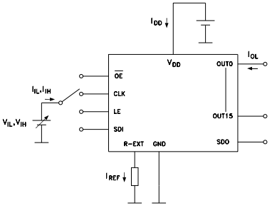
STP16CPC26XTR Typical Application Circuit
The following figure is STP16CPC26XTR Typical Application Circuit.

Typical Application Circuit
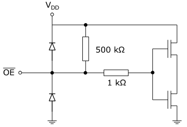
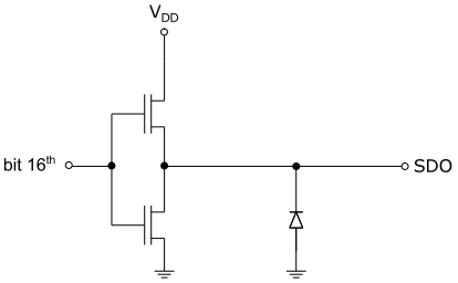
STP16CPC26XTR Equivalent Circuits and Outputs
The following figures are showing STP16CPC26XTR Equivalent Circuits and Outputs.

OE Terminal

LE Terminal

CLK, SDI Terminal

SDO Terminal
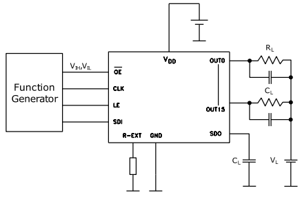
STP16CPC26XTR Typical Test Circuits
The figures "Typical test circuit for electrical characteristics" and "Typical test circuit for switching characteristics" show the typical test circuits for electrical (e.g. input voltage high/low level, output leakage current, supply current, etc.) and switching (propagation delays, set-up and hold time, rise and fall time of VOUT, etc.) characteristics. In the figure "Typical test circuit for electrical characteristics," the parallel connection of a resistor RL and a capacitor CL to each output simulates LED activity.

Typical Test Circuit for Electrical Characteristics

Typical Test Circuit for Switching Characteristics
STP16CPC26XTR Alternatives
| Part Number | Description | Manufacturer |
| STP16CPC05PTRDRIVERS AND INTERFACES | Low voltage 16 - bit constant current LED sink driver | STMicroelectronics |
| STP16CP05PTRDRIVERS AND INTERFACES | Low-voltage 16-bit constant current LED sink driver | STMicroelectronics |
| TLC5926IPWPRDRIVERS AND INTERFACES | 16-bit constant-current LED sink driver 24-HTSSOP -40 to 125 | Texas Instruments |
| TLC5926IPWPRG4DRIVERS AND INTERFACES | 16-bit constant-current LED sink driver 24-HTSSOP -40 to 125 | Texas Instruments |
| STP16CPC26PTRDRIVERS AND INTERFACES | Low voltage 16-bit constant current LED sink driver | STMicroelectronics |
| STP16CPC05XTTRDRIVERS AND INTERFACES | Low voltage 16 - bit constant current LED sink driver | STMicroelectronics |
STP16CPC26XTR Applications
• Video Display Panel LED Driver
• Special Lighting
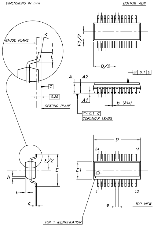
STP16CPC26XTR Package
The following figure is STP16CPC26XTR Package.


Package
STP16CPC26XTR Manufacturer
STMicroelectronics, headquartered in Plan-les-Ouates, Switzerland, near Geneva, is a multinational electronics and semiconductors firm. The company was created in 1987 by the merger of two government-owned semiconductor companies: "Thomson Semiconductors" in France and "SGS Microelettronica" in Italy. It is known as "ST" and is the most profitable semiconductor chip producer in Europe. While the corporate headquarters and EMEA regional offices of STMicroelectronics are in Geneva, the holding company, STMicroelectronics N.V., is based in the Netherlands.
Trend Analysis
Datasheet PDF
- Datasheets :
What are included in the STP16CPC26XTR?
A 16-bit shift register and data latches.
What is the LED brightness of the STP16CPC26XTR?
0% to 100%.
What protects overtemperature events?
Thermal shutdown.
What is used to control the current from the outside?
It is the resistor.
What is the 16-bit constant current LED sink driver?
STP16CPC26XTR LED Sink Driver.
AD598 LVDT Signal Conditioning: Complete Setup & Calibration Guide05 July 20251060
STP55NF06 Power MOSFET: Pinout, Datasheet, Equivalent12 January 20226860
ATtiny4313 Microcontroller: Pinout, Datasheet, Block Diagram26 October 20211488
BTS7960 PN Half Bridge: Pinout, Datasheet and Schematic13 July 202114362
MJE2955T PNP Transistor: Pinout, Datasheet, Uses21 April 20225725
VL53L0X LIDAR Distance Sensor: Pinout, Datasheet, and Applications11 September 20213189
ICL7660CPAZ Super Voltage Converter: Equivalents, Pinout, and Datasheet16 August 20245311
N76E003AT20 Microcontroller: Pinout, Datasheet and Programming27 October 202111547
Japan's Three-Stage Strategy to Revive the Semiconductor Industry01 April 20227548
Capacitor Basic: How do Capacitors Work?18 April 202515122
Samsung: 3nm Yield Rate of 20%19 April 20224811
Shenzhen: This Year Will Focus on Promoting SMIC and CR Micro 12-inch Project13 April 20226297
What is a Gyroscope Sensor?11 September 202017527
PMIC - Gate Drivers: A Purpose-Built Integrated Circuit22 February 20233052
Analysis of Wide Bandgap Devices in Renewable Energy Systems11 April 20234678
Everything You Need to Know About Fuse Resistors30 July 20252182
STMicroelectronics
In Stock: 15000
United States
China
Canada
Japan
Russia
Germany
United Kingdom
Singapore
Italy
Hong Kong(China)
Taiwan(China)
France
Korea
Mexico
Netherlands
Malaysia
Austria
Spain
Switzerland
Poland
Thailand
Vietnam
India
United Arab Emirates
Afghanistan
Åland Islands
Albania
Algeria
American Samoa
Andorra
Angola
Anguilla
Antigua & Barbuda
Argentina
Armenia
Aruba
Australia
Azerbaijan
Bahamas
Bahrain
Bangladesh
Barbados
Belarus
Belgium
Belize
Benin
Bermuda
Bhutan
Bolivia
Bonaire, Sint Eustatius and Saba
Bosnia & Herzegovina
Botswana
Brazil
British Indian Ocean Territory
British Virgin Islands
Brunei
Bulgaria
Burkina Faso
Burundi
Cabo Verde
Cambodia
Cameroon
Cayman Islands
Central African Republic
Chad
Chile
Christmas Island
Cocos (Keeling) Islands
Colombia
Comoros
Congo
Congo (DRC)
Cook Islands
Costa Rica
Côte d’Ivoire
Croatia
Cuba
Curaçao
Cyprus
Czechia
Denmark
Djibouti
Dominica
Dominican Republic
Ecuador
Egypt
El Salvador
Equatorial Guinea
Eritrea
Estonia
Eswatini
Ethiopia
Falkland Islands
Faroe Islands
Fiji
Finland
French Guiana
French Polynesia
Gabon
Gambia
Georgia
Ghana
Gibraltar
Greece
Greenland
Grenada
Guadeloupe
Guam
Guatemala
Guernsey
Guinea
Guinea-Bissau
Guyana
Haiti
Honduras
Hungary
Iceland
Indonesia
Iran
Iraq
Ireland
Isle of Man
Israel
Jamaica
Jersey
Jordan
Kazakhstan
Kenya
Kiribati
Kosovo
Kuwait
Kyrgyzstan
Laos
Latvia
Lebanon
Lesotho
Liberia
Libya
Liechtenstein
Lithuania
Luxembourg
Macao(China)
Madagascar
Malawi
Maldives
Mali
Malta
Marshall Islands
Martinique
Mauritania
Mauritius
Mayotte
Micronesia
Moldova
Monaco
Mongolia
Montenegro
Montserrat
Morocco
Mozambique
Myanmar
Namibia
Nauru
Nepal
New Caledonia
New Zealand
Nicaragua
Niger
Nigeria
Niue
Norfolk Island
North Korea
North Macedonia
Northern Mariana Islands
Norway
Oman
Pakistan
Palau
Palestinian Authority
Panama
Papua New Guinea
Paraguay
Peru
Philippines
Pitcairn Islands
Portugal
Puerto Rico
Qatar
Réunion
Romania
Rwanda
Samoa
San Marino
São Tomé & Príncipe
Saudi Arabia
Senegal
Serbia
Seychelles
Sierra Leone
Sint Maarten
Slovakia
Slovenia
Solomon Islands
Somalia
South Africa
South Sudan
Sri Lanka
St Helena, Ascension, Tristan da Cunha
St. Barthélemy
St. Kitts & Nevis
St. Lucia
St. Martin
St. Pierre & Miquelon
St. Vincent & Grenadines
Sudan
Suriname
Svalbard & Jan Mayen
Sweden
Syria
Tajikistan
Tanzania
Timor-Leste
Togo
Tokelau
Tonga
Trinidad & Tobago
Tunisia
Turkey
Turkmenistan
Turks & Caicos Islands
Tuvalu
U.S. Outlying Islands
U.S. Virgin Islands
Uganda
Ukraine
Uruguay
Uzbekistan
Vanuatu
Vatican City
Venezuela
Wallis & Futuna
Yemen
Zambia
Zimbabwe


Product
Brand
Articles
Tools







