TMC5160 vs. TMC2209: How to Differentiate?
Motor Drivers
The TMC2209 is an ultra-silent motor driver IC for two-phase stepper motors. The TMC5160 is a high-power stepper motor controller and driver IC with serial communication interfaces. This post will unlock the difference between TMC5160 and TMC2209, including their datasheet, pinout, feature, application and more angles from them.

TMC2209 and TMC 5160: Guide for MKS Gen L and SKR V1.3
TMC5160 vs. TMC2209 Pinout

TMC5160 Pinout vs. TMC2209 Pinout
TMC5160 vs. TMC2209 Overview
The TMC2209 is an ultra-silent motor driver IC for two-phase stepper motors. TMC2209 pinning is compatible with a number of legacy drivers as well as with the TMC2208.
The TMC5160 is a high-power stepper motor controller and driver IC with serial communication interfaces. It
combines a flexible ramp generator for automatic target positioning with the industry's most advanced stepper motor
driver. Using external transistors, highly dynamic, high torque drives can be realized.
They are based on TRINAMICs sophisticated SpreadCycle and StealthChop choppers, the drivers ensure absolutely noiseless operation combined with maximum efficiency and best motor torque.
TMC5160 vs. TMC2209 Feature
TMC5160 Feature &Benifit
2-phase stepper motors from 1 to several 10A coil current
Motion Controller with SixPoint™ ramp
Step/Dir Interface with micro-step interpolation MicroPlyer™
Voltage Range 8 … 60V DC
SPI & Single Wire UART
Encoder Interface and 2x Ref.-Switch Input
The highest Resolution is 256 micro-steps per full step
StealthChop2™ for quiet operation and smooth motion
Resonance Dampening for mid-range resonances
SpreadCycle™ highly dynamic motor control chopper
DcStep™ load-dependent speed control
StallGuard2™ high precision sensorless motor load detection
CoolStep™'s current control for energy savings of up to 75%
Passive Braking and freewheeling mode
Full Protection & Diagnostics
Compact Size 7x7mm2 (body) TQFP48 package / 8x8mm² QFN
TMC2209 Feature &Benifit
2-phase stepper motors up to 2.8A coil current (peak), 2A RMS
STEP/DIR Interface with 8, 16, 32 or 64 micro steps pin setting
Smooth Running 256 micro steps by MicroPlyer™ interpolation
StealthChop2™ silent motor operation
SpreadCycle™ highly dynamic motor control chopper
StallGuard4™ load and stall detection for StealthChop
CoolStep™'s current control for energy savings of up to 75%
Low RDSon, Low Heat-Up LS 170mΩ & HS 170mΩ (Typ. at 25°C)
Voltage Range 4.75… 29V DC
Low Power Standby to fit standby energy regulations
Internal Sense Resistor option (no sense resistors required)
Passive Braking, Freewheeling, and automatic power down
Single Wire UART & OTP for advanced configuration options
Integrated Pulse Generator for standalone motion
Full Protection & Diagnostics
Compact QFN package with a large heat slug
TMC5160 vs. TMC2209 Block Diagram

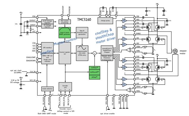
TMC5160 Block Diagram
The TMC5160 scores with complete motion controlling features, powerful external MOSFET driver stages, and high-quality current regulation. It offers a versatility that covers a wide spectrum of applications from battery powered high efficiency systems up to embedded applications with 10A or more motor current per coil. The TMC5160 contains the complete intelligence which is required to drive a motor. Receiving target positions, the TMC5160 manages motor movement. Based on TRINAMICs unique features StallGuard2, CoolStep, DcStep, SpreadCycle, and StealthChop, it optimizes drive performance.

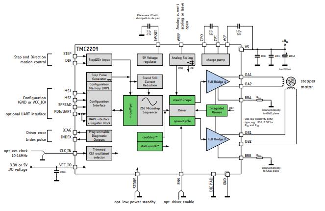
TMC2209 Block Diagram
The TMC2209 covers a wide spectrum of applications from battery systems to embedded applications with up to 2A motor current per coil. TRINAMICs unique chopper modes SpreadCycle and StealthChop2 optimize drive performance. StealthChop reduces motor noise to the point of silence at low velocities. Standby current reduction keeps costs for power dissipation and cooling down. Extensive support enables rapid design cycles and fast time-to-market with competitive products.
TMC5160 vs. TMC2209 Application
TMC5160 Application
Robotics & Industrial Drives
Textile, Sewing Machines
Packing Machines
Factory & Lab Automation
High-speed 3D Printers
Liquid Handling
Medical
Office Automation
CCTV
ATM, Cash Recycler
Pumps and Valves
TMC2209 Application
Compatible Design Upgrade
3D Printers
Printers, POS Office and home automation
Textile, Sewing Machines
CCTV, Security
ATM, Cash recycler
HVAC
Battery Operated Equipment
TMC5160 vs. TMC2209 Application Circuit

TMC5160 Application Circuit
The TMC5160 motion controller and driver chip is an intelligent power component interfacing between the CPU and a high-power stepper motor. All stepper motor logic is completely within the TMC5160. No software is required to control the motor – just provide target positions. The TMC5160 offers several unique enhancements which are enabled by the system-on-chip integration of driver and controller.
The six-point ramp generator of the TMC5160 uses StealthChop, DcStep, CoolStep, and StallGuard2 automatically to optimize every motor movement. The TMC5160 ideally extends the TMC2100, TMC2130 and TMC5130 family to higher voltages and higher motor currents.

TMC2209 Application Circuit
The TMC2209 requires just a few control pins on its tiny package. It allows the selection of the most important setting: the desired micro step resolution. A choice of 8, 16, 32 or 64 micro-steps, or from full-step up to 1/256 step adapts the driver to the capabilities of the motion controller.
They implement advanced features which are exclusive to TRINAMIC products. These features contribute to greater precision, greater energy efficiency, higher reliability, smoother motion, and cooler operation in many stepper motor applications.
TMC5160 vs. TMC2209 Conclusion
The TMC22xx and TMC516x drivers have a superior stealth chip mode (stealthChop2) that performs better at greater accelerations.
When the TMC2209 driver is connected to the mainboard via UART, it has a few more features that can be utilized for motor current settings via software or sensorless homing.
When the TMC5160 driver is connected to the mainboard through SPI, it has a few more functionalities that can be utilized for motor current adjustment via software or sensorless homing.
If the power-up/down sequences for SilentStepSticks with variable logic voltage (3-5V) cannot be guaranteed, the SilentStepStick Protector is strongly recommended.
Parts with Similar Specs
What is the TMC2209?
Ultra-silent motor driver IC.
What is a TMC5160?
High-power stepper motor controller.
What is completely within the TMC5160?
All stepper motor logic.
What is the TMC5160s unique enhancements enabled by?
System-on-chip integration.
What is the most important setting on the TMC2209?
The desired micro-step resolution.
How to cool the SilentStepSticks?
TMC2209: A small heat sink on the top PCB side can handle currents up to 1A RMS. Use a heat sink that nearly fills the top PCB side and a cooling fan for greater currents.TMC5160: A decent air circulation is sufficient for currents up to 2A RMS, but a cooling fan is required for greater currents. External MOSFETs and shunt resistors on the TMC5160 must be cooled.
MAX31865 Converter: Datasheet, Pinout and Benefits19 July 20215614
MT8870 DTMF Receiver: Pin Description, Price and Datasheet16 August 20214185
CS124 SSR RELAY SPST-NO 3.5A 0-40V: Datasheet, Features and Equivalents11 January 2022322
74HC259 8-Bit Addressable Latch : Pinout, Application and Datasheet08 July 20213277
rj11 vs rj45: What’s the difference?30 March 20224861
TL06xx Series (TL064) 200µA Low-Power JFET Op-Amp: Specs, Pinout, and Design Analysis28 February 202653
MCP9808 Temperature Sensor: Datasheet, Pinout and Schematic20 August 20214945
VO1400AEFTR:60v,pinout, datasheet and circuit16 March 2022513
What is Metaverse?09 October 20212814
What is the Difference between an Integrated Circuit and a Chip16 January 202617349
Three-Level Integration of Circuits05 May 20223602
An Overview of Development Board18 December 202515076
ON Semiconductor's Transformation and SiC Rollout Positions it for High-Growth Opportunities25 September 20231944
Tech Giants Accelerate In-House Semiconductor Design, Threatening Fabless Chipmakers27 September 20233358
VSC Light Meaning, Causes, and Step-by-Step Diagnostics19 May 2026105
Stanford Engineer Sheds Light on Semiconductors: Their Importance, Challenges, and Future22 September 20231932
Trinamic Motion Control GmbH
In Stock
United States
China
Canada
Japan
Russia
Germany
United Kingdom
Singapore
Italy
Hong Kong(China)
Taiwan(China)
France
Korea
Mexico
Netherlands
Malaysia
Austria
Spain
Switzerland
Poland
Thailand
Vietnam
India
United Arab Emirates
Afghanistan
Åland Islands
Albania
Algeria
American Samoa
Andorra
Angola
Anguilla
Antigua & Barbuda
Argentina
Armenia
Aruba
Australia
Azerbaijan
Bahamas
Bahrain
Bangladesh
Barbados
Belarus
Belgium
Belize
Benin
Bermuda
Bhutan
Bolivia
Bonaire, Sint Eustatius and Saba
Bosnia & Herzegovina
Botswana
Brazil
British Indian Ocean Territory
British Virgin Islands
Brunei
Bulgaria
Burkina Faso
Burundi
Cabo Verde
Cambodia
Cameroon
Cayman Islands
Central African Republic
Chad
Chile
Christmas Island
Cocos (Keeling) Islands
Colombia
Comoros
Congo
Congo (DRC)
Cook Islands
Costa Rica
Côte d’Ivoire
Croatia
Cuba
Curaçao
Cyprus
Czechia
Denmark
Djibouti
Dominica
Dominican Republic
Ecuador
Egypt
El Salvador
Equatorial Guinea
Eritrea
Estonia
Eswatini
Ethiopia
Falkland Islands
Faroe Islands
Fiji
Finland
French Guiana
French Polynesia
Gabon
Gambia
Georgia
Ghana
Gibraltar
Greece
Greenland
Grenada
Guadeloupe
Guam
Guatemala
Guernsey
Guinea
Guinea-Bissau
Guyana
Haiti
Honduras
Hungary
Iceland
Indonesia
Iran
Iraq
Ireland
Isle of Man
Israel
Jamaica
Jersey
Jordan
Kazakhstan
Kenya
Kiribati
Kosovo
Kuwait
Kyrgyzstan
Laos
Latvia
Lebanon
Lesotho
Liberia
Libya
Liechtenstein
Lithuania
Luxembourg
Macao(China)
Madagascar
Malawi
Maldives
Mali
Malta
Marshall Islands
Martinique
Mauritania
Mauritius
Mayotte
Micronesia
Moldova
Monaco
Mongolia
Montenegro
Montserrat
Morocco
Mozambique
Myanmar
Namibia
Nauru
Nepal
New Caledonia
New Zealand
Nicaragua
Niger
Nigeria
Niue
Norfolk Island
North Korea
North Macedonia
Northern Mariana Islands
Norway
Oman
Pakistan
Palau
Palestinian Authority
Panama
Papua New Guinea
Paraguay
Peru
Philippines
Pitcairn Islands
Portugal
Puerto Rico
Qatar
Réunion
Romania
Rwanda
Samoa
San Marino
São Tomé & Príncipe
Saudi Arabia
Senegal
Serbia
Seychelles
Sierra Leone
Sint Maarten
Slovakia
Slovenia
Solomon Islands
Somalia
South Africa
South Sudan
Sri Lanka
St Helena, Ascension, Tristan da Cunha
St. Barthélemy
St. Kitts & Nevis
St. Lucia
St. Martin
St. Pierre & Miquelon
St. Vincent & Grenadines
Sudan
Suriname
Svalbard & Jan Mayen
Sweden
Syria
Tajikistan
Tanzania
Timor-Leste
Togo
Tokelau
Tonga
Trinidad & Tobago
Tunisia
Turkey
Turkmenistan
Turks & Caicos Islands
Tuvalu
U.S. Outlying Islands
U.S. Virgin Islands
Uganda
Ukraine
Uruguay
Uzbekistan
Vanuatu
Vatican City
Venezuela
Wallis & Futuna
Yemen
Zambia
Zimbabwe


Product
Brand
Articles
Tools














