TTA1943 VS. 2SA1943 How to Differentiate?
Toshiba Semiconductor and Storage
Trans GP BJT PNP 230V 15A 3-Pin(3 Tab) TO-3PL
Unit Price: $1.375814
Ext Price: $1.38









Trans GP BJT PNP 230V 15A 3-Pin(3 Tab) TO-3PL
TTA1943 PNP power Transistor is the newer and better version of the famous 2SA1943 power transistor. This post will unlock the difference between TTA1943 and 2SA1943 from many angles such as pinout, applications, features, datasheet and more details.
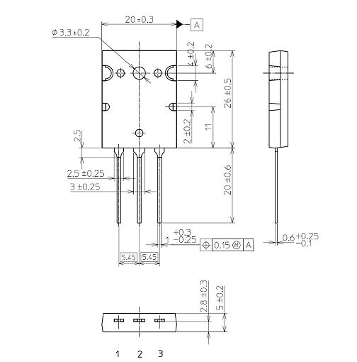
TTA1943 VS. 2SA1943 Pinout

TTA1943 VS. 2SA1943 Pinout
The pinout of both transistors is similar; starting from left: Base, Collector, and Emitter.
Overview
The TTA1943 PNP power transistor is a newer and improved variant of the well-known 2SA1943 power transistor. This means that it has replaced a considerably more expensive power transistor found in electrical products such as televisions and audio amplifiers in terms of quality.
TTA1943 is a PNP power transistor that is commonly found in audio frequency amplifiers and high-power audio systems. It was created by TOSHIBA in JAPAN and quickly became a popular power transistor. The TTS2500 NPN power transistor is its counterpart transistor.
TTA1943 VS. 2SA1943 Main Difference
Parts | TTA1943 | 2SA1943 |
Cost | Cheaper | More expensive |
Packaging | TO-3P | TO-264 |
Manufacturer | Toshiba(Japan) | Anyone from Japan & China |
DC Current Gain(Min.) | 80 | 55 |
Collector O/P Capacitance | 240 pF | 360 pF |
TTA1943 and 2SA1943 differ primarily in DC current gain and collector output capacitance. TTA1943 and 2SA1943 have minimal hFEs of 80 and 55, respectively. TTA1943 and 2SA1943 have COBs of 240 pF and 360 pF, respectively.
TTA1943 VS. 2SA1943 Applications
TTA1943 Applications
Switch-mode power supplies (SMPS)
Relays
Used with its complementary transistor in a push-pull configuration
Power supply
Switching a load of high current rating
Power amplifiers
Inverters
Converters
Power control circuits
DC to AC converters
2SA1943 Applications
High-Fidelity Audio Output Amplifier
General Purpose Power Amplifier
TTA1943 VS. 2SA1943 Package

TTA1943 Package

2SA1943 Package
It comes only in TO-3P packages whereas 2SA1943 comes in TO-3P and TO-264 packages.
Specifications
- TypeParameter
- Factory Lead Time16 Weeks
- Mount
In electronic components, the term "Mount" typically refers to the method or process of physically attaching or fixing a component onto a circuit board or other electronic device. This can involve soldering, adhesive bonding, or other techniques to secure the component in place. The mounting process is crucial for ensuring proper electrical connections and mechanical stability within the electronic system. Different components may have specific mounting requirements based on their size, shape, and function, and manufacturers provide guidelines for proper mounting procedures to ensure optimal performance and reliability of the electronic device.
Through Hole - Mounting Type
The "Mounting Type" in electronic components refers to the method used to attach or connect a component to a circuit board or other substrate, such as through-hole, surface-mount, or panel mount.
Through Hole - Package / Case
refers to the protective housing that encases an electronic component, providing mechanical support, electrical connections, and thermal management.
TO-3PL - Number of Pins3
- Collector-Emitter Breakdown Voltage230V
- Collector-Emitter Saturation Voltage-3V
- Number of Elements1
- hFEMin80
- Operating Temperature
The operating temperature is the range of ambient temperature within which a power supply, or any other electrical equipment, operate in. This ranges from a minimum operating temperature, to a peak or maximum operating temperature, outside which, the power supply may fail.
150°C TJ - Packaging
Semiconductor package is a carrier / shell used to contain and cover one or more semiconductor components or integrated circuits. The material of the shell can be metal, plastic, glass or ceramic.
Tube - Published2009
- Part Status
Parts can have many statuses as they progress through the configuration, analysis, review, and approval stages.
Active - Moisture Sensitivity Level (MSL)
Moisture Sensitivity Level (MSL) is a standardized rating that indicates the susceptibility of electronic components, particularly semiconductors, to moisture-induced damage during storage and the soldering process, defining the allowable exposure time to ambient conditions before they require special handling or baking to prevent failures
1 (Unlimited) - Max Power Dissipation
The maximum power that the MOSFET can dissipate continuously under the specified thermal conditions.
150W - Frequency
In electronic components, the parameter "Frequency" refers to the rate at which a signal oscillates or cycles within a given period of time. It is typically measured in Hertz (Hz) and represents how many times a signal completes a full cycle in one second. Frequency is a crucial aspect in electronic components as it determines the behavior and performance of various devices such as oscillators, filters, and communication systems. Understanding the frequency characteristics of components is essential for designing and analyzing electronic circuits to ensure proper functionality and compatibility with other components in a system.
30MHz - Element Configuration
The distribution of electrons of an atom or molecule (or other physical structure) in atomic or molecular orbitals.
Single - Power Dissipation
the process by which an electronic or electrical device produces heat (energy loss or waste) as an undesirable derivative of its primary action.
150W - Gain Bandwidth Product
The gain–bandwidth product (designated as GBWP, GBW, GBP, or GB) for an amplifier is the product of the amplifier's bandwidth and the gain at which the bandwidth is measured.
30MHz - Transistor Type
Transistor type refers to the classification of transistors based on their operation and construction. The two primary types are bipolar junction transistors (BJTs) and field-effect transistors (FETs). BJTs use current to control the flow of current, while FETs utilize voltage to control current flow. Each type has its own subtypes, such as NPN and PNP for BJTs, and MOSFETs and JFETs for FETs, impacting their applications and characteristics in electronic circuits.
PNP - Collector Emitter Voltage (VCEO)
Collector-Emitter Voltage (VCEO) is a key parameter in electronic components, particularly in transistors. It refers to the maximum voltage that can be applied between the collector and emitter terminals of a transistor while the base terminal is open or not conducting. Exceeding this voltage limit can lead to breakdown and potential damage to the transistor. VCEO is crucial for ensuring the safe and reliable operation of the transistor within its specified limits. Designers must carefully consider VCEO when selecting transistors for a circuit to prevent overvoltage conditions that could compromise the performance and longevity of the component.
230V - Max Collector Current
Max Collector Current is a parameter used to specify the maximum amount of current that can safely flow through the collector terminal of a transistor or other electronic component without causing damage. It is typically expressed in units of amperes (A) and is an important consideration when designing circuits to ensure that the component operates within its safe operating limits. Exceeding the specified max collector current can lead to overheating, degradation of performance, or even permanent damage to the component. Designers must carefully consider this parameter when selecting components and designing circuits to ensure reliable and safe operation.
15A - DC Current Gain (hFE) (Min) @ Ic, Vce
The parameter "DC Current Gain (hFE) (Min) @ Ic, Vce" in electronic components refers to the minimum value of the DC current gain, denoted as hFE, under specific operating conditions of collector current (Ic) and collector-emitter voltage (Vce). The DC current gain hFE represents the ratio of the collector current to the base current in a bipolar junction transistor (BJT), indicating the amplification capability of the transistor. The minimum hFE value at a given Ic and Vce helps determine the transistor's performance and efficiency in amplifying signals within a circuit. Designers use this parameter to ensure proper transistor selection and performance in various electronic applications.
80 @ 1A 5V - Current - Collector Cutoff (Max)
The parameter "Current - Collector Cutoff (Max)" refers to the maximum current at which a transistor or other electronic component will cease to conduct current between the collector and emitter terminals. This parameter is important in determining the maximum current that can flow through the component when it is in the cutoff state. Exceeding this maximum cutoff current can lead to malfunction or damage of the component. It is typically specified in the component's datasheet and is crucial for proper circuit design and operation.
5μA ICBO - Vce Saturation (Max) @ Ib, Ic
The parameter "Vce Saturation (Max) @ Ib, Ic" in electronic components refers to the maximum voltage drop across the collector-emitter junction when the transistor is in saturation mode. This parameter is specified at a certain base current (Ib) and collector current (Ic) levels. It indicates the minimum voltage required to keep the transistor fully conducting in saturation mode, ensuring that the transistor operates efficiently and does not enter the cutoff region. Designers use this parameter to ensure proper transistor operation and to prevent overheating or damage to the component.
3V @ 800mA, 8A - Collector Base Voltage (VCBO)
Collector Base Voltage (VCBO) is the maximum allowable voltage that can be applied between the collector and base terminals of a bipolar junction transistor when the emitter is open. It is a critical parameter that determines the voltage rating of the transistor and helps prevent breakdown in the collector-base junction. Exceeding this voltage can lead to permanent damage or failure of the component.
230V - Emitter Base Voltage (VEBO)
Emitter Base Voltage (VEBO) is a parameter used in electronic components, particularly in transistors. It refers to the maximum voltage that can be applied between the emitter and base terminals of a transistor without causing damage to the device. Exceeding this voltage limit can lead to breakdown of the transistor and potential failure. VEBO is an important specification to consider when designing circuits to ensure the proper operation and reliability of the components. It is typically provided in the datasheet of the transistor and should be carefully observed to prevent any potential damage during operation.
-5V - Height26mm
- Length20.5mm
- Width5.2mm
- Radiation Hardening
Radiation hardening is the process of making electronic components and circuits resistant to damage or malfunction caused by high levels of ionizing radiation, especially for environments in outer space (especially beyond the low Earth orbit), around nuclear reactors and particle accelerators, or during nuclear accidents or nuclear warfare.
No - RoHS Status
RoHS means “Restriction of Certain Hazardous Substances” in the “Hazardous Substances Directive” in electrical and electronic equipment.
RoHS Compliant
Parts with Similar Specs
- ImagePart NumberManufacturerMountPackage / CaseCollector Emitter Breakdown VoltageMax Collector CurrentCollector Emitter Saturation VoltagehFE MinMax Power DissipationPower DissipationView Compare
TTA1943(Q)
Through Hole
TO-3PL
230 V
15 A
-3 V
80
150 W
150 W
Through Hole
TO-264-5
260 V
15 A
-
75
180 W
180 W
Through Hole
TO-247-3
260 V
15 A
-
75
150 W
150 W
Through Hole
TO-264-3, TO-264AA
260 V
15 A
-
75
180 W
180 W
Through Hole
TO-3P-3, SC-65-3
230 V
15 A
-1.1 V
35
150 W
-
TTA1943 VS. 2SA1943 Datasheet
TTA1943 VS. 2SA1943 Conclusion
The newer and superior 2SA1943 power transistor is the TOSHIBA TTA1943. The TT device is more affordable than its predecessor and has better specifications. It also comes in a TO-3P package. When selecting whether or not to buy, it's unquestionably the finest option out of the two! The new TT transistors are exceptionally durable and, according to laboratory tests, can tolerate extremely high temperatures.
Lithium cr1620 Battery- Datasheet, Equivalent, and Applications30 March 202214231
STTH6003CW: 60μA, 300V, Pinout and Datasheet07 March 20221127
ATTINY25V 8-bit AVR Microcontroller: Pinout, Equivalent and Datasheet08 April 20222708
IRFZ24N Transistor: Datasheet, Pinout, IRFZ24N MOSFET07 December 20218941
MAX30003 Integrated Biopotential AFE: Circuit, Pinout, MAX30003 vs AD8232 [Video&FAQ]09 May 202218834
DS3232 RTC: Pinout, Datasheet and DS3232 vs. DS323128 March 20244908
STM32F103C6T6A: Feature, Applications, and Datasheet14 November 20232093
The Guide to OV5647 Fisheye Camera Module for Raspberry Pi15 April 20228134
Intel Launches Industry's First Stackable, Shareable and Transferable One-Year Semiconductor Technician Certificate Program26 September 20233001
Introduction to RAID (Redundant Arrays of Independent Disks)01 July 20218438
What is a Cell Phone Antenna?21 July 202130518
General PCB Layout Design Guidelines for RF and Digital-to-Analog Circuits20 January 202212711
Examining the performance of SiC inverter and DC-DC Converter Systems over Si21 March 20234475
RF Switches Guide: Types, Specifications & Applications03 July 20253417
Revolutionizing Automotive Traction: A Comprehensive Review of Multiphase Drives for Next-Generation Vehicles04 May 20233775
Semiconductor Equipment Industry Research25 March 20244398
Toshiba Semiconductor and Storage
In Stock: 18400
Minimum: 1 Multiples: 1
Qty
Unit Price
Ext Price
1
$1.375814
$1.38
10
$1.297938
$12.98
100
$1.224469
$122.45
500
$1.155160
$577.58
1000
$1.089773
$1,089.77
Not the price you want? Send RFQ Now and we'll contact you ASAP.
Inquire for More Quantity


Product
Brand
Articles
Tools


