AK8963 Electronic Compass: Pinout, Datasheet and Features
SENSOR MAGMTR I2C/SPI 14WLCSP
AK8963 is a 3-axis electronic compass IC with high sensitive Hall sensor technology. It is adapted to pedestrian city navigation use for cell phone and other portable appliance. This article mainly covers pinout, datasheet, features and other details about AK8963.
AK8963 Description
AK8963 is a 3-axis electronic compass IC with high sensitive Hall sensor technology. Small package of AK8963 incorporates magnetic sensors for detecting terrestrial magnetism in the X-axis, Y-axis, and Z-axis, a sensor driving circuit, signal amplifier chain, and an arithmetic circuit for processing the signal from each sensor. Self test function is also incorporated. From its compact foot print and thin package feature, it is suitable for map heading up purpose in GPS-equipped cell phone to realize pedestrian navigation function.
AK8963 Pinout



AK8963 CAD Model
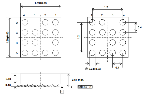
Footprint

Specifications
- TypeParameter
- Factory Lead Time14 Weeks
- Mounting Type
The "Mounting Type" in electronic components refers to the method used to attach or connect a component to a circuit board or other substrate, such as through-hole, surface-mount, or panel mount.
Surface Mount - Package / Case
refers to the protective housing that encases an electronic component, providing mechanical support, electrical connections, and thermal management.
14-UFBGA, WLCSP - Supplier Device Package
The parameter "Supplier Device Package" in electronic components refers to the physical packaging or housing of the component as provided by the supplier. It specifies the form factor, dimensions, and layout of the component, which are crucial for compatibility and integration into electronic circuits and systems. The supplier device package information typically includes details such as the package type (e.g., DIP, SOP, QFN), number of pins, pitch, and overall size, allowing engineers and designers to select the appropriate component for their specific application requirements. Understanding the supplier device package is essential for proper component selection, placement, and soldering during the manufacturing process to ensure optimal performance and reliability of the electronic system.
14-WLCSP (1.59x1.59) - Operating Temperature
The operating temperature is the range of ambient temperature within which a power supply, or any other electrical equipment, operate in. This ranges from a minimum operating temperature, to a peak or maximum operating temperature, outside which, the power supply may fail.
-30°C~85°C TA - Packaging
Semiconductor package is a carrier / shell used to contain and cover one or more semiconductor components or integrated circuits. The material of the shell can be metal, plastic, glass or ceramic.
Tape & Reel (TR) - Published2013
- Part Status
Parts can have many statuses as they progress through the configuration, analysis, review, and approval stages.
Not For New Designs - Moisture Sensitivity Level (MSL)
Moisture Sensitivity Level (MSL) is a standardized rating that indicates the susceptibility of electronic components, particularly semiconductors, to moisture-induced damage during storage and the soldering process, defining the allowable exposure time to ambient conditions before they require special handling or baking to prevent failures
1 (Unlimited) - Voltage - Supply
Voltage - Supply refers to the range of voltage levels that an electronic component or circuit is designed to operate with. It indicates the minimum and maximum supply voltage that can be applied for the device to function properly. Providing supply voltages outside this range can lead to malfunction, damage, or reduced performance. This parameter is critical for ensuring compatibility between different components in a circuit.
2.4V~3.6V - Current - Supply (Max)
The parameter "Current - Supply (Max)" in electronic components refers to the maximum amount of current that a component can draw from a power supply for its operation. This parameter is critical for ensuring that the power supply can adequately meet the demands of the component without causing damage or malfunction. Exceeding this specified maximum current can lead to overheating, reduced performance, or failure of the component. It is essential to consider this value when designing or integrating components into electronic circuits to maintain reliability and functionality.
10mA - Output Type
The "Output Type" parameter in electronic components refers to the type of signal or data that is produced by the component as an output. This parameter specifies the nature of the output signal, such as analog or digital, and can also include details about the voltage levels, current levels, frequency, and other characteristics of the output signal. Understanding the output type of a component is crucial for ensuring compatibility with other components in a circuit or system, as well as for determining how the output signal can be utilized or processed further. In summary, the output type parameter provides essential information about the nature of the signal that is generated by the electronic component as its output.
I2C, SPI - Resolution
Resolution in electronic components refers to the smallest increment of measurement or change that can be detected or represented by the component. It is a crucial specification in devices such as sensors, displays, and converters, as it determines the level of detail or accuracy that can be achieved. For example, in a digital camera, resolution refers to the number of pixels that make up an image, with higher resolution indicating a greater level of detail. In analog-to-digital converters, resolution is the number of discrete values that can be represented in the digital output, determining the precision of the conversion process. Overall, resolution plays a significant role in determining the performance and capabilities of electronic components in various applications.
16 b - Sensing Range
The sensing range of position sensors is the displacement between the sensing face of the sensor and the approaching measurement object that triggers a signal change in the sensor.
±4.9mT - Axis
In electronic components, the parameter "Axis" typically refers to the orientation or direction along which a specific characteristic or measurement is being considered. For example, in a sensor or accelerometer, the axis may indicate the direction in which the device is measuring acceleration. In a motor or actuator, the axis may refer to the direction of movement or rotation.Understanding the axis of a component is crucial for proper installation, calibration, and operation. It helps in determining how the component will interact with other parts of a system and how its performance can be optimized. Different components may have multiple axes to consider, especially in complex systems where movement or measurements occur in multiple directions.Overall, the axis parameter provides important information about the spatial orientation or directionality of an electronic component, guiding engineers and technicians in effectively utilizing the component within a larger system.
X, Y, Z - Features
In the context of electronic components, the term "Features" typically refers to the specific characteristics or functionalities that a particular component offers. These features can vary depending on the type of component and its intended use. For example, a microcontroller may have features such as built-in memory, analog-to-digital converters, and communication interfaces like UART or SPI.When evaluating electronic components, understanding their features is crucial in determining whether they meet the requirements of a particular project or application. Engineers and designers often look at features such as operating voltage, speed, power consumption, and communication protocols to ensure compatibility and optimal performance.In summary, the "Features" parameter in electronic components describes the unique attributes and capabilities that differentiate one component from another, helping users make informed decisions when selecting components for their electronic designs.
Sleep Mode - RoHS Status
RoHS means “Restriction of Certain Hazardous Substances” in the “Hazardous Substances Directive” in electrical and electronic equipment.
ROHS3 Compliant
AK8963 Features
A 3-axis electronic comp ass IC with high sensitive Hall sensor technology.
Best adapted to pedestrian city navigation use for cell phone and other portable appliance.
AK8963 Block Diagram

AK8963 Operation Modes
Power-down mode
Single measurement mode
Continuous measurement mode 1
Continuous measurement mode 2
External trigger measurement mode
Self-test mode
Fuse ROM access mode
AK8963 Applications
1. 3-axis magnetometer device suitable for compass application
2. Built-in A to D Converter for magnetometer data out
3. 14-/16-bit selectable data out for each 3 axis magnetic components
Sensitivity: 0.6 µT/LSB typ. (14-bit) 0.15µT/LSB typ. (16-bit)
4. Operation modes:
Power-down, Single measurement, Continuous measurement, External trigger measurement, Self test and Fuse ROM access.
5. DRDY function for measurement data ready
6. Magnetic sensor overflow monitor function
7. Built-in oscillator for internal clock source
8. Power on Reset circuit
9. Self test function with built-in internal magnetic source
AK8963 Package



AK8963 Manufacturer
AKM Semiconductor is a wholly-owned subsidiary of Asahi Kasei Microdevices (AKM), Tokyo, Japan. AKMS, located in San Jose, California offers sales, marketing, and design support for North American customers. AKM designs and manufactures CMOS mixed-signal integrated circuits for applications including audio, multimedia, data storage, and telecommunications.
Hot sale parts from AKM Semiconductor are as follows: ak4490eq, ak4458vn, ak4556vt, etc.
How to use AK8963?
DRDY function for measurement data ready. • Magnetic sensor overflow monitor function. • Built-in oscillator for internal clock source. • Power on Reset circuit.
MAC97A6 Triac: Circuit, Pinout, and Datasheet [Video&FAQ]10 November 202124615
ISO1050DUB Isolated CAN Transceiver: Pinout, Specification, and Datasheet07 July 20213272
ATmega1284P (AVR) 16KB SRAM Microcontroller: Datasheet, Pinout, and Performance Review10 February 2026132
STMicroelectronics STM32F302CBT6: Integration Guide for Embedded Systems11 June 2025262
HMC980LP4E Bias Controller: Circuit, Pinout, and Datasheet [Video&FAQ]26 April 20222665
STM32L431RCT6 Microcontroller: Features, Applications and Datasheet13 November 20232469
TDA2822 Audio Amplifier: Pinout, Datasheet, and Test Circuits19 July 202112951
Designing with AD5933: Datasheet, Pinout, and Impedance Spectroscopy Guide05 February 2026159
Applications of Sensors on CNC Machine Tools13 September 202118896
What Is An Intrinsic Semiconductor?03 November 202010457
What is LCD? Working Principle, Features, and Future Trends05 January 202612609
5 Easy Ways to Choose Sample-and-Hold Amplifiers06 June 20252666
Good News: UTMEL Electronic is now the Authorized Distributor for Isocom Components 2004 Ltd.10 November 20237912
50 World Famous Sensor Manufacturing Companies31 October 2025893148
Capacitor Basic: How do Capacitors Work?18 April 202515122
What are the Applications of Filters?17 January 202616131
AKM Semiconductor Inc.
In Stock: 485
United States
China
Canada
Japan
Russia
Germany
United Kingdom
Singapore
Italy
Hong Kong(China)
Taiwan(China)
France
Korea
Mexico
Netherlands
Malaysia
Austria
Spain
Switzerland
Poland
Thailand
Vietnam
India
United Arab Emirates
Afghanistan
Åland Islands
Albania
Algeria
American Samoa
Andorra
Angola
Anguilla
Antigua & Barbuda
Argentina
Armenia
Aruba
Australia
Azerbaijan
Bahamas
Bahrain
Bangladesh
Barbados
Belarus
Belgium
Belize
Benin
Bermuda
Bhutan
Bolivia
Bonaire, Sint Eustatius and Saba
Bosnia & Herzegovina
Botswana
Brazil
British Indian Ocean Territory
British Virgin Islands
Brunei
Bulgaria
Burkina Faso
Burundi
Cabo Verde
Cambodia
Cameroon
Cayman Islands
Central African Republic
Chad
Chile
Christmas Island
Cocos (Keeling) Islands
Colombia
Comoros
Congo
Congo (DRC)
Cook Islands
Costa Rica
Côte d’Ivoire
Croatia
Cuba
Curaçao
Cyprus
Czechia
Denmark
Djibouti
Dominica
Dominican Republic
Ecuador
Egypt
El Salvador
Equatorial Guinea
Eritrea
Estonia
Eswatini
Ethiopia
Falkland Islands
Faroe Islands
Fiji
Finland
French Guiana
French Polynesia
Gabon
Gambia
Georgia
Ghana
Gibraltar
Greece
Greenland
Grenada
Guadeloupe
Guam
Guatemala
Guernsey
Guinea
Guinea-Bissau
Guyana
Haiti
Honduras
Hungary
Iceland
Indonesia
Iran
Iraq
Ireland
Isle of Man
Israel
Jamaica
Jersey
Jordan
Kazakhstan
Kenya
Kiribati
Kosovo
Kuwait
Kyrgyzstan
Laos
Latvia
Lebanon
Lesotho
Liberia
Libya
Liechtenstein
Lithuania
Luxembourg
Macao(China)
Madagascar
Malawi
Maldives
Mali
Malta
Marshall Islands
Martinique
Mauritania
Mauritius
Mayotte
Micronesia
Moldova
Monaco
Mongolia
Montenegro
Montserrat
Morocco
Mozambique
Myanmar
Namibia
Nauru
Nepal
New Caledonia
New Zealand
Nicaragua
Niger
Nigeria
Niue
Norfolk Island
North Korea
North Macedonia
Northern Mariana Islands
Norway
Oman
Pakistan
Palau
Palestinian Authority
Panama
Papua New Guinea
Paraguay
Peru
Philippines
Pitcairn Islands
Portugal
Puerto Rico
Qatar
Réunion
Romania
Rwanda
Samoa
San Marino
São Tomé & Príncipe
Saudi Arabia
Senegal
Serbia
Seychelles
Sierra Leone
Sint Maarten
Slovakia
Slovenia
Solomon Islands
Somalia
South Africa
South Sudan
Sri Lanka
St Helena, Ascension, Tristan da Cunha
St. Barthélemy
St. Kitts & Nevis
St. Lucia
St. Martin
St. Pierre & Miquelon
St. Vincent & Grenadines
Sudan
Suriname
Svalbard & Jan Mayen
Sweden
Syria
Tajikistan
Tanzania
Timor-Leste
Togo
Tokelau
Tonga
Trinidad & Tobago
Tunisia
Turkey
Turkmenistan
Turks & Caicos Islands
Tuvalu
U.S. Outlying Islands
U.S. Virgin Islands
Uganda
Ukraine
Uruguay
Uzbekistan
Vanuatu
Vatican City
Venezuela
Wallis & Futuna
Yemen
Zambia
Zimbabwe


Product
Brand
Articles
Tools











