CA3140E Circuit - 8-PDIP IC OPAMP GP 1:Datasheet, Circuit, Pinout, and Equivalents
Renesas Electronics America Inc.
10pA 90 dB Instrumentational OP Amps 4V~36V ±2V~18V CA3140 8-DIP (0.300, 7.62mm)









10pA 90 dB Instrumentational OP Amps 4V~36V ±2V~18V CA3140 8-DIP (0.300, 7.62mm)
The CA3140E is an integrated circuit, operating at supply voltage from 4V to 36V (either single or dual supply). This article is going to introduce pinout, circuit, applications, features, and more details about CA3140E.

How to Make Efficient Automatic Street Light System using IC CA3140 (Op Amp)
Overview of CA3140E
| Descriptions |
| 1. The CA3140E BiMOS operational amplifiers feature gate-protected MOSFET (PMOS) transistors in the input circuit to provide very high input impedance, very low input current, and high-speed performance. |
| 2. The CA3140E operates at supply voltage from 4V to 36V (either single or dual supply). These operational amplifiers are internally phase compensated to achieve stable operation in unity gain follower operation |
| 3. CA3140E has an access terminal for a supplementary external capacitor if additional frequency roll-off is desired. Terminals are also provided for use in applications requiring input offset voltage nulling. |
| 4. The use of PMOS field-effect transistors in the input stage results in common-mode input-voltage capability down to 0.5V below the negative supply terminal, an important attribute for single-supply applications. |
| 5. The output stage uses bipolar transistors and includes built-in protection against damage from load terminal short-circuiting to either supply rail or to ground. |
CA3140E Features
• MOSFET Input Stage
- Very High Input Impedance (ZIN) -1.5TΩ (Typ)
- Very Low Input Current (Il) -10pA (Typ) at ±15V
- Wide Common-Mode Input Voltage Range (IVR) - Can be Swung 0.5V Below Negative Supply Voltage Rail
- Output Swing Complements Input Common-Mode Range
• Directly Replaces Industry Type 741 in Most Applications
• Pb-Free Plus Anneal Available (RoHS Compliant)
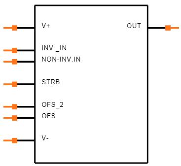
CA3140E Pinout

CA3140E Pinout
CA3140E Block Diagram

CA3140E Block Diagram
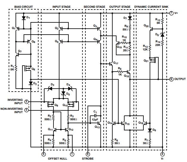
CA3140E Schematic Diagram

CA3140E Schematic Diagram
CA3140E Circuit

CA3140E Circuit
CA3140E 3D Model

CA3140E Symbol

CA3140E Footprint

CA3140E 3D Model
CA3140E Applications
• Ground-Referenced Single-Supply Amplifiers in Automobile and Portable Instrumentation
• Sample and Hold Amplifiers
• Long-Duration Timers/Multivibrators (µseconds-Minutes-Hours)
• Photocurrent Instrumentation
• Peak Detectors
• Active Filters
• Comparators
• Interface in 5V TTL Systems and Other Low Supply Voltage Systems
• All Standard Operational Amplifier Applications
• Function Generators
• Tone Controls
• Power Supplies
• Portable Instruments
• Intrusion Alarm Systems
CA3140E Equivalents
| CA3140EZ | CA3140M | EL5166IWZ-T7A | |
| Manufacturer | Renesas Electronics America Inc | Renesas Electronics America Inc. | Renesas Electronics America Inc. |
| Descriptions | Linear - Amplifiers - Instrumentation, OP Amps, Buffer Amps 8-DIP (0.300, 7.62mm) General Purpose, 15V -55°C~125°C CA3140 2.54mm IC OPAMP GP 1 CIRCUIT 8DIP | Linear - Amplifiers - Instrumentation, OP Amps, Buffer Amps 8-SOIC (0.154, 3.90mm Width) General Purpose 15V -55°C~125°C CA3140 IC OPAMP GP 1 CIRCUIT 8SOIC | Linear - Amplifiers - Instrumentation, OP Amps, Buffer Amps SOT-23-6 Current Feedback -40°C~85°C EL5166 IC OPAMP CFA 1 CIRCUIT SOT23-6 |
| Images | ![]() | ![]() | ![]() |
CA3140E Package information

CA3140E Package information
CA3140E Manufacturer
Renesas Electronics delivers trusted embedded design innovation with complete semiconductor solutions that enable billions of connected, intelligent devices to enhance the way people work and live - securely and safely. The number one global supplier of microcontrollers and a leader in Analog & Power and SoC products, Renesas provides the expertise, quality, and comprehensive solutions for a broad range of Automotive, Industrial, Home Electronics (HE), Office Automation (OA), and Information Communication Technology (ICT) applications to help shape a limitless future.
Datasheet PDF
- Datasheets :
Popularity by Region
Parts with Similar Specs
How many pins of CA3140E ?
8 pins.
What’s the operating temperature of CA3140E?
-55°C~125°C.
ICL7660CPAZ Super Voltage Converter: Equivalents, Pinout, and Datasheet16 August 20245434
EP2C35F672I8N FPGA: Features, Specifications and Pins17 April 2025938
LM339 Quad Voltage Comparator: Datasheet, Features, and LM339 vs LM339N09 September 20228495
VO1400AEFTR:60v,pinout, datasheet and circuit16 March 2022490
MJE13001 BJT NPN switching transistor[Video]05 May 20221980
74HC74 Dual D Flip-Flop: Datasheet pdf, Pinout and Flip-Flop Diagram17 December 202115587
BSS123 N-Channel MOSFET: Datasheet, Alternatives, Circuit28 September 20213385
2N3906 VS 2N2222 VS 2N3904: What are the Differences?13 April 202213879
RF Mixer: Types, Applications, and Practical Guide12 May 20255766
An Overview of LPDDR05 January 202632096
Advanced IC Packaging Technology Analysis28 April 20251927
Analysis of Magnetic and Thermal Semiconductor Power Modules13 March 20241975
How to Design an Accurate DC Power Supply15 October 20254809
What is Chiplet?17 November 20213865
Semiconductor Industry's Uphill Battle Towards Net Zero22 September 20232052
Low-Power Design of Operational Amplifiers27 March 20256338
Renesas Electronics America Inc.
In Stock: 3455
United States
China
Canada
Japan
Russia
Germany
United Kingdom
Singapore
Italy
Hong Kong(China)
Taiwan(China)
France
Korea
Mexico
Netherlands
Malaysia
Austria
Spain
Switzerland
Poland
Thailand
Vietnam
India
United Arab Emirates
Afghanistan
Åland Islands
Albania
Algeria
American Samoa
Andorra
Angola
Anguilla
Antigua & Barbuda
Argentina
Armenia
Aruba
Australia
Azerbaijan
Bahamas
Bahrain
Bangladesh
Barbados
Belarus
Belgium
Belize
Benin
Bermuda
Bhutan
Bolivia
Bonaire, Sint Eustatius and Saba
Bosnia & Herzegovina
Botswana
Brazil
British Indian Ocean Territory
British Virgin Islands
Brunei
Bulgaria
Burkina Faso
Burundi
Cabo Verde
Cambodia
Cameroon
Cayman Islands
Central African Republic
Chad
Chile
Christmas Island
Cocos (Keeling) Islands
Colombia
Comoros
Congo
Congo (DRC)
Cook Islands
Costa Rica
Côte d’Ivoire
Croatia
Cuba
Curaçao
Cyprus
Czechia
Denmark
Djibouti
Dominica
Dominican Republic
Ecuador
Egypt
El Salvador
Equatorial Guinea
Eritrea
Estonia
Eswatini
Ethiopia
Falkland Islands
Faroe Islands
Fiji
Finland
French Guiana
French Polynesia
Gabon
Gambia
Georgia
Ghana
Gibraltar
Greece
Greenland
Grenada
Guadeloupe
Guam
Guatemala
Guernsey
Guinea
Guinea-Bissau
Guyana
Haiti
Honduras
Hungary
Iceland
Indonesia
Iran
Iraq
Ireland
Isle of Man
Israel
Jamaica
Jersey
Jordan
Kazakhstan
Kenya
Kiribati
Kosovo
Kuwait
Kyrgyzstan
Laos
Latvia
Lebanon
Lesotho
Liberia
Libya
Liechtenstein
Lithuania
Luxembourg
Macao(China)
Madagascar
Malawi
Maldives
Mali
Malta
Marshall Islands
Martinique
Mauritania
Mauritius
Mayotte
Micronesia
Moldova
Monaco
Mongolia
Montenegro
Montserrat
Morocco
Mozambique
Myanmar
Namibia
Nauru
Nepal
New Caledonia
New Zealand
Nicaragua
Niger
Nigeria
Niue
Norfolk Island
North Korea
North Macedonia
Northern Mariana Islands
Norway
Oman
Pakistan
Palau
Palestinian Authority
Panama
Papua New Guinea
Paraguay
Peru
Philippines
Pitcairn Islands
Portugal
Puerto Rico
Qatar
Réunion
Romania
Rwanda
Samoa
San Marino
São Tomé & Príncipe
Saudi Arabia
Senegal
Serbia
Seychelles
Sierra Leone
Sint Maarten
Slovakia
Slovenia
Solomon Islands
Somalia
South Africa
South Sudan
Sri Lanka
St Helena, Ascension, Tristan da Cunha
St. Barthélemy
St. Kitts & Nevis
St. Lucia
St. Martin
St. Pierre & Miquelon
St. Vincent & Grenadines
Sudan
Suriname
Svalbard & Jan Mayen
Sweden
Syria
Tajikistan
Tanzania
Timor-Leste
Togo
Tokelau
Tonga
Trinidad & Tobago
Tunisia
Turkey
Turkmenistan
Turks & Caicos Islands
Tuvalu
U.S. Outlying Islands
U.S. Virgin Islands
Uganda
Ukraine
Uruguay
Uzbekistan
Vanuatu
Vatican City
Venezuela
Wallis & Futuna
Yemen
Zambia
Zimbabwe


Product
Brand
Articles
Tools









