IR2153 Half-Bridge Driver: Datasheet, Circuit and Equivalent
Through Hole Tube Not For New Designs EAR99 Gate Drivers ICs RC Input Circuit 8-DIP (0.300, 7.62mm) IR2153PBF









Through Hole Tube Not For New Designs EAR99 Gate Drivers ICs RC Input Circuit 8-DIP (0.300, 7.62mm) IR2153PBF
IR2153 is a self-oscillating half-bridge driver. This article enforces datasheet, equivalent, circuit, frequency, applications, and more details about the half-bridge IR2153 MOSFET driver. Furthermore, there is a huge range of semiconductors, capacitors, resistors, and Ics in stock. Welcome your RFQ!

#IR2153 | How set #switching Frequency of IR2153 | Half Bridge Gate Driver IC | How to Use IR2153
IR2153 Pinout

IR2153 Pinout
| Pin Number | Pin Name | Description |
| 1 | VCC | Logic and internal gate drive supply voltage |
| 2 | RT | Oscillator timing resistor input |
| 3 | CT | Oscillator timing capacitor input |
| 4 | COM | IC power and signal ground |
| 5 | LO | Low side gate driver output |
| 6 | VS | High voltage floating supply return |
| 7 | HO | High side gate driver output |
| 8 | VB | High side gate driver floating supply |
IR2153 CAD Model
Symbol

IR2153 Symbol
Footprint

IR2153 Footprint
3D Model

IR2153 3D Model
What is IR2153?
The IR2153 includes a high voltage half-bridge gate driver with a front-end oscillator comparable to the industry-standard CMOS 555 timer and is an enhanced version of the popular IR2155 and IR2151 gate driver ICs. The IR2153 has more features and is more user-friendly than prior ICs. The CT pin features a shutdown capability that allows both gate driver outputs to be disabled using a low voltage control signal. Furthermore, after the rising under-voltage lockout threshold on VCC is achieved, the gate driver output pulse widths are the same, resulting in a more stable frequency vs time profile at startup.
Specifications
- TypeParameter
- Factory Lead Time18 Weeks
- Mount
In electronic components, the term "Mount" typically refers to the method or process of physically attaching or fixing a component onto a circuit board or other electronic device. This can involve soldering, adhesive bonding, or other techniques to secure the component in place. The mounting process is crucial for ensuring proper electrical connections and mechanical stability within the electronic system. Different components may have specific mounting requirements based on their size, shape, and function, and manufacturers provide guidelines for proper mounting procedures to ensure optimal performance and reliability of the electronic device.
Surface Mount, Through Hole - Mounting Type
The "Mounting Type" in electronic components refers to the method used to attach or connect a component to a circuit board or other substrate, such as through-hole, surface-mount, or panel mount.
Through Hole - Package / Case
refers to the protective housing that encases an electronic component, providing mechanical support, electrical connections, and thermal management.
8-DIP (0.300, 7.62mm) - Number of Pins8
- Driver ConfigurationHalf-Bridge
- Turn Off Delay Time
It is the time from when Vgs drops below 90% of the gate drive voltage to when the drain current drops below 90% of the load current. It is the delay before current starts to transition in the load, and depends on Rg. Ciss.
100 ns - Operating Temperature
The operating temperature is the range of ambient temperature within which a power supply, or any other electrical equipment, operate in. This ranges from a minimum operating temperature, to a peak or maximum operating temperature, outside which, the power supply may fail.
-40°C~125°C TJ - Packaging
Semiconductor package is a carrier / shell used to contain and cover one or more semiconductor components or integrated circuits. The material of the shell can be metal, plastic, glass or ceramic.
Tube - Published1996
- Part Status
Parts can have many statuses as they progress through the configuration, analysis, review, and approval stages.
Not For New Designs - Moisture Sensitivity Level (MSL)
Moisture Sensitivity Level (MSL) is a standardized rating that indicates the susceptibility of electronic components, particularly semiconductors, to moisture-induced damage during storage and the soldering process, defining the allowable exposure time to ambient conditions before they require special handling or baking to prevent failures
1 (Unlimited) - Number of Terminations8
- ECCN Code
An ECCN (Export Control Classification Number) is an alphanumeric code used by the U.S. Bureau of Industry and Security to identify and categorize electronic components and other dual-use items that may require an export license based on their technical characteristics and potential for military use.
EAR99 - TypeIntegrated Circuit (IC)
- Max Power Dissipation
The maximum power that the MOSFET can dissipate continuously under the specified thermal conditions.
1W - Voltage - Supply
Voltage - Supply refers to the range of voltage levels that an electronic component or circuit is designed to operate with. It indicates the minimum and maximum supply voltage that can be applied for the device to function properly. Providing supply voltages outside this range can lead to malfunction, damage, or reduced performance. This parameter is critical for ensuring compatibility between different components in a circuit.
10V~15.6V - Terminal Position
In electronic components, the term "Terminal Position" refers to the physical location of the connection points on the component where external electrical connections can be made. These connection points, known as terminals, are typically used to attach wires, leads, or other components to the main body of the electronic component. The terminal position is important for ensuring proper connectivity and functionality of the component within a circuit. It is often specified in technical datasheets or component specifications to help designers and engineers understand how to properly integrate the component into their circuit designs.
DUAL - Number of Functions1
- Supply Voltage
Supply voltage refers to the electrical potential difference provided to an electronic component or circuit. It is crucial for the proper operation of devices, as it powers their functions and determines performance characteristics. The supply voltage must be within specified limits to ensure reliability and prevent damage to components. Different electronic devices have specific supply voltage requirements, which can vary widely depending on their design and intended application.
12V - Frequency
In electronic components, the parameter "Frequency" refers to the rate at which a signal oscillates or cycles within a given period of time. It is typically measured in Hertz (Hz) and represents how many times a signal completes a full cycle in one second. Frequency is a crucial aspect in electronic components as it determines the behavior and performance of various devices such as oscillators, filters, and communication systems. Understanding the frequency characteristics of components is essential for designing and analyzing electronic circuits to ensure proper functionality and compatibility with other components in a system.
106kHz - Base Part Number
The "Base Part Number" (BPN) in electronic components serves a similar purpose to the "Base Product Number." It refers to the primary identifier for a component that captures the essential characteristics shared by a group of similar components. The BPN provides a fundamental way to reference a family or series of components without specifying all the variations and specific details.
IR2153PBF - Number of Outputs2
- Output Voltage
Output voltage is a crucial parameter in electronic components that refers to the voltage level produced by the component as a result of its operation. It represents the electrical potential difference between the output terminal of the component and a reference point, typically ground. The output voltage is a key factor in determining the performance and functionality of the component, as it dictates the level of voltage that will be delivered to the connected circuit or load. It is often specified in datasheets and technical specifications to ensure compatibility and proper functioning within a given system.
10V - Max Output Current
The maximum current that can be supplied to the load.
400mA - Nominal Supply Current
Nominal current is the same as the rated current. It is the current drawn by the motor while delivering rated mechanical output at its shaft.
5mA - Power Dissipation
the process by which an electronic or electrical device produces heat (energy loss or waste) as an undesirable derivative of its primary action.
1W - Output Current
The rated output current is the maximum load current that a power supply can provide at a specified ambient temperature. A power supply can never provide more current that it's rated output current unless there is a fault, such as short circuit at the load.
400mA - Max Supply Current
Max Supply Current refers to the maximum amount of electrical current that a component can draw from its power supply under normal operating conditions. It is a critical parameter that ensures the component operates reliably without exceeding its thermal limits or damaging internal circuitry. Exceeding this current can lead to overheating, performance degradation, or failure of the component. Understanding this parameter is essential for designing circuits that provide adequate power while avoiding overload situations.
5mA - Input Type
Input type in electronic components refers to the classification of the signal or data that a component can accept for processing or conversion. It indicates whether the input is analog, digital, or a specific format such as TTL or CMOS. Understanding input type is crucial for ensuring compatibility between different electronic devices and circuits, as it determines how signals are interpreted and interacted with.
RC Input Circuit - Turn On Delay Time
Turn-on delay, td(on), is the time taken to charge the input capacitance of the device before drain current conduction can start.
150 ns - Input Offset Voltage (Vos)
Input Offset Voltage (Vos) is a key parameter in electronic components, particularly in operational amplifiers. It refers to the voltage difference that must be applied between the two input terminals of the amplifier to nullify the output voltage when the input terminals are shorted together. In simpler terms, it represents the voltage required to bring the output of the amplifier to zero when there is no input signal present. Vos is an important parameter as it can introduce errors in the output signal of the amplifier, especially in precision applications where accuracy is crucial. Minimizing Vos is essential to ensure the amplifier operates with high precision and accuracy.
600V - Rise Time
In electronics, when describing a voltage or current step function, rise time is the time taken by a signal to change from a specified low value to a specified high value.
150ns - Fall Time (Typ)
Fall Time (Typ) is a parameter used to describe the time it takes for a signal to transition from a high level to a low level in an electronic component, such as a transistor or an integrated circuit. It is typically measured in nanoseconds or microseconds and is an important characteristic that affects the performance of the component in digital circuits. A shorter fall time indicates faster switching speeds and can result in improved overall circuit performance, such as reduced power consumption and increased data transmission rates. Designers often consider the fall time specification when selecting components for their circuits to ensure proper functionality and efficiency.
100 ns - Rise / Fall Time (Typ)
The parameter "Rise / Fall Time (Typ)" in electronic components refers to the time it takes for a signal to transition from a specified low level to a specified high level (rise time) or from a high level to a low level (fall time). It is typically measured in nanoseconds or picoseconds and is an important characteristic in determining the speed and performance of a component, such as a transistor or integrated circuit. A shorter rise/fall time indicates faster signal switching and can impact the overall speed and efficiency of a circuit. Designers often consider this parameter when selecting components for high-speed applications to ensure proper signal integrity and timing.
80ns 45ns - Channel Type
In electronic components, the parameter "Channel Type" refers to the type of channel through which electrical signals or current flow within the component. This parameter is commonly associated with field-effect transistors (FETs) and other semiconductor devices. The channel type can be categorized as either N-channel or P-channel, depending on the polarity of the majority charge carriers (electrons or holes) that carry the current within the channel. N-channel devices have an electron-conducting channel, while P-channel devices have a hole-conducting channel. Understanding the channel type is crucial for proper circuit design and component selection to ensure compatibility and optimal performance.
Synchronous - Gate Type
In electronic components, the term "Gate Type" typically refers to the type of logic gate used in digital circuits. A logic gate is a fundamental building block of digital circuits that performs a specific logical operation based on the input signals it receives. Common types of logic gates include AND, OR, NOT, NAND, NOR, XOR, and XNOR gates.The Gate Type parameter specifies the specific logic function that the gate performs, such as AND, OR, or NOT. Different gate types have different truth tables that define their behavior based on the input signals. By selecting the appropriate gate type for a given application, designers can implement various logical functions and operations in digital circuits.Understanding the gate type is essential for designing and analyzing digital circuits, as it determines how the circuit processes and manipulates binary data. Choosing the right gate type is crucial for ensuring the correct functionality and performance of the digital system being designed.
N-Channel MOSFET - High Side Driver
A High Side Driver is an electronic component used in power management applications to control the switching of high-side power devices such as MOSFETs or IGBTs. It is designed to drive the gate or base of the power device to turn it on or off, allowing current to flow through the load or cutting off the current flow. High Side Drivers are commonly used in automotive, industrial, and consumer electronics to control various loads such as motors, solenoids, and heaters. They provide isolation between the control circuitry and the high-side power device, ensuring safe and reliable operation of the system.
YES - Height4.9276mm
- Length10.8966mm
- Width7.11mm
- REACH SVHC
The parameter "REACH SVHC" in electronic components refers to the compliance with the Registration, Evaluation, Authorization, and Restriction of Chemicals (REACH) regulation regarding Substances of Very High Concern (SVHC). SVHCs are substances that may have serious effects on human health or the environment, and their use is regulated under REACH to ensure their safe handling and minimize their impact.Manufacturers of electronic components need to declare if their products contain any SVHCs above a certain threshold concentration and provide information on the safe use of these substances. This information allows customers to make informed decisions about the potential risks associated with using the components and take appropriate measures to mitigate any hazards.Ensuring compliance with REACH SVHC requirements is essential for electronics manufacturers to meet regulatory standards, protect human health and the environment, and maintain transparency in their supply chain. It also demonstrates a commitment to sustainability and responsible manufacturing practices in the electronics industry.
No SVHC - Radiation Hardening
Radiation hardening is the process of making electronic components and circuits resistant to damage or malfunction caused by high levels of ionizing radiation, especially for environments in outer space (especially beyond the low Earth orbit), around nuclear reactors and particle accelerators, or during nuclear accidents or nuclear warfare.
No - RoHS Status
RoHS means “Restriction of Certain Hazardous Substances” in the “Hazardous Substances Directive” in electrical and electronic equipment.
ROHS3 Compliant - Lead Free
Lead Free is a term used to describe electronic components that do not contain lead as part of their composition. Lead is a toxic material that can have harmful effects on human health and the environment, so the electronics industry has been moving towards lead-free components to reduce these risks. Lead-free components are typically made using alternative materials such as silver, copper, and tin. Manufacturers must comply with regulations such as the Restriction of Hazardous Substances (RoHS) directive to ensure that their products are lead-free and environmentally friendly.
Contains Lead, Lead Free
IR2153 Features
Integrated 600V half-bridge gate driver
15.6V Zener clamp on Vcc
True micropower startup
Tighter initial deadtime control
Low-temperature coefficient deadtime
Shutdown feature (1/6th Vcc) on CT pin
Increased Undervoltage lockout Hysteresis (1V)
Lower power level-shifting circuit
Constant LO, HO pulse widths at startup
Lower di/dt gate driver for better noise immunity
Low side output in phase with RT
Internal 50nsec (Typ.) bootstrap diode (IR2153D)
Excellent latch immunity on all inputs and outputs
ESD protection on all leads
Also available LEAD-FREE
What can be IR2153 used for?
HVAC controls
Medical devices
Industrial controls
Internet of Things
Automatic Test Equipment (ATE)
IR2153 Equivalents
IR44272, IR44273, IR44252, IR2100, IR2122
Parts with Similar Specs
- ImagePart NumberManufacturerPackage / CaseNumber of PinsChannel TypeMax Output CurrentOutput CurrentRise TimeSupply VoltageMax Power DissipationView Compare
IR2153PBF
8-DIP (0.300, 7.62mm)
8
Synchronous
400 mA
400 mA
150 ns
12 V
1 W
DIP
8
Single
600 mA
-
130 ns
15 V
-
8-DIP (0.300, 7.62mm)
8
Independent
1.5 A
1.5 A
30 ns
-
730 mW
8-DIP (0.300, 7.62mm)
8
Independent
1.5 A
1.5 A
30 ns
-
730 mW
8-DIP (0.300, 7.62mm)
8
Independent
4.5 A
-
50 ns
-
1.25 W
IR2153 Power
This IC has several unique characteristics that must be understood to operate with it. The maximum high-side floating supply voltage is 25V, the high-side floating supply offset voltage is 3V, the RT and CT pins are VCC + 0.3 Volts, and the IC's applied current is 25mA. This IC has a slew rate of 50V/nS. This IC's maximum power dissipation is 1W. The maximum junction temperature is 150 degrees Celsius.

IR2153 Frequency
Where to use IR2153
The IR2155 and IR2151 gate driver ICs have been upgraded in the IR2153. The IR2153 has more features and is more user-friendly than prior ICs. By decreasing the peak di/dt of the gate drivers and raising the under-voltage lockout hysteresis to 1V, noise immunity has been greatly enhanced. Finally, the device's latch immunity has been maximized, and all pins have been provided with extensive ESD protection.

IR2153 Functional Block Diagram
Because this IC is a half-bridge gate driver, it can be utilized in a variety of applications such as DC-DC power supply, inverters, motor drivers, solenoid drivers, and high side MOSFET drivers for protection relay and motor driver applications.
How to use IR2153
This IC is mostly used to drive the gate of MOSFETs, as the name implies. When a MOSFET must be switched with exceptional efficiency, a MOSFET gate driver is necessary. The graphic below depicts a basic schematic of the IR2153's configuration.

IR2153 Circuit
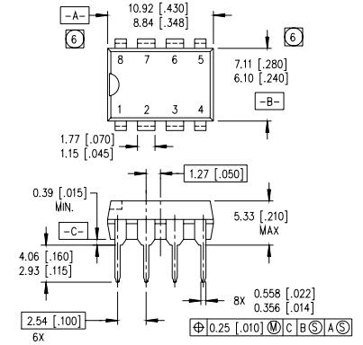
IR2153 Dimensions


IR2153 Dimensions
IR2153 Manufacturer
On April 1, 1999, Siemens Semiconductors officially changed its name to Infineon Technologies. Infineon is a dynamic and flexible company. Success in the highly competitive and ever-changing microelectronics world is our constant goal. As the world's leading designer, manufacturer, and supplier, Infineon has a wide range of products used in various microelectronics applications. Our product portfolio includes not only logic products, including digital, mixed-signal, and analog integrated circuits but also discrete semiconductor products.
Trend Analysis
Datasheet PDF
- PCN Packaging :
- Datasheets :
- Other Related Documents :
- ConflictMineralStatement :
What is IR2153?
The IR2153 is an improved version of the popular IR2155 and IR2151 gate driver ICs and incorporates a high voltage half-bridge gate driver with a front-end oscillator similar to the industry-standard CMOS 555 timer. The IR2153 provides more functionality and is easier to use than previous ICs.
What is IR2153 used for?
IR2153 It is a high-voltage driver with an internal oscillator. It allows realizing switching power supplies to power to up to 1, 5 kW based on a semi-bridge circuit with minimum circuitry.
How does IR2153 work?
IR2153 It is a high-voltage driver with an internal oscillator. Initially, when you apply voltage C1 is discharged and the inverting input of the op-amp is zero, and the non-non-inverting input has a positive voltage provided by the resistive divider. The result is that all three have the output voltage at logic level one.
How to adjust the pressure of IR2153?
IR2153 is a half-bridge-controlled LC circuit. This type of circuit has a feature that the higher the frequency, the lower the output voltage. However, the minimum frequency cannot be lower than the resonance characteristic frequency of the LC circuit. If it is controlled by IR2153, one way is to use a relatively low frequency to output a slightly higher voltage value. When the voltage value is higher than the set value, Use a triode to connect the RT terminal of IR2153 to low. When the RT port level of IR2153 is lower than 1/5Vcc voltage, it will stop working.
Can I replace ir2151 with ir2153?
2153 has better driving ability than 2151, 2155 has the better driving ability, so it can be directly replaced.
NTE987 Operational Amplifier: Datasheet, Pinout and Equivalent16 September 20212566
AD7768 Analog-to-Digital Converter (ADC): AD7768 Arduino, Datasheet, Pinout18 January 20227065
BD679 Transistor: Pinout, Equivalent and Datasheet31 August 20216920
MCP2561FD CAN Transceiver: Features, Equivalent and Datasheet21 January 20223218
LM317K 1.2V TO 37V VOLTAGE REGULATOR:Pinout, Datasheet, and Applications14 September 20212805
ATmega168 8-Bit MCU Deep Dive: Datasheet, Pinout, and Memory Optimization Solutions12 February 2026236
IR2104 Half-Bridge Driver:Datasheet, Schematic, Pinout14 October 202115198
TPS51200DRCT DDR Voltage Regulator 10-VSON: Datasheet, Pinout, TPS51200DRCT VS NCP51200MNTXG22 January 20222558
Understanding SiC MOSFET Power Modules and Ensuring its Short-Circuit Safety15 March 20244191
Introduction to Optical Amplifier27 March 20259902
Adopting GaN/Si MMIC in Space-based Applications14 June 20242737
An Overview of LPDDR25 March 202634360
Global Semiconductor Market Expected to Shrink by 4.1 Percent in 202322 February 20232444
What is GND in a Circuit?18 December 202546815
How Many Types of Inverters are There?28 March 202218269
How to Avoid Common Mistakes When Choosing Electrical Fuses14 July 20251127
Infineon Technologies
In Stock: 161
United States
China
Canada
Japan
Russia
Germany
United Kingdom
Singapore
Italy
Hong Kong(China)
Taiwan(China)
France
Korea
Mexico
Netherlands
Malaysia
Austria
Spain
Switzerland
Poland
Thailand
Vietnam
India
United Arab Emirates
Afghanistan
Åland Islands
Albania
Algeria
American Samoa
Andorra
Angola
Anguilla
Antigua & Barbuda
Argentina
Armenia
Aruba
Australia
Azerbaijan
Bahamas
Bahrain
Bangladesh
Barbados
Belarus
Belgium
Belize
Benin
Bermuda
Bhutan
Bolivia
Bonaire, Sint Eustatius and Saba
Bosnia & Herzegovina
Botswana
Brazil
British Indian Ocean Territory
British Virgin Islands
Brunei
Bulgaria
Burkina Faso
Burundi
Cabo Verde
Cambodia
Cameroon
Cayman Islands
Central African Republic
Chad
Chile
Christmas Island
Cocos (Keeling) Islands
Colombia
Comoros
Congo
Congo (DRC)
Cook Islands
Costa Rica
Côte d’Ivoire
Croatia
Cuba
Curaçao
Cyprus
Czechia
Denmark
Djibouti
Dominica
Dominican Republic
Ecuador
Egypt
El Salvador
Equatorial Guinea
Eritrea
Estonia
Eswatini
Ethiopia
Falkland Islands
Faroe Islands
Fiji
Finland
French Guiana
French Polynesia
Gabon
Gambia
Georgia
Ghana
Gibraltar
Greece
Greenland
Grenada
Guadeloupe
Guam
Guatemala
Guernsey
Guinea
Guinea-Bissau
Guyana
Haiti
Honduras
Hungary
Iceland
Indonesia
Iran
Iraq
Ireland
Isle of Man
Israel
Jamaica
Jersey
Jordan
Kazakhstan
Kenya
Kiribati
Kosovo
Kuwait
Kyrgyzstan
Laos
Latvia
Lebanon
Lesotho
Liberia
Libya
Liechtenstein
Lithuania
Luxembourg
Macao(China)
Madagascar
Malawi
Maldives
Mali
Malta
Marshall Islands
Martinique
Mauritania
Mauritius
Mayotte
Micronesia
Moldova
Monaco
Mongolia
Montenegro
Montserrat
Morocco
Mozambique
Myanmar
Namibia
Nauru
Nepal
New Caledonia
New Zealand
Nicaragua
Niger
Nigeria
Niue
Norfolk Island
North Korea
North Macedonia
Northern Mariana Islands
Norway
Oman
Pakistan
Palau
Palestinian Authority
Panama
Papua New Guinea
Paraguay
Peru
Philippines
Pitcairn Islands
Portugal
Puerto Rico
Qatar
Réunion
Romania
Rwanda
Samoa
San Marino
São Tomé & Príncipe
Saudi Arabia
Senegal
Serbia
Seychelles
Sierra Leone
Sint Maarten
Slovakia
Slovenia
Solomon Islands
Somalia
South Africa
South Sudan
Sri Lanka
St Helena, Ascension, Tristan da Cunha
St. Barthélemy
St. Kitts & Nevis
St. Lucia
St. Martin
St. Pierre & Miquelon
St. Vincent & Grenadines
Sudan
Suriname
Svalbard & Jan Mayen
Sweden
Syria
Tajikistan
Tanzania
Timor-Leste
Togo
Tokelau
Tonga
Trinidad & Tobago
Tunisia
Turkey
Turkmenistan
Turks & Caicos Islands
Tuvalu
U.S. Outlying Islands
U.S. Virgin Islands
Uganda
Ukraine
Uruguay
Uzbekistan
Vanuatu
Vatican City
Venezuela
Wallis & Futuna
Yemen
Zambia
Zimbabwe


Product
Brand
Articles
Tools







