L6203 Bridge Driver: Circuit, Pinout, and Datasheet
STMICROELECTRONICS - L6203 - Motor Driver/Controller, Full Bridge, 12V to 48V supply, 60V/5 A/2 Outputs, Multiwatt-11
Unit Price: $11.604630
Ext Price: $11.60









STMICROELECTRONICS - L6203 - Motor Driver/Controller, Full Bridge, 12V to 48V supply, 60V/5 A/2 Outputs, Multiwatt-11
L6203 is a full-control bridge driver chip that uses multi-source BCD (Bipolar, CMOS, DMOS) technology to control the motor. This article mainly introduces circuit, pinout, datasheet and other detailed information about STMicroelectronics L6203.
L6203 Description
L6203 is a full-control bridge driver chip that uses multi-source BCD (Bipolar, CMOS, DMOS) technology to control the motor. This chip can integrate independent DMOS field-effect transistors, CMOS, and diodes on one chip. Due to the use of modular expansion technology, L6203 can realize logic circuit and power stage optimization, it has been possible to optimize the logic circuitry and the power stage to achieve the best possible performance.
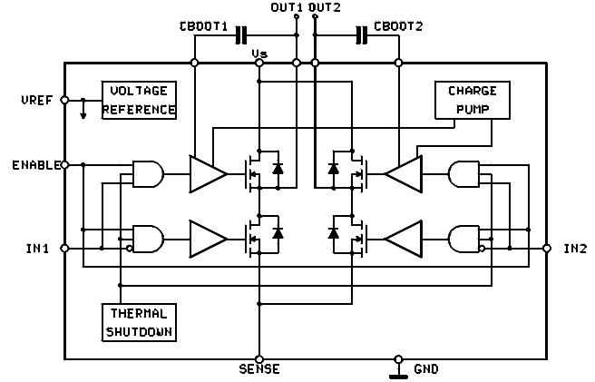
The DMOS field-effect tube can operate at a voltage of 42V and has high efficiency and high-speed switching performance. Compatible with all TTL, CMOS, and μC inputs. Each independent logic input can control one channel (half-bridge), and the common enable terminal can control two channels. The I.C. is mounted in three different packages.
L6203 Pinout

Pinout
| Pin Number | Pin Name | Description |
| 1 | OUT2 | Ouput of 2nd Half Bridge |
| 2 | Vs | Supply Voltage |
| 3 | OUT1 | Output of first Half Bridge |
| 4 | BOOT1 | A boostrap capacitor connected to this pin ensures efficient driving of the upper POWER DMOS transistor. |
| 5 | IN1 | Digital Input from the Motor Controller |
| 6 | GND | Common Ground Terminal |
| 7 | IN2 | Digital Input from the Motor Controller |
| 8 | BOOT2 | A boostrap capacitor connected to this pin ensures efficient driving of the upper POWER DMOS transistor. |
| 9 | Vref | Internal voltage reference. A capacitor from this pin to GND is recommended. The internal Ref. Voltage can source out a current of 2mA max. |
| 10 | SENSE | A resistor Rsense connected to this pin provides feedback for motor current control. |
| 11 | ENABLE | When a logic high is present on this pin the DMOS POWER transistors are enabled to be selectively driven by IN1 and IN2. |
L6203 CAD Model

Symbol

Footprint

3D Model
L6203 Features
● Supply Voltage Up To 48V
● 5A Max Peak Current (2A max. for L6201)
● Total RMS Current Up To L6201: 1A; L6202: 1.5A; L6203/L6201PS: 4A
● RDS (ON) 0.3 Ω (typical value at 25 °C)
● Cross Conduction Protection
● TTL Compatible Drive
● Operating Frequency Up To 100 kHz
● Thermal Shutdown
● Internal Logic Supply
● High Efficiency
Specifications
- TypeParameter
- Lifecycle Status
Lifecycle Status refers to the current stage of an electronic component in its product life cycle, indicating whether it is active, obsolete, or transitioning between these states. An active status means the component is in production and available for purchase. An obsolete status indicates that the component is no longer being manufactured or supported, and manufacturers typically provide a limited time frame for support. Understanding the lifecycle status is crucial for design engineers to ensure continuity and reliability in their projects.
ACTIVE (Last Updated: 7 months ago) - Factory Lead Time12 Weeks
- Mount
In electronic components, the term "Mount" typically refers to the method or process of physically attaching or fixing a component onto a circuit board or other electronic device. This can involve soldering, adhesive bonding, or other techniques to secure the component in place. The mounting process is crucial for ensuring proper electrical connections and mechanical stability within the electronic system. Different components may have specific mounting requirements based on their size, shape, and function, and manufacturers provide guidelines for proper mounting procedures to ensure optimal performance and reliability of the electronic device.
Through Hole - Mounting Type
The "Mounting Type" in electronic components refers to the method used to attach or connect a component to a circuit board or other substrate, such as through-hole, surface-mount, or panel mount.
Through Hole - Package / Case
refers to the protective housing that encases an electronic component, providing mechanical support, electrical connections, and thermal management.
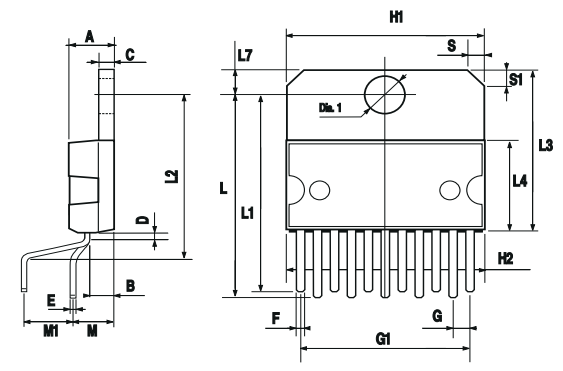
Multiwatt-11 (Vertical, Bent and Staggered Leads) - Number of Pins11
- Weight4.535924g
- Turn Off Delay Time
It is the time from when Vgs drops below 90% of the gate drive voltage to when the drain current drops below 90% of the load current. It is the delay before current starts to transition in the load, and depends on Rg. Ciss.
300 ns - Operating Temperature
The operating temperature is the range of ambient temperature within which a power supply, or any other electrical equipment, operate in. This ranges from a minimum operating temperature, to a peak or maximum operating temperature, outside which, the power supply may fail.
-40°C~150°C TJ - Packaging
Semiconductor package is a carrier / shell used to contain and cover one or more semiconductor components or integrated circuits. The material of the shell can be metal, plastic, glass or ceramic.
Tube - JESD-609 Code
The "JESD-609 Code" in electronic components refers to a standardized marking code that indicates the lead-free solder composition and finish of electronic components for compliance with environmental regulations.
e3 - Part Status
Parts can have many statuses as they progress through the configuration, analysis, review, and approval stages.
Active - Moisture Sensitivity Level (MSL)
Moisture Sensitivity Level (MSL) is a standardized rating that indicates the susceptibility of electronic components, particularly semiconductors, to moisture-induced damage during storage and the soldering process, defining the allowable exposure time to ambient conditions before they require special handling or baking to prevent failures
1 (Unlimited) - Number of Terminations11
- ECCN Code
An ECCN (Export Control Classification Number) is an alphanumeric code used by the U.S. Bureau of Industry and Security to identify and categorize electronic components and other dual-use items that may require an export license based on their technical characteristics and potential for military use.
EAR99 - Resistance
Resistance is a fundamental property of electronic components that measures their opposition to the flow of electric current. It is denoted by the symbol "R" and is measured in ohms (Ω). Resistance is caused by the collisions of electrons with atoms in a material, which generates heat and reduces the flow of current. Components with higher resistance will impede the flow of current more than those with lower resistance. Resistance plays a crucial role in determining the behavior and functionality of electronic circuits, such as limiting current flow, voltage division, and controlling power dissipation.
300mOhm - Terminal Finish
Terminal Finish refers to the surface treatment applied to the terminals or leads of electronic components to enhance their performance and longevity. It can improve solderability, corrosion resistance, and overall reliability of the connection in electronic assemblies. Common finishes include nickel, gold, and tin, each possessing distinct properties suitable for various applications. The choice of terminal finish can significantly impact the durability and effectiveness of electronic devices.
Matte Tin (Sn) - annealed - Applications
The parameter "Applications" in electronic components refers to the specific uses or functions for which a component is designed. It encompasses various fields such as consumer electronics, industrial automation, telecommunications, automotive, and medical devices. Understanding the applications helps in selecting the right components for a particular design based on performance, reliability, and compatibility requirements. This parameter also guides manufacturers in targeting their products to relevant markets and customer needs.
DC Motors, General Purpose - Voltage - Supply
Voltage - Supply refers to the range of voltage levels that an electronic component or circuit is designed to operate with. It indicates the minimum and maximum supply voltage that can be applied for the device to function properly. Providing supply voltages outside this range can lead to malfunction, damage, or reduced performance. This parameter is critical for ensuring compatibility between different components in a circuit.
12V~48V - Terminal Position
In electronic components, the term "Terminal Position" refers to the physical location of the connection points on the component where external electrical connections can be made. These connection points, known as terminals, are typically used to attach wires, leads, or other components to the main body of the electronic component. The terminal position is important for ensuring proper connectivity and functionality of the component within a circuit. It is often specified in technical datasheets or component specifications to help designers and engineers understand how to properly integrate the component into their circuit designs.
ZIG-ZAG - Number of Functions1
- Supply Voltage
Supply voltage refers to the electrical potential difference provided to an electronic component or circuit. It is crucial for the proper operation of devices, as it powers their functions and determines performance characteristics. The supply voltage must be within specified limits to ensure reliability and prevent damage to components. Different electronic devices have specific supply voltage requirements, which can vary widely depending on their design and intended application.
36V - Base Part Number
The "Base Part Number" (BPN) in electronic components serves a similar purpose to the "Base Product Number." It refers to the primary identifier for a component that captures the essential characteristics shared by a group of similar components. The BPN provides a fundamental way to reference a family or series of components without specifying all the variations and specific details.
L6203 - Pin Count
a count of all of the component leads (or pins)
11 - Output Voltage
Output voltage is a crucial parameter in electronic components that refers to the voltage level produced by the component as a result of its operation. It represents the electrical potential difference between the output terminal of the component and a reference point, typically ground. The output voltage is a key factor in determining the performance and functionality of the component, as it dictates the level of voltage that will be delivered to the connected circuit or load. It is often specified in datasheets and technical specifications to ensure compatibility and proper functioning within a given system.
60V - Max Output Current
The maximum current that can be supplied to the load.
5A - Operating Supply Voltage
The voltage level by which an electrical system is designated and to which certain operating characteristics of the system are related.
36V - Number of Channels2
- Interface
In electronic components, the term "Interface" refers to the point at which two different systems, devices, or components connect and interact with each other. It can involve physical connections such as ports, connectors, or cables, as well as communication protocols and standards that facilitate the exchange of data or signals between the connected entities. The interface serves as a bridge that enables seamless communication and interoperability between different parts of a system or between different systems altogether. Designing a reliable and efficient interface is crucial in ensuring proper functionality and performance of electronic components and systems.
Logic - Operating Supply Current
Operating Supply Current, also known as supply current or quiescent current, is a crucial parameter in electronic components that indicates the amount of current required for the device to operate under normal conditions. It represents the current drawn by the component from the power supply while it is functioning. This parameter is important for determining the power consumption of the component and is typically specified in datasheets to help designers calculate the overall power requirements of their circuits. Understanding the operating supply current is essential for ensuring proper functionality and efficiency of electronic systems.
15mA - Output Configuration
Output Configuration in electronic components refers to the arrangement or setup of the output pins or terminals of a device. It defines how the output signals are structured and how they interact with external circuits or devices. The output configuration can determine the functionality and compatibility of the component in a circuit design. Common types of output configurations include single-ended, differential, open-drain, and push-pull configurations, each serving different purposes and applications in electronic systems. Understanding the output configuration of a component is crucial for proper integration and operation within a circuit.
Half Bridge (2) - Output Current
The rated output current is the maximum load current that a power supply can provide at a specified ambient temperature. A power supply can never provide more current that it's rated output current unless there is a fault, such as short circuit at the load.
5A - Turn On Delay Time
Turn-on delay, td(on), is the time taken to charge the input capacitance of the device before drain current conduction can start.
400 ns - Output Characteristics
Output characteristics in electronic components refer to the relationship between the output voltage and output current across a range of input conditions. This parameter is essential for understanding how a device, such as a transistor or operational amplifier, behaves under various loads and operating points. It provides insights into the efficiency, performance, and limitations of the component, helping designers to make informed choices for circuits and applications.
TOTEM-POLE - Output Current per Channel
Output Current per Channel is a specification commonly found in electronic components such as amplifiers, audio interfaces, and power supplies. It refers to the maximum amount of electrical current that can be delivered by each individual output channel of the component. This parameter is important because it determines the capacity of the component to drive connected devices or loads. A higher output current per channel means the component can deliver more power to connected devices, while a lower output current may limit the performance or functionality of the component in certain applications. It is crucial to consider the output current per channel when selecting electronic components to ensure they can meet the power requirements of the intended system or setup.
4A - Rise Time
In electronics, when describing a voltage or current step function, rise time is the time taken by a signal to change from a specified low value to a specified high value.
200ns - Fall Time (Typ)
Fall Time (Typ) is a parameter used to describe the time it takes for a signal to transition from a high level to a low level in an electronic component, such as a transistor or an integrated circuit. It is typically measured in nanoseconds or microseconds and is an important characteristic that affects the performance of the component in digital circuits. A shorter fall time indicates faster switching speeds and can result in improved overall circuit performance, such as reduced power consumption and increased data transmission rates. Designers often consider the fall time specification when selecting components for their circuits to ensure proper functionality and efficiency.
200 ns - Collector Emitter Voltage (VCEO)
Collector-Emitter Voltage (VCEO) is a key parameter in electronic components, particularly in transistors. It refers to the maximum voltage that can be applied between the collector and emitter terminals of a transistor while the base terminal is open or not conducting. Exceeding this voltage limit can lead to breakdown and potential damage to the transistor. VCEO is crucial for ensuring the safe and reliable operation of the transistor within its specified limits. Designers must carefully consider VCEO when selecting transistors for a circuit to prevent overvoltage conditions that could compromise the performance and longevity of the component.
48V - Max Collector Current
Max Collector Current is a parameter used to specify the maximum amount of current that can safely flow through the collector terminal of a transistor or other electronic component without causing damage. It is typically expressed in units of amperes (A) and is an important consideration when designing circuits to ensure that the component operates within its safe operating limits. Exceeding the specified max collector current can lead to overheating, degradation of performance, or even permanent damage to the component. Designers must carefully consider this parameter when selecting components and designing circuits to ensure reliable and safe operation.
10A - Output Polarity
Output polarity in electronic components refers to the orientation of the output signal in relation to the ground or reference voltage. It indicates whether the output voltage is positive or negative with respect to the ground. Positive output polarity means the signal is higher than the ground potential, while negative output polarity signifies that the signal is lower than the ground. This characteristic is crucial for determining compatibility with other components in a circuit and ensuring proper signal processing.
TRUE - Release Time
In telecommunication, release time is the time interval for a circuit to respond when an enabling signal is discontinued
400 ns - Input Characteristics
In electronic components, "Input Characteristics" refer to the set of specifications that describe how the component behaves in response to signals or inputs applied to it. These characteristics typically include parameters such as input voltage, input current, input impedance, input capacitance, and input frequency range. Understanding the input characteristics of a component is crucial for designing circuits and systems, as it helps ensure compatibility and proper functioning. By analyzing these parameters, engineers can determine how the component will interact with the signals it receives and make informed decisions about its use in a particular application.
STANDARD - Voltage - Load
Voltage - Load refers to the voltage across a load component in an electronic circuit when it is connected and operational. It represents the electrical potential difference that drives current through the load, which can be a resistor, motor, or other devices that consume electrical power. The voltage - load relationship is crucial for determining how much power the load will utilize and how it will affect the overall circuit performance. Properly managing voltage - load is essential for ensuring devices operate efficiently and safely within their specified limits.
12V~48V - Fault Protection
Protection against electric shock under. single fault conditions.
Over Temperature - Rds On (Typ)
The parameter "Rds On (Typ)" in electronic components refers to the typical on-state resistance of a MOSFET (Metal-Oxide-Semiconductor Field-Effect Transistor) when it is fully conducting. This parameter indicates the resistance encountered by the current flowing through the MOSFET when it is in the on-state, which affects the power dissipation and efficiency of the component. A lower Rds On value indicates better conduction and lower power loss in the MOSFET. Designers often consider this parameter when selecting components for applications where minimizing power loss and maximizing efficiency are critical factors.
300m Ω - Built-in Protections
Built-in protections in electronic components refer to the safety features and mechanisms that are integrated into the component to prevent damage or malfunction in various situations. These protections are designed to safeguard the component from overvoltage, overcurrent, overheating, short circuits, and other potential hazards that could occur during operation. By having built-in protections, electronic components can operate more reliably and safely, extending their lifespan and reducing the risk of failure. These protections are essential for ensuring the overall performance and longevity of electronic devices and systems.
TRANSIENT; THERMAL - Motor Type
Motor Type in electronic components refers to the classification or categorization of motors based on their design, construction, and operating characteristics. This parameter helps in identifying the specific type of motor being used in a particular electronic device or system. Common motor types include DC motors, AC motors, stepper motors, servo motors, and brushless motors, each with its own unique features and applications. Understanding the motor type is crucial for selecting the right motor for a given application, as different types of motors have different performance characteristics, efficiency levels, and control requirements. It is important to consider the motor type when designing or troubleshooting electronic systems to ensure optimal performance and reliability.
Brushed - Load Type
Load Type in electronic components refers to the manner in which a load interacts with a circuit. It can be classified into different categories such as resistive, inductive, and capacitive loads. Each load type affects the circuit's performance, including voltage and current behavior, power factor, and overall efficiency. Understanding the load type is essential for optimizing circuit design and ensuring compatibility between components.
Inductive - Features
In the context of electronic components, the term "Features" typically refers to the specific characteristics or functionalities that a particular component offers. These features can vary depending on the type of component and its intended use. For example, a microcontroller may have features such as built-in memory, analog-to-digital converters, and communication interfaces like UART or SPI.When evaluating electronic components, understanding their features is crucial in determining whether they meet the requirements of a particular project or application. Engineers and designers often look at features such as operating voltage, speed, power consumption, and communication protocols to ensure compatibility and optimal performance.In summary, the "Features" parameter in electronic components describes the unique attributes and capabilities that differentiate one component from another, helping users make informed decisions when selecting components for their electronic designs.
Bootstrap Circuit - Height10.7mm
- Length19.6mm
- Width5mm
- REACH SVHC
The parameter "REACH SVHC" in electronic components refers to the compliance with the Registration, Evaluation, Authorization, and Restriction of Chemicals (REACH) regulation regarding Substances of Very High Concern (SVHC). SVHCs are substances that may have serious effects on human health or the environment, and their use is regulated under REACH to ensure their safe handling and minimize their impact.Manufacturers of electronic components need to declare if their products contain any SVHCs above a certain threshold concentration and provide information on the safe use of these substances. This information allows customers to make informed decisions about the potential risks associated with using the components and take appropriate measures to mitigate any hazards.Ensuring compliance with REACH SVHC requirements is essential for electronics manufacturers to meet regulatory standards, protect human health and the environment, and maintain transparency in their supply chain. It also demonstrates a commitment to sustainability and responsible manufacturing practices in the electronics industry.
No SVHC - Radiation Hardening
Radiation hardening is the process of making electronic components and circuits resistant to damage or malfunction caused by high levels of ionizing radiation, especially for environments in outer space (especially beyond the low Earth orbit), around nuclear reactors and particle accelerators, or during nuclear accidents or nuclear warfare.
No - RoHS Status
RoHS means “Restriction of Certain Hazardous Substances” in the “Hazardous Substances Directive” in electrical and electronic equipment.
ROHS3 Compliant - Lead Free
Lead Free is a term used to describe electronic components that do not contain lead as part of their composition. Lead is a toxic material that can have harmful effects on human health and the environment, so the electronics industry has been moving towards lead-free components to reduce these risks. Lead-free components are typically made using alternative materials such as silver, copper, and tin. Manufacturers must comply with regulations such as the Restriction of Hazardous Substances (RoHS) directive to ensure that their products are lead-free and environmentally friendly.
Lead Free
L6203 Functional Block Diagram
L6203 Supply Voltage

A Supply Voltage Range Between 9 and 18V
L6203 Short-circuit Across Output
L6203 Motor Driver Circuit
L6203 Applications
● Mini Sumo Robots
● Line Follower Robots
● Boostrap Capacitors
L6203 Package
L6203 Manufacturer
STMicroelectronics is one of the world’s largest semiconductor companies and is known for its broadest product portfolio in the industry. They are dedicated to developing semiconductor solutions for various microelectronics applications. STMicroelectronics enjoys unrivaled silicon and system expertise, strong manufacturing strength, IP portfolio, and solid relationships with their strategic partners. Based on these advantages, STMicroelectronics has become a pioneer in System-on-Chip (SoC) technology and its products have a positive effect in realizing today's convergence trends.
With diversified technologies, cutting-edge design capabilities, intellectual property portfolios, partner strategies, and efficient manufacturing capabilities, STMicroelectronics uses innovative semiconductor solutions The program provides services for customers in different electronic application fields.
Datasheet PDF
- Datasheets :
M6060P-E3/45 Schottky Rectifier: Datasheet, Pinout, Specifications18 August 2021429
MIC2951 Low-Dropout Voltage Regulator: Pinout, Equivalent and Datasheet09 March 20223193
IRF3710 N-Channel Power MOSFET: Equivalent, Datasheet, Pinout11 January 202215745
MMBT3904LT1G NPN Transistor: Datasheet, Circuits, and Marking Diagram20 August 20212393
STM32L083x8 STM32L083xB Microcontroller: Technical Overview and Applications29 February 2024141
PIC16F1776ISS Microcontroller Datasheet Overview29 February 2024162
CY8C24794 PSoC™ Microcontroller: In-Depth Technical Analysis29 February 202497
A Comprehensive Guide to the PIC18F4520IML Microcontroller29 February 2024296
Introduction to Types of Diodes20 October 202515967
Revolutionizing DC Link Bus Design: Unleashing High Frequency, High-Temperature Converter Potential11 July 20232798
Adopting GaN/Si MMIC in Space-based Applications14 June 20242380
What is Keyboard and How to Choose It?17 February 20226345
Blackstone acquires U.S. property investment group PS Business Parks for $7.6 billion19 May 20221111
Semiconductor Material Industry Guide21 January 20225915
Hybrid Sources Powered Electric Vehicles - Part 220 March 20232844
The U.S. Semiconductor Sector Faces Workforce Challenges Amidst Surging Demand27 November 20233432
STMicroelectronics
In Stock: 5645
Minimum: 1 Multiples: 1
Qty
Unit Price
Ext Price
1
$11.604630
$11.60
10
$10.947764
$109.48
100
$10.328080
$1,032.81
500
$9.743471
$4,871.74
1000
$9.191954
$9,191.95
Not the price you want? Send RFQ Now and we'll contact you ASAP.
Inquire for More Quantity


Product
Brand
Articles
Tools












