LM7805 Voltage regulator[Video+FAQ]: LM7805 vs LM2596
Fixed 2.54mm LM7805 PMIC TO-220-3
The 7805 Voltage Regulator IC is a commonly used voltage regulator that finds its application in most electronics projects. Today, we will walk you into the introduction of the popular Voltage regulator LM7805, you will learn its pinout, features, application, circuit diagram, and its differences with LM2596 and more.

Linear Voltage Regulators (LM7805) | AO #17
- LM7805 Overview
- LM7805 Pinout and Configurations
- Specifications
- LM7805 CAD Models
- LM7805 Applications
- LM7805 Functional Block Diagram
- LM7805 as +5V Voltage Regulator
- LM7805 as adjustable output Regulator
- LM7805 Functional Equivalents
- LM7805 vs LM2596
- LM7805 Package
- How to Safely Long Run in a Circuit
- Trend Analysis
- Datasheet PDF
- Parts with Similar Specs
LM7805 Overview
Voltage regulators are very common in electronic circuits. They provide a constant output voltage for a varied input voltage. In our case, the 7805 IC is an iconic regulator IC that finds its application in most projects. The name 7805 signifies two meanings, “78” means that it is a positive voltage regulator and “05” means that it provides 5V as output. So our 7805 will provide a +5V output voltage.
The output current of this IC can go up to 1.5A. But, the IC suffers from heavy heat loss hence a Heat sink is recommended for projects that consume more current. For example, if the input voltage is 12V and you are consuming 1A, then (12-5) * 1 = 7W. This 7 Watts will be dissipated as heat.
LM7805 Pinout and Configurations

| Pin Number | Pin Name | Description |
| 1 | Input (V+) | Unregulated Input Voltage |
| 2 | Ground (GND) | Connected to Ground |
| 3 | Output (Vo) | Outputs Regulated +5V |
Specifications
- TypeParameter
- Mount
In electronic components, the term "Mount" typically refers to the method or process of physically attaching or fixing a component onto a circuit board or other electronic device. This can involve soldering, adhesive bonding, or other techniques to secure the component in place. The mounting process is crucial for ensuring proper electrical connections and mechanical stability within the electronic system. Different components may have specific mounting requirements based on their size, shape, and function, and manufacturers provide guidelines for proper mounting procedures to ensure optimal performance and reliability of the electronic device.
Through Hole - Mounting Type
The "Mounting Type" in electronic components refers to the method used to attach or connect a component to a circuit board or other substrate, such as through-hole, surface-mount, or panel mount.
Through Hole - Package / Case
refers to the protective housing that encases an electronic component, providing mechanical support, electrical connections, and thermal management.
TO-220-3 - Number of Pins3
- Weight1.214g
- Operating Temperature
The operating temperature is the range of ambient temperature within which a power supply, or any other electrical equipment, operate in. This ranges from a minimum operating temperature, to a peak or maximum operating temperature, outside which, the power supply may fail.
-40°C~125°C - Packaging
Semiconductor package is a carrier / shell used to contain and cover one or more semiconductor components or integrated circuits. The material of the shell can be metal, plastic, glass or ceramic.
Tube - Published2014
- JESD-609 Code
The "JESD-609 Code" in electronic components refers to a standardized marking code that indicates the lead-free solder composition and finish of electronic components for compliance with environmental regulations.
e3 - Pbfree Code
The "Pbfree Code" parameter in electronic components refers to the code or marking used to indicate that the component is lead-free. Lead (Pb) is a toxic substance that has been widely used in electronic components for many years, but due to environmental concerns, there has been a shift towards lead-free alternatives. The Pbfree Code helps manufacturers and users easily identify components that do not contain lead, ensuring compliance with regulations and promoting environmentally friendly practices. It is important to pay attention to the Pbfree Code when selecting electronic components to ensure they meet the necessary requirements for lead-free applications.
yes - Part Status
Parts can have many statuses as they progress through the configuration, analysis, review, and approval stages.
Obsolete - Moisture Sensitivity Level (MSL)
Moisture Sensitivity Level (MSL) is a standardized rating that indicates the susceptibility of electronic components, particularly semiconductors, to moisture-induced damage during storage and the soldering process, defining the allowable exposure time to ambient conditions before they require special handling or baking to prevent failures
1 (Unlimited) - Number of Terminations3
- ECCN Code
An ECCN (Export Control Classification Number) is an alphanumeric code used by the U.S. Bureau of Industry and Security to identify and categorize electronic components and other dual-use items that may require an export license based on their technical characteristics and potential for military use.
EAR99 - Terminal Finish
Terminal Finish refers to the surface treatment applied to the terminals or leads of electronic components to enhance their performance and longevity. It can improve solderability, corrosion resistance, and overall reliability of the connection in electronic assemblies. Common finishes include nickel, gold, and tin, each possessing distinct properties suitable for various applications. The choice of terminal finish can significantly impact the durability and effectiveness of electronic devices.
Tin (Sn) - Terminal Position
In electronic components, the term "Terminal Position" refers to the physical location of the connection points on the component where external electrical connections can be made. These connection points, known as terminals, are typically used to attach wires, leads, or other components to the main body of the electronic component. The terminal position is important for ensuring proper connectivity and functionality of the component within a circuit. It is often specified in technical datasheets or component specifications to help designers and engineers understand how to properly integrate the component into their circuit designs.
SINGLE - Number of Functions1
- Terminal Pitch
The center distance from one pole to the next.
2.54mm - Current Rating
Current rating is the maximum current that a fuse will carry for an indefinite period without too much deterioration of the fuse element.
1A - Base Part Number
The "Base Part Number" (BPN) in electronic components serves a similar purpose to the "Base Product Number." It refers to the primary identifier for a component that captures the essential characteristics shared by a group of similar components. The BPN provides a fundamental way to reference a family or series of components without specifying all the variations and specific details.
LM7805 - Number of Outputs1
- Voltage - Input (Max)
Voltage - Input (Max) is a parameter in electronic components that specifies the maximum voltage that can be safely applied to the input of the component without causing damage. This parameter is crucial for ensuring the proper functioning and longevity of the component. Exceeding the maximum input voltage can lead to electrical overstress, which may result in permanent damage or failure of the component. It is important to carefully adhere to the specified maximum input voltage to prevent any potential issues and maintain the reliability of the electronic system.
35V - Output Voltage
Output voltage is a crucial parameter in electronic components that refers to the voltage level produced by the component as a result of its operation. It represents the electrical potential difference between the output terminal of the component and a reference point, typically ground. The output voltage is a key factor in determining the performance and functionality of the component, as it dictates the level of voltage that will be delivered to the connected circuit or load. It is often specified in datasheets and technical specifications to ensure compatibility and proper functioning within a given system.
5V - Output Type
The "Output Type" parameter in electronic components refers to the type of signal or data that is produced by the component as an output. This parameter specifies the nature of the output signal, such as analog or digital, and can also include details about the voltage levels, current levels, frequency, and other characteristics of the output signal. Understanding the output type of a component is crucial for ensuring compatibility with other components in a circuit or system, as well as for determining how the output signal can be utilized or processed further. In summary, the output type parameter provides essential information about the nature of the signal that is generated by the electronic component as its output.
Fixed - Max Output Current
The maximum current that can be supplied to the load.
1A - Output Configuration
Output Configuration in electronic components refers to the arrangement or setup of the output pins or terminals of a device. It defines how the output signals are structured and how they interact with external circuits or devices. The output configuration can determine the functionality and compatibility of the component in a circuit design. Common types of output configurations include single-ended, differential, open-drain, and push-pull configurations, each serving different purposes and applications in electronic systems. Understanding the output configuration of a component is crucial for proper integration and operation within a circuit.
Positive - Quiescent Current
The quiescent current is defined as the current level in the amplifier when it is producing an output of zero.
8mA - Accuracy
Accuracy in electronic components refers to the degree to which a measured value agrees with the true or accepted value. It evaluates the precision of a component in providing correct output or measurement under specified conditions. High accuracy indicates minimal deviation from the actual value, while low accuracy shows significant error in measurement. This parameter is crucial in applications where precise data is essential for reliable performance and decision-making.
4 % - Max Output Voltage
The maximum output voltage refers to the dynamic area beyond which the output is saturated in the positive or negative direction, and is limited according to the load resistance value.
5.2V - Output Voltage 1
Output Voltage 1 is a parameter commonly found in electronic components such as voltage regulators, power supplies, and amplifiers. It refers to the voltage level that is produced or delivered by the component at a specific output terminal or pin. This parameter is crucial for determining the performance and functionality of the component in a circuit. The specified output voltage should meet the requirements of the connected devices or components to ensure proper operation and compatibility. It is important to carefully consider and verify the output voltage 1 specification when selecting and using electronic components in a design or application.
5V - Number of Regulators
A regulator is a mechanism or device that controls something such as pressure, temperature, or fluid flow. The voltage regulator keeps the power level stabilized. A regulator is a mechanism or device that controls something such as pressure, temperature, or fluid flow.
1 - Min Input Voltage
The parameter "Min Input Voltage" in electronic components refers to the minimum voltage level that must be applied to the component for it to operate within its specified parameters. This value is crucial as providing a voltage below this minimum threshold may result in the component malfunctioning or not functioning at all. It is important to adhere to the specified minimum input voltage to ensure the proper operation and longevity of the electronic component. Failure to meet this requirement may lead to potential damage to the component or the overall system in which it is used.
7V - Protection Features
Protection features in electronic components refer to the built-in mechanisms or functionalities designed to safeguard the component and the overall system from various external factors or internal faults. These features are crucial for ensuring the reliability, longevity, and safety of the electronic device. Common protection features include overvoltage protection, overcurrent protection, reverse polarity protection, thermal protection, and short-circuit protection. By activating these features when necessary, the electronic component can prevent damage, malfunctions, or hazards that may arise from abnormal operating conditions or unforeseen events. Overall, protection features play a vital role in enhancing the robustness and resilience of electronic components in diverse applications.
Over Temperature, Short Circuit - Voltage Dropout (Max)
Voltage Dropout (Max) refers to the minimum voltage difference between the input and output of a voltage regulator or linear power supply needed to maintain proper regulation. It indicates the maximum allowable voltage drop across the device for it to function effectively without dropout. If the input voltage falls below this threshold, the output voltage may drop below the specified level, leading to potential operational issues for connected components. This parameter is critical for ensuring stable and reliable power delivery in electronic circuits.
2V @ 1A Typ - PSRR
PSRR stands for Power Supply Rejection Ratio. It is a measure of how well a device, such as an amplifier or a voltage regulator, can reject variations in the power supply voltage. A high PSRR value indicates that the device is able to maintain its performance even when the power supply voltage fluctuates. This parameter is important in ensuring stable and reliable operation of electronic components, especially in applications where the power supply voltage may not be perfectly regulated. A good PSRR helps to minimize noise and interference in the output signal of the device.
73dB (120Hz) - Dropout Voltage
Dropout voltage is the input-to-output differential voltage at which the circuit ceases to regulate against further reductions in input voltage; this point occurs when the input voltage approaches the output voltage.
2V - Dropout Voltage1-Nom
Dropout Voltage1-Nom is a parameter commonly found in voltage regulators and power management ICs. It refers to the minimum voltage difference required between the input voltage and the output voltage for the regulator to maintain regulation. In other words, it is the minimum voltage drop that the regulator can handle while still providing a stable output voltage. This parameter is important to consider when designing power supply circuits to ensure that the regulator can operate within its specified voltage range and maintain proper regulation under varying load conditions.
2V - Min Output Voltage
Min Output Voltage refers to the lowest voltage level that an electronic component, such as a voltage regulator or power supply, can provide reliably under specified conditions. It indicates the minimum threshold required for proper operation of connected devices. Operating below this voltage may lead to device malfunction or failure to operate as intended.
5V - Power Supply Rejection Ratio (PSRR)
Power Supply Rejection Ratio (PSRR) is a measure of how well an electronic component, such as an operational amplifier or voltage regulator, can reject changes in its supply voltage. It indicates the ability of the component to maintain a stable output voltage despite fluctuations in the input supply voltage. A higher PSRR value signifies better performance in rejecting noise and variations from the power supply, leading to improved signal integrity and more reliable operation in electronic circuits. PSRR is typically expressed in decibels (dB).
73dB - Voltage Tolerance-Max
Voltage Tolerance-Max is a parameter in electronic components that specifies the maximum allowable deviation from the rated voltage without causing damage or malfunction. It indicates the range within which the component can safely operate without being affected by voltage fluctuations. This parameter is crucial for ensuring the reliability and longevity of the component in various electrical systems. Manufacturers provide this specification to help users understand the limits within which the component can function properly and to prevent potential failures due to overvoltage conditions.
5% - Nominal Output Voltage
Nominal Output Voltage refers to the specified or intended voltage level that an electronic component or device is designed to provide as output under normal operating conditions. It is a crucial parameter that indicates the expected voltage level that the component will deliver to the connected circuit or load. This value is typically specified by the manufacturer and is important for ensuring proper functionality and compatibility within a system. It is important to note that the actual output voltage may vary slightly due to factors such as load variations, temperature changes, and other environmental conditions.
5V - Output Voltage Accuracy
Output voltage accuracy is a crucial parameter in electronic components, especially in devices like voltage regulators and power supplies. It refers to how closely the actual output voltage matches the specified or desired voltage level. This parameter is typically expressed as a percentage of the nominal output voltage. A higher accuracy value indicates that the output voltage is more consistent and reliable, which is important for ensuring proper functioning of electronic circuits and devices. Manufacturers often provide specifications for output voltage accuracy to help users select components that meet their requirements for precision and performance.
4 % - Height16.3mm
- Length10.67mm
- Width4.7mm
- REACH SVHC
The parameter "REACH SVHC" in electronic components refers to the compliance with the Registration, Evaluation, Authorization, and Restriction of Chemicals (REACH) regulation regarding Substances of Very High Concern (SVHC). SVHCs are substances that may have serious effects on human health or the environment, and their use is regulated under REACH to ensure their safe handling and minimize their impact.Manufacturers of electronic components need to declare if their products contain any SVHCs above a certain threshold concentration and provide information on the safe use of these substances. This information allows customers to make informed decisions about the potential risks associated with using the components and take appropriate measures to mitigate any hazards.Ensuring compliance with REACH SVHC requirements is essential for electronics manufacturers to meet regulatory standards, protect human health and the environment, and maintain transparency in their supply chain. It also demonstrates a commitment to sustainability and responsible manufacturing practices in the electronics industry.
No SVHC - Radiation Hardening
Radiation hardening is the process of making electronic components and circuits resistant to damage or malfunction caused by high levels of ionizing radiation, especially for environments in outer space (especially beyond the low Earth orbit), around nuclear reactors and particle accelerators, or during nuclear accidents or nuclear warfare.
No - RoHS Status
RoHS means “Restriction of Certain Hazardous Substances” in the “Hazardous Substances Directive” in electrical and electronic equipment.
RoHS Compliant - Lead Free
Lead Free is a term used to describe electronic components that do not contain lead as part of their composition. Lead is a toxic material that can have harmful effects on human health and the environment, so the electronics industry has been moving towards lead-free components to reduce these risks. Lead-free components are typically made using alternative materials such as silver, copper, and tin. Manufacturers must comply with regulations such as the Restriction of Hazardous Substances (RoHS) directive to ensure that their products are lead-free and environmentally friendly.
Lead Free
LM7805 CAD Models
Symbol

Footprint

3D Models


LM7805 Applications
Constant +5V output regulator to power microcontrollers and sensors in most of the projects
Adjustable Output Regulator
Current Limiter for certain applications
Regulated Dual Supply
Output Polarity-Reversal-Protection Circuit
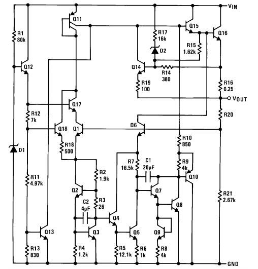
LM7805 Functional Block Diagram

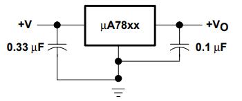
LM7805 as +5V Voltage Regulator
This is a typical application circuit of the 7805 IC. We just need two capacitors of vale 33uf and 0.1uf to get this IC working.

The input capacitor 0.33uF is a ceramic capacitor that deals with the input inductance problem and the output capacitor 0.1uF is also a ceramic capacitor that adds to the stability of the circuit. These capacitors should be placed close to the terminals for them to work effectively. Also, they should be of the ceramic type since ceramic capacitors are faster than electrolytic.
LM7805 as adjustable output Regulator
This IC can also act as an adjustable output voltage regulator, meaning you can also control the output voltage for your desired value using the below circuit.

Here, the input voltage can be anywhere between 9V-25V, and the output voltage can be adjusted using the value of resistance R1 and R2. The value can be calculated using the below formulate.

Where, Vxx=5, IQ = 5*10-3
LM7805 Functional Equivalents
| Part Number | Description | Manufacturer |
| LM7805A-220MR1POWER CIRCUITS | 5V FIXED POSITIVE REGULATOR, PSFM3, METAL, TO-220, 3 PIN | TT Electronics Power and Hybrid / Semelab Limited |
| LM7805A-220MPOWER CIRCUITS | Fixed Positive Standard Regulator, 5VPSFM3, METAL, TO-220, 3 PIN | TT Electronics Resistors |
| LM340T-5POWER CIRCUITS | Fixed Positive Standard Regulator, 5VBIPolar, PSFM3, PLASTIC, SFM-3 | Motorola Semiconductor Products |
| UA7805CKCSPOWER CIRCUITS | 5V FIXED POSITIVE REGULATOR, PSFM3, ROHS COMPLIANT, PLASTIC, TO-220, 3 PIN | Rochester Electronics LLC |
| MC7805AECTPOWER CIRCUITS | Fixed Positive Standard Regulator, 5VBIPolar, TO-220, 3 PIN | Fairchild Semiconductor Corporation |
| MC7805ECTPOWER CIRCUITS | Fixed Positive Standard Regulator, 5VBIPolar, TO-220, 3 PIN | Fairchild Semiconductor Corporation |
| MC7805ACTBUPOWER CIRCUITS | Fixed Positive Standard Regulator, 5VBIPolar, PSFM3, TO-220, 3 PIN | Fairchild Semiconductor Corporation |
| MC7805CT-BP-HFPOWER CIRCUITS | Fixed Positive Standard Regulator | Micro Commercial Components |
| UPC7805AHF-AZPOWER CIRCUITS | Fixed Positive Standard Regulator, 5VBIPolar, PSFM3, ISOLATED, PLASTIC, TO-220, SIP-3 | NEC Electronics America Inc |
| KA7805TSTUPOWER CIRCUITS | Fixed Positive Standard Regulator, 5VPSFM3, TO-220, 3 PIN | Fairchild Semiconductor Corporation |
LM7805 vs LM2596
Comparison of Specifications
LM7805 is a Linear Regulator whereas LM2596 is a Switch Mode Power Supply (Buck Converter). The biggest disadvantage of LM7805 over LM2596 is the inefficiency. To understand this we'll do a simple calculation. We'll take an application of a 20V input and a 10Ohms load resistor.
LM7805 Package
How to Safely Long Run in a Circuit
For stable and long term performance it is suggested to not operate load more than 1.5A, always use a suitable heatsink with it, always check pinout before using in your application, and do not operate in temperatures below 0degrees Celsius and above +125 degrees Celsius and always store in temperature above -65 degree Celsius and below +150 degree Celsius.
Trend Analysis
Datasheet PDF
- Datasheets :
- PCN Obsolescence/ EOL :
- PCN Design/Specification :
- PCN Packaging :
Parts with Similar Specs
- ImagePart NumberManufacturerPackage / CaseNumber of PinsNumber of OutputsMax Output CurrentMin Input VoltageVoltage - Input (Max)Min Output VoltageNominal Output VoltageOutput VoltageAccuracyDropout VoltageView Compare
LM7805CT
TO-220-3
3
1
1 A
7 V
35V
5 V
5 V
5 V
4 %
2 V
TO-220-3
3
1
1 A
7 V
35V
-
5 V
5 V
4 %
2 V
TO-220-3
3
1
1 A
8 V
35V
-
-
6 V
4 %
2 V
TO-220-3
3
1
1 A
7 V
35V
5 V
5 V
5 V
4 %
2 V
TO-220-3
3
1
1 A
35 V
40V
-
-
24 V
2 %
2 V
What is LM in LM7805?
A prefix is given by the manufacturer to identify the version. The prefix LM stands for linear monolithic. LM series was firstly manufactured by National Semiconductor & the first time prefix LM was given for linear ICs.
What does 7805 stand for?
7805 in LM7805 signifies two meanings- “78” means that it is a positive voltage regulator. It produces a voltage that has a positive magnitude with respect to the ground. “05” represents its output voltage value.
What’s LM7805 Maximum input voltage?
25v
What’s LM7805 output current?
1.5A
How many pins does LM7805 have?
3
AD7524: A High-Performance Digital to Analog Converter for Precise Signal Conversion05 March 2024269
STM32H573I-DK Discovery Kit: ARM Cortex-M33 Development Board for IoT02 July 2025252
L78S05CV: 35V, Heatsink, Pinout and Datasheet24 February 20221298
A Comprehensive Guide to OP15EH Operational Amplifier06 March 2024105
BTA41600B Triacs: Circuits, Pinout, and Datasheet [Video&FAQ]16 December 202125472
Features and Applications of the STM32F429I-DISC1 Board23 July 2025548
How to Fix Issues with the STM32F091RCT6 Step by Step24 July 2025283
Exploring the Silicon Labs EFM8LB12F64ECQFN32 Microcontroller: A Comprehensive Analysis29 February 2024144
How Many Types of Inverters are There?28 March 202217437
Semiconductor Inspection System Market Expected to Reach US$ 8,380.01 Million By 203015 September 20233658
The Complete Guide to DC-DC Converters24 May 20251582
Enhancing the Efficiency of Semiconductors by Using the Spin of Electrons11 February 20251151
Will This Be the World's Lowest-Power MCU?21 April 20221267
What is a Switched Reluctance Motor?09 July 20248032
Introduction to Reluctance Motor08 March 20215645
How to Choose the Best Deep Cycle Battery in 2024 | Reviews and Buying Guide21 July 20252460
ON Semiconductor
In Stock: 1
United States
China
Canada
Japan
Russia
Germany
United Kingdom
Singapore
Italy
Hong Kong(China)
Taiwan(China)
France
Korea
Mexico
Netherlands
Malaysia
Austria
Spain
Switzerland
Poland
Thailand
Vietnam
India
United Arab Emirates
Afghanistan
Åland Islands
Albania
Algeria
American Samoa
Andorra
Angola
Anguilla
Antigua & Barbuda
Argentina
Armenia
Aruba
Australia
Azerbaijan
Bahamas
Bahrain
Bangladesh
Barbados
Belarus
Belgium
Belize
Benin
Bermuda
Bhutan
Bolivia
Bonaire, Sint Eustatius and Saba
Bosnia & Herzegovina
Botswana
Brazil
British Indian Ocean Territory
British Virgin Islands
Brunei
Bulgaria
Burkina Faso
Burundi
Cabo Verde
Cambodia
Cameroon
Cayman Islands
Central African Republic
Chad
Chile
Christmas Island
Cocos (Keeling) Islands
Colombia
Comoros
Congo
Congo (DRC)
Cook Islands
Costa Rica
Côte d’Ivoire
Croatia
Cuba
Curaçao
Cyprus
Czechia
Denmark
Djibouti
Dominica
Dominican Republic
Ecuador
Egypt
El Salvador
Equatorial Guinea
Eritrea
Estonia
Eswatini
Ethiopia
Falkland Islands
Faroe Islands
Fiji
Finland
French Guiana
French Polynesia
Gabon
Gambia
Georgia
Ghana
Gibraltar
Greece
Greenland
Grenada
Guadeloupe
Guam
Guatemala
Guernsey
Guinea
Guinea-Bissau
Guyana
Haiti
Honduras
Hungary
Iceland
Indonesia
Iran
Iraq
Ireland
Isle of Man
Israel
Jamaica
Jersey
Jordan
Kazakhstan
Kenya
Kiribati
Kosovo
Kuwait
Kyrgyzstan
Laos
Latvia
Lebanon
Lesotho
Liberia
Libya
Liechtenstein
Lithuania
Luxembourg
Macao(China)
Madagascar
Malawi
Maldives
Mali
Malta
Marshall Islands
Martinique
Mauritania
Mauritius
Mayotte
Micronesia
Moldova
Monaco
Mongolia
Montenegro
Montserrat
Morocco
Mozambique
Myanmar
Namibia
Nauru
Nepal
New Caledonia
New Zealand
Nicaragua
Niger
Nigeria
Niue
Norfolk Island
North Korea
North Macedonia
Northern Mariana Islands
Norway
Oman
Pakistan
Palau
Palestinian Authority
Panama
Papua New Guinea
Paraguay
Peru
Philippines
Pitcairn Islands
Portugal
Puerto Rico
Qatar
Réunion
Romania
Rwanda
Samoa
San Marino
São Tomé & Príncipe
Saudi Arabia
Senegal
Serbia
Seychelles
Sierra Leone
Sint Maarten
Slovakia
Slovenia
Solomon Islands
Somalia
South Africa
South Sudan
Sri Lanka
St Helena, Ascension, Tristan da Cunha
St. Barthélemy
St. Kitts & Nevis
St. Lucia
St. Martin
St. Pierre & Miquelon
St. Vincent & Grenadines
Sudan
Suriname
Svalbard & Jan Mayen
Sweden
Syria
Tajikistan
Tanzania
Timor-Leste
Togo
Tokelau
Tonga
Trinidad & Tobago
Tunisia
Turkey
Turkmenistan
Turks & Caicos Islands
Tuvalu
U.S. Outlying Islands
U.S. Virgin Islands
Uganda
Ukraine
Uruguay
Uzbekistan
Vanuatu
Vatican City
Venezuela
Wallis & Futuna
Yemen
Zambia
Zimbabwe


Product
Brand
Articles
Tools













