LTC3305IFE#PBF Battery Balancer: Pinout, Features and Datasheet [FAQ & Video]
IC BATTERY BALANCER
The LTC3305 balances up to 4 lead-acid batteries connected in series. It is intended to be used in conjunction with a separate pre-existing battery charger as part of a high performance battery system. This article will introduce LTC3305IFE#PBF systematically from its features, pinout to its specifications, applications, also including LTC3305IFE#PBF datasheet and so much more. Furthermore, Huge range of Semiconductors, Capacitors, Resistors and IcS in stock. Welcome RFQ.

Lead Acid Battery Balancer
- LTC3305IFE#PBF Pinout
- LTC3305IFE#PBF CAD Models
- LTC3305IFE#PBF Description
- LTC3305IFE#PBF Features
- Specifications
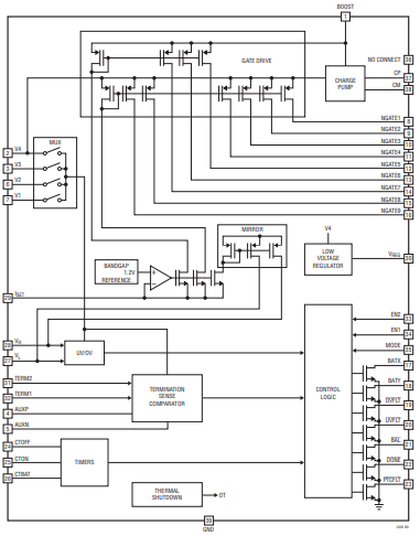
- LTC3305IFE#PBF Functional Block Diagram
- Parts with Similar Specs
- LTC3305IFE#PBF Applications
- LTC3305IFE#PBF Using Warning
- LTC3305IFE#PBF Package
- LTC3305IFE#PBF Recommended Solder Pad Layout
- LTC3305IFE#PBF Manufacturer
- Datasheet PDF
LTC3305IFE#PBF Pinout
The following figure is the diagram of LTC3305IFE#PBF Pinout.

Pinout
LTC3305IFE#PBF CAD Models
The following is the Footprint of LTC3305IFE#PBF.

Footprint
LTC3305IFE#PBF Description
The LTC3305 balances up to 4 lead-acid batteries connected in series. It is intended to be used in conjunction with a separate pre-existing battery charger as part of a high performance battery system. All voltage monitoring, gate drive, and fault detection circuitry is integrated.
The LTC3305 employs an auxiliary battery or an alternative storage cell to transfer charge to or from each individual battery in the stack. A mode pin provides two operating modes, timer mode and continuous mode. In timer mode, once the balancing operation is completed, the LTC3305 goes into a low power state for a programmed time and then periodically rebalances the batteries. In continuous mode, the balancing operation continues even after the batteries are balanced to their programmed termination voltage. The LTC3305 is available in a thermally enhanced 38-lead TSSOP package.
This article provides you with a basic overview of the LTC3305IFE#PBF Battery Balancer, including its pin descriptions, features and specifications, etc., to help you quickly understand what LTC3305IFE#PBF is.
LTC3305IFE#PBF Features
● Single IC Balances Up to Four 12V Lead-Acid Batteries in Series
● All NFET Design
● Stackable to Balance Larger Series Battery Packs
● Standalone Balancing Operation: Requires No External μP or Additional Control Circuitry
● Balancing Current Limited by External PTC Thermistor
● Continuous Mode and Timer Mode
● Programmable UV and OV Fault Thresholds
● Programmable Termination Time and Termination Voltage
● Thermally Enhanced 38-Lead TSSOP Package
Specifications
- TypeParameter
- Lifecycle Status
Lifecycle Status refers to the current stage of an electronic component in its product life cycle, indicating whether it is active, obsolete, or transitioning between these states. An active status means the component is in production and available for purchase. An obsolete status indicates that the component is no longer being manufactured or supported, and manufacturers typically provide a limited time frame for support. Understanding the lifecycle status is crucial for design engineers to ensure continuity and reliability in their projects.
PRODUCTION (Last Updated: 1 month ago) - Factory Lead Time10 Weeks
- Mounting Type
The "Mounting Type" in electronic components refers to the method used to attach or connect a component to a circuit board or other substrate, such as through-hole, surface-mount, or panel mount.
Surface Mount - Package / Case
refers to the protective housing that encases an electronic component, providing mechanical support, electrical connections, and thermal management.
38-TFSOP (0.173, 4.40mm Width) Exposed Pad - Number of Pins38
- Operating Temperature
The operating temperature is the range of ambient temperature within which a power supply, or any other electrical equipment, operate in. This ranges from a minimum operating temperature, to a peak or maximum operating temperature, outside which, the power supply may fail.
-40°C~125°C TJ - Packaging
Semiconductor package is a carrier / shell used to contain and cover one or more semiconductor components or integrated circuits. The material of the shell can be metal, plastic, glass or ceramic.
Tube - Published2015
- Part Status
Parts can have many statuses as they progress through the configuration, analysis, review, and approval stages.
Active - Moisture Sensitivity Level (MSL)
Moisture Sensitivity Level (MSL) is a standardized rating that indicates the susceptibility of electronic components, particularly semiconductors, to moisture-induced damage during storage and the soldering process, defining the allowable exposure time to ambient conditions before they require special handling or baking to prevent failures
1 (Unlimited) - Base Part Number
The "Base Part Number" (BPN) in electronic components serves a similar purpose to the "Base Product Number." It refers to the primary identifier for a component that captures the essential characteristics shared by a group of similar components. The BPN provides a fundamental way to reference a family or series of components without specifying all the variations and specific details.
LTC3305 - Function
The parameter "Function" in electronic components refers to the specific role or purpose that the component serves within an electronic circuit. It defines how the component interacts with other elements, influences the flow of electrical signals, and contributes to the overall behavior of the system. Functions can include amplification, signal processing, switching, filtering, and energy storage, among others. Understanding the function of each component is essential for designing effective and efficient electronic systems.
Battery Balancer - Max Supply Voltage
In general, the absolute maximum common-mode voltage is VEE-0.3V and VCC+0.3V, but for products without a protection element at the VCC side, voltages up to the absolute maximum rated supply voltage (i.e. VEE+36V) can be supplied, regardless of supply voltage.
64V - Output Current
The rated output current is the maximum load current that a power supply can provide at a specified ambient temperature. A power supply can never provide more current that it's rated output current unless there is a fault, such as short circuit at the load.
10A - Fault Protection
Protection against electric shock under. single fault conditions.
Over Current, Over Temperature - Battery Chemistry
A battery is a device that stores chemical energy, and converts it to electricity. This is known as electrochemistry and the system that underpins a battery is called an electrochemical cell. A battery can be made up of one or several (like in Volta's original pile) electrochemical cells.
Lead Acid - Number of Cells1 ~ 4
- REACH SVHC
The parameter "REACH SVHC" in electronic components refers to the compliance with the Registration, Evaluation, Authorization, and Restriction of Chemicals (REACH) regulation regarding Substances of Very High Concern (SVHC). SVHCs are substances that may have serious effects on human health or the environment, and their use is regulated under REACH to ensure their safe handling and minimize their impact.Manufacturers of electronic components need to declare if their products contain any SVHCs above a certain threshold concentration and provide information on the safe use of these substances. This information allows customers to make informed decisions about the potential risks associated with using the components and take appropriate measures to mitigate any hazards.Ensuring compliance with REACH SVHC requirements is essential for electronics manufacturers to meet regulatory standards, protect human health and the environment, and maintain transparency in their supply chain. It also demonstrates a commitment to sustainability and responsible manufacturing practices in the electronics industry.
No SVHC - RoHS Status
RoHS means “Restriction of Certain Hazardous Substances” in the “Hazardous Substances Directive” in electrical and electronic equipment.
ROHS3 Compliant
LTC3305IFE#PBF Functional Block Diagram
The following is the Block Diagram of LTC3305IFE#PBF.

Block Diagram
Parts with Similar Specs
- ImagePart NumberManufacturerPackage / CaseNumber of PinsMax Supply VoltageRoHS StatusMounting TypePart StatusTerminal PitchPbfree CodeView Compare
LTC3305IFE#PBF
38-TFSOP (0.173, 4.40mm Width) Exposed Pad
38
64 V
ROHS3 Compliant
Surface Mount
Active
-
-
38-TFSOP (0.173, 4.40mm Width)
38
46 V
ROHS3 Compliant
Surface Mount
Active
0.5 mm
yes
38-TFSOP (0.173, 4.40mm Width)
38
3.6 V
ROHS3 Compliant
Surface Mount
Active
0.5 mm
yes
38-TFSOP (0.173, 4.40mm Width)
38
25 V
ROHS3 Compliant
Surface Mount
Active
0.5 mm
yes
38-TFSOP (0.173, 4.40mm Width)
38
72 V
ROHS3 Compliant
Surface Mount
Active
0.5 mm
yes
LTC3305IFE#PBF Applications
● Telecom Backup Systems
● Home Battery Powered Backup Systems
● Industrial Electric Vehicles
● Energy Storage Systems (ESS)
● Medical Equipment
LTC3305IFE#PBF Using Warning
Note: Please check their parameters and pin configuration before replacing them in your circuit.
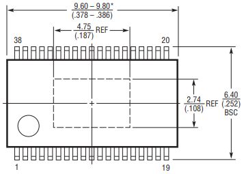
LTC3305IFE#PBF Package
The following diagrams show the LTC3305IFE#PBF Package.

View A

View B

View C
LTC3305IFE#PBF Recommended Solder Pad Layout
The following diagram shows the LTC3305IFE#PBF Recommended Solder Pad Layout.

Recommended Solder Pad Layout
LTC3305IFE#PBF Manufacturer
Linear Technology Corporation, a member of the S&P 500, has been designing, manufacturing and marketing a broad line of high performance analog integrated circuits for major companies worldwide for three decades. The Company's products provide an essential bridge between our analog world and the digital electronics in communications, networking, industrial, automotive, computer, medical, instrumentation, consumer, and military and aerospace systems. Linear Technology produces power management, data conversion, signal conditioning, RF and interface ICs, µModule subsystems, and wireless sensor network products.
Datasheet PDF
- Datasheets :
- ConflictMineralStatement :
How many pins of LTC3305IFE#PBF?
38 Pins.
What’s the operating temperature of LTC3305IFE#PBF?
-40°C~125°C TJ.
Do lead-acid batteries need balancing?
Without proper protection, may cause an excessive discharge of lead-acid batteries for early damage. Therefore, lead-acid battery module requires a simple balance circuit to improve battery life in order to avoid over-voltage or under-voltage condition occurs.
What does a battery balancer do?
The Battery Balancer's role is to balance the battery voltage of the battery pack, make all the battery voltage to be same or similar, When the battery is in charge or discharge, all the batteries can reach the same charging limit voltage or discharge cut-off voltage at the same time.
Is battery balancing necessary?
Balancing is only necessary for packs that contain more than one cell in series. Parallel cells will naturally balance since they are directly connected to each other, but groups of parallel wired cells, wired in series (parallel-series wiring) must be balanced between cell groups.
MPU6050 Module: Datasheet, Alternative, Comparison19 August 202119558
SI4133 Integrated Circuit: Pinout, Features and Datasheet24 December 20211073
Guide to the STMicroelectronics STM32F100VCT6B Microcontroller07 June 2025252
STMPE811QTR S-Touch 8-bit GPIO expander QFN16: 3D Model, Datasheet, and Application17 January 2022298
SG3525A PWM Controller: Pinout, Equivalent and Datasheet25 October 202113261
AD558: A Versatile Digital to Analog Converter for Precise Voltage Output06 March 2024361
TPS1H200AQDGNRQ1 High-Side Switch: Diagram, Pinout, and Datasheet30 March 20222107
STM32F407VET6 ARM® Cortex®-M4 series Microcontroller IC 32-Bit: Pinout, Block Diagram, and Datasheet30 March 20226289
A Guide to the Best AG13 Battery Substitutes27 May 20251632
Does the Terminal Resistance of the CAN Bus Have to be 120Ω?19 April 202234590
What Makes Tube and Solid-State Audio Amplifiers Different14 July 2025901
How much do you know about HDMI Cable?28 October 20214818
GenAI Boosts Semiconductor Market with First Revenue Increase in Five Quarters25 March 20243789
LDR/Light Dependent Resistor: Working Principle, Types and Applications19 January 202628471
HIKSEMI Authorized Distributor | UTMEL Electronics15 November 20233659
Working Principle and Types of Electric Fuse16 January 202615503
Linear Technology/Analog Devices
In Stock: 28
United States
China
Canada
Japan
Russia
Germany
United Kingdom
Singapore
Italy
Hong Kong(China)
Taiwan(China)
France
Korea
Mexico
Netherlands
Malaysia
Austria
Spain
Switzerland
Poland
Thailand
Vietnam
India
United Arab Emirates
Afghanistan
Åland Islands
Albania
Algeria
American Samoa
Andorra
Angola
Anguilla
Antigua & Barbuda
Argentina
Armenia
Aruba
Australia
Azerbaijan
Bahamas
Bahrain
Bangladesh
Barbados
Belarus
Belgium
Belize
Benin
Bermuda
Bhutan
Bolivia
Bonaire, Sint Eustatius and Saba
Bosnia & Herzegovina
Botswana
Brazil
British Indian Ocean Territory
British Virgin Islands
Brunei
Bulgaria
Burkina Faso
Burundi
Cabo Verde
Cambodia
Cameroon
Cayman Islands
Central African Republic
Chad
Chile
Christmas Island
Cocos (Keeling) Islands
Colombia
Comoros
Congo
Congo (DRC)
Cook Islands
Costa Rica
Côte d’Ivoire
Croatia
Cuba
Curaçao
Cyprus
Czechia
Denmark
Djibouti
Dominica
Dominican Republic
Ecuador
Egypt
El Salvador
Equatorial Guinea
Eritrea
Estonia
Eswatini
Ethiopia
Falkland Islands
Faroe Islands
Fiji
Finland
French Guiana
French Polynesia
Gabon
Gambia
Georgia
Ghana
Gibraltar
Greece
Greenland
Grenada
Guadeloupe
Guam
Guatemala
Guernsey
Guinea
Guinea-Bissau
Guyana
Haiti
Honduras
Hungary
Iceland
Indonesia
Iran
Iraq
Ireland
Isle of Man
Israel
Jamaica
Jersey
Jordan
Kazakhstan
Kenya
Kiribati
Kosovo
Kuwait
Kyrgyzstan
Laos
Latvia
Lebanon
Lesotho
Liberia
Libya
Liechtenstein
Lithuania
Luxembourg
Macao(China)
Madagascar
Malawi
Maldives
Mali
Malta
Marshall Islands
Martinique
Mauritania
Mauritius
Mayotte
Micronesia
Moldova
Monaco
Mongolia
Montenegro
Montserrat
Morocco
Mozambique
Myanmar
Namibia
Nauru
Nepal
New Caledonia
New Zealand
Nicaragua
Niger
Nigeria
Niue
Norfolk Island
North Korea
North Macedonia
Northern Mariana Islands
Norway
Oman
Pakistan
Palau
Palestinian Authority
Panama
Papua New Guinea
Paraguay
Peru
Philippines
Pitcairn Islands
Portugal
Puerto Rico
Qatar
Réunion
Romania
Rwanda
Samoa
San Marino
São Tomé & Príncipe
Saudi Arabia
Senegal
Serbia
Seychelles
Sierra Leone
Sint Maarten
Slovakia
Slovenia
Solomon Islands
Somalia
South Africa
South Sudan
Sri Lanka
St Helena, Ascension, Tristan da Cunha
St. Barthélemy
St. Kitts & Nevis
St. Lucia
St. Martin
St. Pierre & Miquelon
St. Vincent & Grenadines
Sudan
Suriname
Svalbard & Jan Mayen
Sweden
Syria
Tajikistan
Tanzania
Timor-Leste
Togo
Tokelau
Tonga
Trinidad & Tobago
Tunisia
Turkey
Turkmenistan
Turks & Caicos Islands
Tuvalu
U.S. Outlying Islands
U.S. Virgin Islands
Uganda
Ukraine
Uruguay
Uzbekistan
Vanuatu
Vatican City
Venezuela
Wallis & Futuna
Yemen
Zambia
Zimbabwe


Product
Brand
Articles
Tools





















