MIC2563A PCMCIA Switch: Pinout, Equivalent and Datasheet
N-Channel PMIC MIC2563A 28 Pin 28-SSOP (0.209, 5.30mm Width)
The MIC2563A dual-slot PCMCIA (Personal Computer Memory Card International Association) and CardBus power controller handles all PC Card slot power supply pins, both Vcc and Vpp. Furthermore, Huge range of Semiconductors, Capacitors, Resistors and IcS in stock. Welcome RFQ.
MIC2563A Pinout
The following figure is the diagram of MIC2563A pinout.

Pinout
MIC2563A CAD Model
The following is the Footprint of MIC2563A.

Footprint
MIC2563A Description
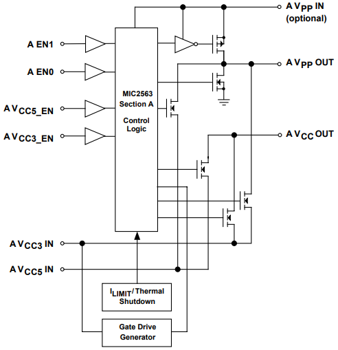
The MIC2563A dual-slot PCMCIA (Personal Computer Memory Card International Association) and CardBus power controller handles all PC Card slot power supply pins, both Vcc and Vpp. The MIC2563A switches between the three Vcc voltages (0V, 3.3V and 5.0V) and the Vpp voltages (OFF, 0V, 3.3V, 5V or12.0V) required by PC Cards. The MIC2563A switches voltages from the system power supply to Vcc and Vpp. Output voltage is selected by two digital inputs each and output current ranges up to 1A for Vcc and 250mA for Vpp.
The MIC2563A provides power management capability controlled by the PC Card logic controller. Voltage rise and fall times are well controlled. Medium current Vpp and high current Vcc output switches are self-biasing: no +12V supply is required for 3.3V or 5V output. The MIC2563A is designed for efficient operation. In standby (sleep) mode, the device draws very little quiescent current, typically 0.3μA. The device and PCMCIA port is protected by current limiting and overtemperature shutdown. Full crossconduction lockout protects the system power supplies during switching operations. The MIC2563A is an improved version of the MIC2563, offering lower on-resistances and a Vcc pull-down clamp in the OFF mode. It is available in a standard 28-pin SSOP, as well as an environmentally friendly (lead-free) 28-pin SSOP.
This article will introduce MIC2563A systematically from its features, pinout to its specifications, applications, also including MIC2563A datasheet and so much more.
MIC2563A Features
● Single package controls two PC Card slots
● High-efficiency, low-resistance switches require no 12V bias supply
● No external components required
● Output current limit and overtemperature shutdown
● Ultra-low power consumption
● Complete dual-slot PC Card/CardBus Vcc and Vpp switch matrix in a single package
● Logic compatible with industry standard PC Card logic controllers
● No voltage shoot through or switching transients
● Break-before-make switching
● Digital selection of Vcc and Vpp voltages
● Over 1A Vcc output current for each section
● Over 250mA Vpp output current for each section
● Lead-free 28-pin SSOP package
● UL recognized, file #179633
Specifications
- TypeParameter
- Factory Lead Time7 Weeks
- Mounting Type
The "Mounting Type" in electronic components refers to the method used to attach or connect a component to a circuit board or other substrate, such as through-hole, surface-mount, or panel mount.
Surface Mount - Package / Case
refers to the protective housing that encases an electronic component, providing mechanical support, electrical connections, and thermal management.
28-SSOP (0.209, 5.30mm Width) - Number of Pins28
- Supplier Device Package
The parameter "Supplier Device Package" in electronic components refers to the physical packaging or housing of the component as provided by the supplier. It specifies the form factor, dimensions, and layout of the component, which are crucial for compatibility and integration into electronic circuits and systems. The supplier device package information typically includes details such as the package type (e.g., DIP, SOP, QFN), number of pins, pitch, and overall size, allowing engineers and designers to select the appropriate component for their specific application requirements. Understanding the supplier device package is essential for proper component selection, placement, and soldering during the manufacturing process to ensure optimal performance and reliability of the electronic system.
28-SSOP - Turn Off Delay Time
It is the time from when Vgs drops below 90% of the gate drive voltage to when the drain current drops below 90% of the load current. It is the delay before current starts to transition in the load, and depends on Rg. Ciss.
1 μs - Operating Temperature
The operating temperature is the range of ambient temperature within which a power supply, or any other electrical equipment, operate in. This ranges from a minimum operating temperature, to a peak or maximum operating temperature, outside which, the power supply may fail.
-40°C~85°C TA - Packaging
Semiconductor package is a carrier / shell used to contain and cover one or more semiconductor components or integrated circuits. The material of the shell can be metal, plastic, glass or ceramic.
Tube - Published2004
- Part Status
Parts can have many statuses as they progress through the configuration, analysis, review, and approval stages.
Active - Moisture Sensitivity Level (MSL)
Moisture Sensitivity Level (MSL) is a standardized rating that indicates the susceptibility of electronic components, particularly semiconductors, to moisture-induced damage during storage and the soldering process, defining the allowable exposure time to ambient conditions before they require special handling or baking to prevent failures
2 (1 Year) - Resistance
Resistance is a fundamental property of electronic components that measures their opposition to the flow of electric current. It is denoted by the symbol "R" and is measured in ohms (Ω). Resistance is caused by the collisions of electrons with atoms in a material, which generates heat and reduces the flow of current. Components with higher resistance will impede the flow of current more than those with lower resistance. Resistance plays a crucial role in determining the behavior and functionality of electronic circuits, such as limiting current flow, voltage division, and controlling power dissipation.
2.5Ohm - Max Operating Temperature
The Maximum Operating Temperature is the maximum body temperature at which the thermistor is designed to operate for extended periods of time with acceptable stability of its electrical characteristics.
85°C - Min Operating Temperature
The "Min Operating Temperature" parameter in electronic components refers to the lowest temperature at which the component is designed to operate effectively and reliably. This parameter is crucial for ensuring the proper functioning and longevity of the component, as operating below this temperature may lead to performance issues or even damage. Manufacturers specify the minimum operating temperature to provide guidance to users on the environmental conditions in which the component can safely operate. It is important to adhere to this parameter to prevent malfunctions and ensure the overall reliability of the electronic system.
-40°C - Current Rating
Current rating is the maximum current that a fuse will carry for an indefinite period without too much deterioration of the fuse element.
300mA - Base Part Number
The "Base Part Number" (BPN) in electronic components serves a similar purpose to the "Base Product Number." It refers to the primary identifier for a component that captures the essential characteristics shared by a group of similar components. The BPN provides a fundamental way to reference a family or series of components without specifying all the variations and specific details.
MIC2563A - Number of Outputs4
- Output Type
The "Output Type" parameter in electronic components refers to the type of signal or data that is produced by the component as an output. This parameter specifies the nature of the output signal, such as analog or digital, and can also include details about the voltage levels, current levels, frequency, and other characteristics of the output signal. Understanding the output type of a component is crucial for ensuring compatibility with other components in a circuit or system, as well as for determining how the output signal can be utilized or processed further. In summary, the output type parameter provides essential information about the nature of the signal that is generated by the electronic component as its output.
N-Channel - Max Output Current
The maximum current that can be supplied to the load.
200mA - Operating Supply Voltage
The voltage level by which an electrical system is designated and to which certain operating characteristics of the system are related.
12V - Interface
In electronic components, the term "Interface" refers to the point at which two different systems, devices, or components connect and interact with each other. It can involve physical connections such as ports, connectors, or cables, as well as communication protocols and standards that facilitate the exchange of data or signals between the connected entities. The interface serves as a bridge that enables seamless communication and interoperability between different parts of a system or between different systems altogether. Designing a reliable and efficient interface is crucial in ensuring proper functionality and performance of electronic components and systems.
Logic - Output Configuration
Output Configuration in electronic components refers to the arrangement or setup of the output pins or terminals of a device. It defines how the output signals are structured and how they interact with external circuits or devices. The output configuration can determine the functionality and compatibility of the component in a circuit design. Common types of output configurations include single-ended, differential, open-drain, and push-pull configurations, each serving different purposes and applications in electronic systems. Understanding the output configuration of a component is crucial for proper integration and operation within a circuit.
Low Side - Output Current
The rated output current is the maximum load current that a power supply can provide at a specified ambient temperature. A power supply can never provide more current that it's rated output current unless there is a fault, such as short circuit at the load.
250mA - Voltage - Supply (Vcc/Vdd)
Voltage - Supply (Vcc/Vdd) is a key parameter in electronic components that specifies the voltage level required for the proper operation of the device. It represents the power supply voltage that needs to be provided to the component for it to function correctly. This parameter is crucial as supplying the component with the correct voltage ensures that it operates within its specified limits and performance characteristics. It is typically expressed in volts (V) and is an essential consideration when designing and using electronic circuits to prevent damage and ensure reliable operation.
Not Required - Max Supply Current
Max Supply Current refers to the maximum amount of electrical current that a component can draw from its power supply under normal operating conditions. It is a critical parameter that ensures the component operates reliably without exceeding its thermal limits or damaging internal circuitry. Exceeding this current can lead to overheating, performance degradation, or failure of the component. Understanding this parameter is essential for designing circuits that provide adequate power while avoiding overload situations.
100μA - Input Type
Input type in electronic components refers to the classification of the signal or data that a component can accept for processing or conversion. It indicates whether the input is analog, digital, or a specific format such as TTL or CMOS. Understanding input type is crucial for ensuring compatibility between different electronic devices and circuits, as it determines how signals are interpreted and interacted with.
Non-Inverting - Turn On Delay Time
Turn-on delay, td(on), is the time taken to charge the input capacitance of the device before drain current conduction can start.
50 μs - Switch Type
Based on their characteristics, there are basically three types of switches: Linear switches, tactile switches and clicky switches.
PCMCIA Switch - Ratio - Input:Output
The parameter "Ratio - Input:Output" in electronic components refers to the relationship between the input and output quantities of a device or system. It is a measure of how the input signal or energy is transformed or converted into the output signal or energy. This ratio is often expressed as a numerical value or percentage, indicating the efficiency or effectiveness of the component in converting the input to the desired output. A higher ratio typically signifies better performance or higher efficiency, while a lower ratio may indicate losses or inefficiencies in the conversion process. Understanding and optimizing the input-output ratio is crucial in designing and evaluating electronic components for various applications.
3:4 - Voltage - Load
Voltage - Load refers to the voltage across a load component in an electronic circuit when it is connected and operational. It represents the electrical potential difference that drives current through the load, which can be a resistor, motor, or other devices that consume electrical power. The voltage - load relationship is crucial for determining how much power the load will utilize and how it will affect the overall circuit performance. Properly managing voltage - load is essential for ensuring devices operate efficiently and safely within their specified limits.
3.3V 5V 12V - Fault Protection
Protection against electric shock under. single fault conditions.
Current Limiting (Fixed), Over Temperature - Rds On (Typ)
The parameter "Rds On (Typ)" in electronic components refers to the typical on-state resistance of a MOSFET (Metal-Oxide-Semiconductor Field-Effect Transistor) when it is fully conducting. This parameter indicates the resistance encountered by the current flowing through the MOSFET when it is in the on-state, which affects the power dissipation and efficiency of the component. A lower Rds On value indicates better conduction and lower power loss in the MOSFET. Designers often consider this parameter when selecting components for applications where minimizing power loss and maximizing efficiency are critical factors.
1.8Ohm - Radiation Hardening
Radiation hardening is the process of making electronic components and circuits resistant to damage or malfunction caused by high levels of ionizing radiation, especially for environments in outer space (especially beyond the low Earth orbit), around nuclear reactors and particle accelerators, or during nuclear accidents or nuclear warfare.
No - RoHS Status
RoHS means “Restriction of Certain Hazardous Substances” in the “Hazardous Substances Directive” in electrical and electronic equipment.
ROHS3 Compliant - Lead Free
Lead Free is a term used to describe electronic components that do not contain lead as part of their composition. Lead is a toxic material that can have harmful effects on human health and the environment, so the electronics industry has been moving towards lead-free components to reduce these risks. Lead-free components are typically made using alternative materials such as silver, copper, and tin. Manufacturers must comply with regulations such as the Restriction of Hazardous Substances (RoHS) directive to ensure that their products are lead-free and environmentally friendly.
Lead Free
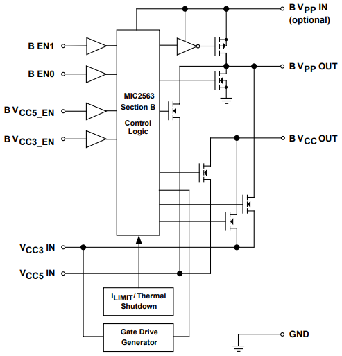
MIC2563A Functional Block Diagram
The following is the Block Diagram of MIC2563A.

MIC2563 Section A

MIC2563 Section B
MIC2563A Equivalent
| Model number | Manufacturer | Description |
| MIC2563A-0YSM | Microchip Technology Inc | 1-CHANNEL POWER SUPPLY SUPPORT CKT, PDSO28 |
| MIC2563A-0BSM | Microchip Technology Inc | Power Supply Support Circuit, Fixed, 1 Channel, CMOS, PDSO28, SSOP-28 |
| MIC2563A-0YSMTR | Microchip Technology Inc | 1-CHANNEL POWER SUPPLY SUPPORT CKT, PDSO28, LEAD FREE, SSOP-28 |
| MIC2563A-0BSMT&R | Microchip Technology Inc | Power Supply Support Circuit, Fixed, 1 Channel, PDSO28, SSOP-28 |
Parts with Similar Specs
- ImagePart NumberManufacturerPackage / CaseNumber of PinsNumber of OutputsCurrent - Output (Max)Max Output CurrentOutput CurrentInterfaceView Compare
MIC2563A-0YSM
28-SSOP (0.209, 5.30mm Width)
28
4
200mA
200 mA
250 mA
Logic
28-SSOP (0.209, 5.30mm Width)
-
4
120mA
-
-
Logic
28-SSOP (0.209, 5.30mm Width)
28
4
120mA
120 mA
200 mA
Logic
28-SSOP (0.209, 5.30mm Width)
-
4
120mA
-
-
Logic
SSOP
28
4
-
120 mA
-
Logic
MIC2563A Applications
● Dual-slot PC card power supply pin voltage switch
● CardBus slot power supply control
● Data collection systems
● Machine control data input systems
● Wireless communications
● Bar code data collection systems
● Instrumentation configuration/datalogging
● Docking stations (portable and desktop)
● Power supply management
● Power analog switching
MIC2563A Package
The following diagrams show the MIC2563A package.
Dimensions: mm (inch)

View A

View B

View C
MIC2563A Manufacturer
Microchip Technology Inc. is a leading provider of microcontroller and analog semiconductors, providing low-risk product development, lower total system cost and faster time to market for thousands of diverse customer applications worldwide. Headquartered in Chandler, Arizona, Microchip offers outstanding technical support along with dependable delivery and quality.
Datasheet PDF
- Datasheets :
- PCN Packaging :
- ConflictMineralStatement :
How many pins of MIC2563A?
28 Pins.
What’s the operating temperature of MIC2563A?
-40°C~85°C TA.
What is the essential property of the MIC2563A?
The MIC2563A dual-slot PCMCIA (Personal Computer Memory Card International Association) and CardBus power controller handles all PC Card slot power supply pins, both Vcc and Vpp.
TPS1H200AQDGNRQ1 High-Side Switch: Diagram, Pinout, and Datasheet30 March 20222107
AD8233ACBZ-R7 Heart Rate Monitor: Low Noise, 20WLCSP Monitor and AD8233 Datasheet21 January 20221803
AMD Xilinx Kintex-7 FPGA Series: Architecture Analysis and Design Guide14 January 2026233
Introducing CY8C21334 Programmable System-on-Chip™ (PSoC®)29 February 2024140
STPS20H100CT Microcontroller: 72MHz, 48-LQFP, Pinout and Datasheet12 February 20222801
L293D Vs. L298N: What’s The Difference?20 December 202324240
A Comprehensive Guide to LTC6754ISC6#PBF LVDS Comparator06 March 2024245
TMC2209 Motor Driver IC: Datasheet, Pinout and Schematic03 September 202113105
How do Parking Sensors Work?21 November 202532037
Exploring the Strengths and Hurdles of Wide Bandgap Devices in Alternating Current Electric Drives19 January 20243264
Working Principle and Types of Electric Fuse16 January 202615505
The Rapid Design of Active Filters29 March 20234208
Microwave Diode: Introduction and Types07 January 202124004
What are Motherboards?23 June 20215874
What is Server and Why does a Server Crash?14 September 202117943
Thermal Pads vs Thermal Paste Understanding the Key Differences19 July 20251701
Microchip Technology
In Stock: 22
United States
China
Canada
Japan
Russia
Germany
United Kingdom
Singapore
Italy
Hong Kong(China)
Taiwan(China)
France
Korea
Mexico
Netherlands
Malaysia
Austria
Spain
Switzerland
Poland
Thailand
Vietnam
India
United Arab Emirates
Afghanistan
Åland Islands
Albania
Algeria
American Samoa
Andorra
Angola
Anguilla
Antigua & Barbuda
Argentina
Armenia
Aruba
Australia
Azerbaijan
Bahamas
Bahrain
Bangladesh
Barbados
Belarus
Belgium
Belize
Benin
Bermuda
Bhutan
Bolivia
Bonaire, Sint Eustatius and Saba
Bosnia & Herzegovina
Botswana
Brazil
British Indian Ocean Territory
British Virgin Islands
Brunei
Bulgaria
Burkina Faso
Burundi
Cabo Verde
Cambodia
Cameroon
Cayman Islands
Central African Republic
Chad
Chile
Christmas Island
Cocos (Keeling) Islands
Colombia
Comoros
Congo
Congo (DRC)
Cook Islands
Costa Rica
Côte d’Ivoire
Croatia
Cuba
Curaçao
Cyprus
Czechia
Denmark
Djibouti
Dominica
Dominican Republic
Ecuador
Egypt
El Salvador
Equatorial Guinea
Eritrea
Estonia
Eswatini
Ethiopia
Falkland Islands
Faroe Islands
Fiji
Finland
French Guiana
French Polynesia
Gabon
Gambia
Georgia
Ghana
Gibraltar
Greece
Greenland
Grenada
Guadeloupe
Guam
Guatemala
Guernsey
Guinea
Guinea-Bissau
Guyana
Haiti
Honduras
Hungary
Iceland
Indonesia
Iran
Iraq
Ireland
Isle of Man
Israel
Jamaica
Jersey
Jordan
Kazakhstan
Kenya
Kiribati
Kosovo
Kuwait
Kyrgyzstan
Laos
Latvia
Lebanon
Lesotho
Liberia
Libya
Liechtenstein
Lithuania
Luxembourg
Macao(China)
Madagascar
Malawi
Maldives
Mali
Malta
Marshall Islands
Martinique
Mauritania
Mauritius
Mayotte
Micronesia
Moldova
Monaco
Mongolia
Montenegro
Montserrat
Morocco
Mozambique
Myanmar
Namibia
Nauru
Nepal
New Caledonia
New Zealand
Nicaragua
Niger
Nigeria
Niue
Norfolk Island
North Korea
North Macedonia
Northern Mariana Islands
Norway
Oman
Pakistan
Palau
Palestinian Authority
Panama
Papua New Guinea
Paraguay
Peru
Philippines
Pitcairn Islands
Portugal
Puerto Rico
Qatar
Réunion
Romania
Rwanda
Samoa
San Marino
São Tomé & Príncipe
Saudi Arabia
Senegal
Serbia
Seychelles
Sierra Leone
Sint Maarten
Slovakia
Slovenia
Solomon Islands
Somalia
South Africa
South Sudan
Sri Lanka
St Helena, Ascension, Tristan da Cunha
St. Barthélemy
St. Kitts & Nevis
St. Lucia
St. Martin
St. Pierre & Miquelon
St. Vincent & Grenadines
Sudan
Suriname
Svalbard & Jan Mayen
Sweden
Syria
Tajikistan
Tanzania
Timor-Leste
Togo
Tokelau
Tonga
Trinidad & Tobago
Tunisia
Turkey
Turkmenistan
Turks & Caicos Islands
Tuvalu
U.S. Outlying Islands
U.S. Virgin Islands
Uganda
Ukraine
Uruguay
Uzbekistan
Vanuatu
Vatican City
Venezuela
Wallis & Futuna
Yemen
Zambia
Zimbabwe


Product
Brand
Articles
Tools














