PESD1 Protection Diode: Datasheet, Pinout and Applications
PESD1CAN Series 50 V 9.3 pF SMT CAN bus ESD Protection Diode - SOT-323
PESD1 is a can bus ESD protection diode. This article mainly covers pinout, datasheet, applications, and features of PESD1.
PESD1 Pinout


PESD1 CAD Model
Symbol

Footprint

3D Model

PESD1 Description
PESD1 Features
One very small SOT323 package to protect two CAN bus lines
Low clamping voltage VCL = 35 V at IPP =1A
Typical diode capacitance matching Cd/Cd = 0.1 %
ESD protection up to 23 kV; IEC 61000-4-2, level 4
IEC 61000-4-5 (surge); IPPM = 3 A at tp = 8/20 s
AEC-Q101 qualified
Specifications
- TypeParameter
- Factory Lead Time4 Weeks
- Contact Plating
Contact plating (finish) provides corrosion protection for base metals and optimizes the mechanical and electrical properties of the contact interfaces.
Tin - Mount
In electronic components, the term "Mount" typically refers to the method or process of physically attaching or fixing a component onto a circuit board or other electronic device. This can involve soldering, adhesive bonding, or other techniques to secure the component in place. The mounting process is crucial for ensuring proper electrical connections and mechanical stability within the electronic system. Different components may have specific mounting requirements based on their size, shape, and function, and manufacturers provide guidelines for proper mounting procedures to ensure optimal performance and reliability of the electronic device.
Surface Mount - Mounting Type
The "Mounting Type" in electronic components refers to the method used to attach or connect a component to a circuit board or other substrate, such as through-hole, surface-mount, or panel mount.
Surface Mount - Package / Case
refers to the protective housing that encases an electronic component, providing mechanical support, electrical connections, and thermal management.
SC-70, SOT-323 - Number of Pins70
- Diode Element Material
The parameter "Diode Element Material" refers to the specific semiconductor material used in the construction of a diode. This material determines the electrical characteristics and performance of the diode, including its forward voltage drop, reverse breakdown voltage, and switching speed. Common diode element materials include silicon, germanium, and gallium arsenide, each offering different advantages for various applications. The choice of material impacts the diode's efficiency, thermal stability, and overall suitability for specific electronic circuits.
SILICON - Breakdown Voltage / V30.3V
- Number of Elements2
- Reverse Stand-off Voltage24V
- Operating Temperature
The operating temperature is the range of ambient temperature within which a power supply, or any other electrical equipment, operate in. This ranges from a minimum operating temperature, to a peak or maximum operating temperature, outside which, the power supply may fail.
-55°C~150°C TA - Packaging
Semiconductor package is a carrier / shell used to contain and cover one or more semiconductor components or integrated circuits. The material of the shell can be metal, plastic, glass or ceramic.
Tape & Reel (TR) - Series
In electronic components, the "Series" refers to a group of products that share similar characteristics, designs, or functionalities, often produced by the same manufacturer. These components within a series typically have common specifications but may vary in terms of voltage, power, or packaging to meet different application needs. The series name helps identify and differentiate between various product lines within a manufacturer's catalog.
Automotive, AEC-Q101 - Published2012
- JESD-609 Code
The "JESD-609 Code" in electronic components refers to a standardized marking code that indicates the lead-free solder composition and finish of electronic components for compliance with environmental regulations.
e3 - Part Status
Parts can have many statuses as they progress through the configuration, analysis, review, and approval stages.
Active - Moisture Sensitivity Level (MSL)
Moisture Sensitivity Level (MSL) is a standardized rating that indicates the susceptibility of electronic components, particularly semiconductors, to moisture-induced damage during storage and the soldering process, defining the allowable exposure time to ambient conditions before they require special handling or baking to prevent failures
1 (Unlimited) - Number of Terminations3
- Termination
Termination in electronic components refers to the practice of matching the impedance of a circuit to prevent signal reflections and ensure maximum power transfer. It involves the use of resistors or other components at the end of transmission lines or connections. Proper termination is crucial in high-frequency applications to maintain signal integrity and reduce noise.
SMD/SMT - TypeZener
- Applications
The parameter "Applications" in electronic components refers to the specific uses or functions for which a component is designed. It encompasses various fields such as consumer electronics, industrial automation, telecommunications, automotive, and medical devices. Understanding the applications helps in selecting the right components for a particular design based on performance, reliability, and compatibility requirements. This parameter also guides manufacturers in targeting their products to relevant markets and customer needs.
Automotive, CAN - Capacitance
Capacitance is a fundamental electrical property of electronic components that describes their ability to store electrical energy in the form of an electric field. It is measured in farads (F) and represents the ratio of the amount of electric charge stored on a component to the voltage across it. Capacitors are passive components that exhibit capacitance and are commonly used in electronic circuits for various purposes such as filtering, energy storage, timing, and coupling. Capacitance plays a crucial role in determining the behavior and performance of electronic systems by influencing factors like signal propagation, frequency response, and power consumption.
12pF - Terminal Form
Occurring at or forming the end of a series, succession, or the like; closing; concluding.
GULL WING - Depth
In electronic components, "Depth" typically refers to the measurement of the distance from the front to the back of the component. It is an important parameter to consider when designing or selecting components for a project, as it determines how much space the component will occupy within a circuit or device. The depth of a component can impact the overall size and layout of the circuit board or enclosure in which it will be installed. It is usually specified in millimeters or inches and is crucial for ensuring proper fit and functionality within the intended application.
1.35mm - Pin Count
a count of all of the component leads (or pins)
3 - JESD-30 Code
JESD-30 Code refers to a standardized descriptive designation system established by JEDEC for semiconductor-device packages. This system provides a systematic method for generating designators that convey essential information about the package's physical characteristics, such as size and shape, which aids in component identification and selection. By using JESD-30 codes, manufacturers and engineers can ensure consistency and clarity in the specification of semiconductor packages across various applications and industries.
R-PDSO-G3 - Operating Supply Voltage
The voltage level by which an electrical system is designated and to which certain operating characteristics of the system are related.
35V - Working Voltage
The "Working Voltage" parameter in electronic components refers to the maximum voltage that the component can safely handle while operating within its specified parameters. It is a crucial specification to consider when designing or selecting components for a circuit to prevent damage or failure. Exceeding the working voltage can lead to breakdown or insulation failure, potentially causing the component to malfunction or even become permanently damaged. It is important to always operate electronic components within their specified working voltage range to ensure reliable and safe operation of the circuit.
24V - Polarity
In electronic components, polarity refers to the orientation or direction in which the component must be connected in a circuit to function properly. Components such as diodes, capacitors, and LEDs have polarity markings to indicate which terminal should be connected to the positive or negative side of the circuit. Connecting a component with incorrect polarity can lead to malfunction or damage. It is important to pay attention to polarity markings and follow the manufacturer's instructions to ensure proper operation of electronic components.
Bidirectional - Number of Channels1
- Leakage Current
Leakage current is a term used in electronics to describe the small amount of current that flows through a component when it is supposed to be in a non-conductive state. This current can occur due to imperfections in the materials used to manufacture the component, as well as other factors such as temperature and voltage. Leakage current can lead to power loss, reduced efficiency, and potential reliability issues in electronic devices. It is important to consider and minimize leakage current in electronic components to ensure proper functionality and performance.
50nA - Element Configuration
The distribution of electrons of an atom or molecule (or other physical structure) in atomic or molecular orbitals.
Dual - Power Line Protection
During fault, the only circuit breaker closest to the fault point should be tripped. The operating time of relay associated with protection of line should be as minimum as possible in order to prevent unnecessary tripping of circuit breakers associated with other healthy parts of power system.
No - Voltage - Breakdown (Min)
Voltage - Breakdown (Min) is a parameter used to specify the minimum voltage level at which an electronic component, such as a diode or capacitor, will break down and allow current to flow through it uncontrollably. This breakdown voltage is a critical characteristic that determines the maximum voltage the component can withstand before failing. It is important to ensure that the applied voltage does not exceed this minimum breakdown voltage to prevent damage to the component and maintain proper functionality. Manufacturers provide this specification to help engineers and designers select components that are suitable for their intended applications and operating conditions.
25.4V - Current - Peak Pulse (10/1000μs)
The parameter "Current - Peak Pulse (10/1000μs)" in electronic components refers to the maximum current that a device can handle during a transient overvoltage event with a specific waveform, typically a 10/1000μs pulse. This parameter is important for surge protection devices such as transient voltage suppressors (TVS) and varistors, as it indicates the device's ability to divert excess current away from sensitive components and protect them from damage. A higher peak pulse current rating signifies better surge protection capability, making the component more suitable for applications exposed to high-voltage transients or lightning strikes. Designers should carefully consider this parameter when selecting surge protection components to ensure reliable operation and protection of their electronic circuits.
3A 8/20μs - Clamping Voltage
Clamping voltage is a term used in electronic components, particularly in devices like diodes and transient voltage suppressors. It refers to the maximum voltage level at which the component can effectively limit or clamp the voltage across its terminals. When the voltage across the component exceeds the clamping voltage, the component conducts and effectively limits the voltage to that level, protecting the circuit from overvoltage conditions. Clamping voltage is an important parameter to consider when selecting components for applications where voltage spikes or surges may occur, as it determines the level at which the component will start to protect the circuit.
50V - Voltage - Reverse Standoff (Typ)
Voltage - Reverse Standoff (Typ) refers to the maximum reverse voltage that a semiconductor device, such as a diode or a transient voltage suppressor, can withstand without entering into breakdown. It is typically specified as a nominal value and indicates the voltage level at which the device transitions from its non-conducting state to a conducting state when reverse-biased. Exceeding this voltage can lead to permanent damage or failure of the component. This parameter is crucial for ensuring the safe operating limits of electronic circuits, particularly in protecting sensitive components from voltage spikes.
24V Max - Peak Pulse Current
The peak pulse power rating of a TVS diode is defined as the instantaneous power dissipated by a device for a given pulse condition, and is a measure of the power that is dissipated in the TVS junction during a given transient event.
3A - Peak Pulse Power
Peak Pulse Power is a parameter used to specify the maximum amount of power that an electronic component can handle during a transient event, such as a surge or spike in voltage or current. It indicates the maximum power dissipation capability of the component for a short duration. This parameter is important for protecting electronic circuits from damage caused by sudden high-energy events. Peak Pulse Power is typically expressed in watts and is crucial for selecting components that can withstand transient overloads without failing. It helps ensure the reliability and longevity of electronic systems in various applications.
150W - Direction
In electronic components, the parameter "Direction" refers to the orientation or alignment in which the component is designed to operate effectively. This parameter is particularly important for components such as diodes, transistors, and capacitors, which have specific polarity or orientation requirements for proper functionality. For example, diodes allow current flow in one direction only, so their direction parameter indicates the correct orientation for current flow. Similarly, polarized capacitors have a positive and negative terminal, requiring proper alignment for correct operation. Understanding and adhering to the direction parameter is crucial for ensuring the reliable and efficient performance of electronic components in a circuit.
Bidirectional - Bidirectional Channels
Bidirectional channels in electronic components refer to pathways or connections that allow signal transmission in both directions. This means that data can flow from one device to another and back again, enabling two-way communication. Such channels are essential in applications like data buses, communication interfaces, and certain types of network protocols, facilitating efficient and dynamic interactions between components.
2 - Capacitance @ Frequency
Capacitance @ Frequency refers to the value of capacitance that a capacitor exhibits when subjected to an alternating current (AC) signal at a specific frequency. This parameter highlights how the capacitor's behavior changes with frequency, as capacitance can vary due to effects like equivalent series resistance (ESR) and loss factors. Typically measured in microfarads (µF) or picofarads (pF), this value is crucial for applications involving signal coupling, filtering, and timing where AC signals are prevalent. Understanding capacitance at different frequencies helps in selecting the right capacitor for specific circuit functions.
9.3pF @ 1MHz - Reverse Current-Max
Reverse Current-Max is a parameter used to specify the maximum amount of current that can flow in the reverse direction through an electronic component, such as a diode or a transistor. This parameter is important because it indicates the maximum reverse current that the component can handle without being damaged. It is typically measured in amperes (A) and is crucial for ensuring the reliability and longevity of the component in a circuit. Designers need to consider this parameter when selecting components to prevent reverse current from exceeding the specified limit and causing potential failure.
0.05μA - Max Junction Temperature (Tj)
Max Junction Temperature (Tj) refers to the maximum allowable temperature at the junction of a semiconductor device, such as a transistor or integrated circuit. It is a critical parameter that influences the performance, reliability, and lifespan of the component. Exceeding this temperature can lead to thermal runaway, breakdown, or permanent damage to the device. Proper thermal management is essential to ensure the junction temperature remains within safe operating limits during device operation.
150°C - Ambient Temperature Range High
This varies from person to person, but it is somewhere between 68 and 77 degrees F on average. The temperature setting that is comfortable for an individual may fluctuate with humidity and outside temperature as well. The temperature of an air conditioned room can also be considered ambient temperature.
150°C - Height1.1mm
- Length2.2mm
- RoHS Status
RoHS means “Restriction of Certain Hazardous Substances” in the “Hazardous Substances Directive” in electrical and electronic equipment.
ROHS3 Compliant - Lead Free
Lead Free is a term used to describe electronic components that do not contain lead as part of their composition. Lead is a toxic material that can have harmful effects on human health and the environment, so the electronics industry has been moving towards lead-free components to reduce these risks. Lead-free components are typically made using alternative materials such as silver, copper, and tin. Manufacturers must comply with regulations such as the Restriction of Hazardous Substances (RoHS) directive to ensure that their products are lead-free and environmentally friendly.
Lead Free
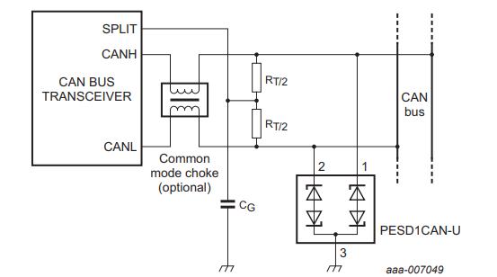
PESD1 Applications
CAN bus protection
Automotive applications
PESD1 Application Circuit

PESD2CAN vs. PESD1CAN
There are no main differences between PESD2CAN and PESD1CAN. Both of them are ESD electrostatic protection diodes. The following are their parameters.
PESD2CAN Parameters
400 watts peak pulse power (tp = 8/20μs)
Response Time is typically < 1 ns
Protects one bidirectional line or two unidirectional lines
Working Voltages: 24V
Low clamping voltages
PESD1CAN Parameters
400 watts peak pulse power (tp = 8/20μs)
Response Time is typically < 1 ns
Protects one bidirectional line or two unidirectional lines
Working Voltages: 24V
Low clamping voltages
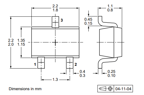
PESD1 Package

PESD1 Manufacturer
Nexperia is a dedicated global leader in Discretes, Logic, and MOSFETs devices. This new company became independent at the beginning of 2017. Focused on efficiency, Nexperia produces consistently reliable semiconductor components at a high volume: 85 billion annually. The company’s extensive portfolio meets the stringent standards set by the Automotive industry. And industry-leading small packages, produced in their own manufacturing facilities, combine power and thermal efficiency with best-in-class quality levels. Built on over half a century of expertise, Nexperia has 11,000 employees across Asia, Europe, and the U.S. supporting customers globally.
Datasheet PDF
- PCN Packaging :
- Datasheets :
- RohsStatement :
What is the difference between pesd2can and pesd1can?
There is no difference between them. PESD2CAN and PESD1CAN are ESD electrostatic protection diodes
TMC2100 Stepper Motor Driver[Video]: TMC2100 VS TMC2130 VS TMC2208, Pinout, and Datasheet05 May 20225567
ULN2803A Transistor Arrays: Features, Speicifications and Applications17 May 20212544
LTC6803IG-2#PBF Battery Management IC: Product Overview and Applications06 March 2024108
IRF640S Power MOSFET: Datasheet, IRF640 MOSFET, Pinout11 August 20212053
D880 NPN Transistor: Datasheet, Pinout and Equivalent25 October 202111191
MSP430FG4619IPZ Mixed Signal Microcontroller: Comprehensive Technical Overview29 February 2024115
TXS0108EPWR: Applications, Features and Datasheet18 October 20231233
The Comprehensive Introduction to TLP521-1XGBSMT&R [Video]06 January 20232666
What is Regulated Power Supply?08 January 202114517
The Era of UFS 4.0, Announced?06 May 20226645
What is Sequential Logic?15 October 20207402
How Many do You Know About the 12 Components Included in the Circuit Board?12 February 20227984
What is a Digital Potentiometer?08 January 20267512
Apple Will Help TSMC to Be in the Leading Position in the Next Era16 March 20223357
Schottky Diodes: Principle, Functions, and Applications21 October 202525713
OLED, QLED, MicroLED: Who is the Next Generation Display Technology?02 September 20223045
Nexperia USA Inc.
In Stock: 8270
United States
China
Canada
Japan
Russia
Germany
United Kingdom
Singapore
Italy
Hong Kong(China)
Taiwan(China)
France
Korea
Mexico
Netherlands
Malaysia
Austria
Spain
Switzerland
Poland
Thailand
Vietnam
India
United Arab Emirates
Afghanistan
Åland Islands
Albania
Algeria
American Samoa
Andorra
Angola
Anguilla
Antigua & Barbuda
Argentina
Armenia
Aruba
Australia
Azerbaijan
Bahamas
Bahrain
Bangladesh
Barbados
Belarus
Belgium
Belize
Benin
Bermuda
Bhutan
Bolivia
Bonaire, Sint Eustatius and Saba
Bosnia & Herzegovina
Botswana
Brazil
British Indian Ocean Territory
British Virgin Islands
Brunei
Bulgaria
Burkina Faso
Burundi
Cabo Verde
Cambodia
Cameroon
Cayman Islands
Central African Republic
Chad
Chile
Christmas Island
Cocos (Keeling) Islands
Colombia
Comoros
Congo
Congo (DRC)
Cook Islands
Costa Rica
Côte d’Ivoire
Croatia
Cuba
Curaçao
Cyprus
Czechia
Denmark
Djibouti
Dominica
Dominican Republic
Ecuador
Egypt
El Salvador
Equatorial Guinea
Eritrea
Estonia
Eswatini
Ethiopia
Falkland Islands
Faroe Islands
Fiji
Finland
French Guiana
French Polynesia
Gabon
Gambia
Georgia
Ghana
Gibraltar
Greece
Greenland
Grenada
Guadeloupe
Guam
Guatemala
Guernsey
Guinea
Guinea-Bissau
Guyana
Haiti
Honduras
Hungary
Iceland
Indonesia
Iran
Iraq
Ireland
Isle of Man
Israel
Jamaica
Jersey
Jordan
Kazakhstan
Kenya
Kiribati
Kosovo
Kuwait
Kyrgyzstan
Laos
Latvia
Lebanon
Lesotho
Liberia
Libya
Liechtenstein
Lithuania
Luxembourg
Macao(China)
Madagascar
Malawi
Maldives
Mali
Malta
Marshall Islands
Martinique
Mauritania
Mauritius
Mayotte
Micronesia
Moldova
Monaco
Mongolia
Montenegro
Montserrat
Morocco
Mozambique
Myanmar
Namibia
Nauru
Nepal
New Caledonia
New Zealand
Nicaragua
Niger
Nigeria
Niue
Norfolk Island
North Korea
North Macedonia
Northern Mariana Islands
Norway
Oman
Pakistan
Palau
Palestinian Authority
Panama
Papua New Guinea
Paraguay
Peru
Philippines
Pitcairn Islands
Portugal
Puerto Rico
Qatar
Réunion
Romania
Rwanda
Samoa
San Marino
São Tomé & Príncipe
Saudi Arabia
Senegal
Serbia
Seychelles
Sierra Leone
Sint Maarten
Slovakia
Slovenia
Solomon Islands
Somalia
South Africa
South Sudan
Sri Lanka
St Helena, Ascension, Tristan da Cunha
St. Barthélemy
St. Kitts & Nevis
St. Lucia
St. Martin
St. Pierre & Miquelon
St. Vincent & Grenadines
Sudan
Suriname
Svalbard & Jan Mayen
Sweden
Syria
Tajikistan
Tanzania
Timor-Leste
Togo
Tokelau
Tonga
Trinidad & Tobago
Tunisia
Turkey
Turkmenistan
Turks & Caicos Islands
Tuvalu
U.S. Outlying Islands
U.S. Virgin Islands
Uganda
Ukraine
Uruguay
Uzbekistan
Vanuatu
Vatican City
Venezuela
Wallis & Futuna
Yemen
Zambia
Zimbabwe


Product
Brand
Articles
Tools














