ULN2803ADWR NPN Transistor: Pinout, Datasheet
TEXAS INSTRUMENTS ULN2803ADWR.. Bipolar Transistor Array, Darlington, NPN, 50 V, 500 mA, SOIC









TEXAS INSTRUMENTS ULN2803ADWR.. Bipolar Transistor Array, Darlington, NPN, 50 V, 500 mA, SOIC
The ULN2803ADWR is made up of seven NPN Darlington transistor pairs with high voltage and current. The article will show the introduction of the device.

Reliable ULN2803ADW Supplier and ULN2803ADWR Distributor in China - Rantle East Electronic
- ULN2803ADWR Description
- ULN2803ADWR Pinout
- ULN2803ADWR CAD Model
- ULN2803ADWR Features
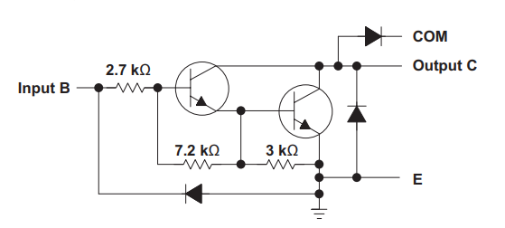
- ULN2803ADWR Functional Block Diagram
- ULN2803ADWR Recommended Operating Conditions
- ULN2803ADWR Equivalents
- Specifications
- ULN2803ADWR Applications
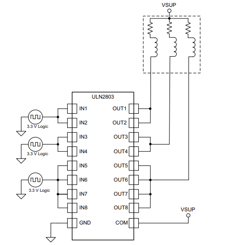
- ULN2803ADWR Typical Application Circuit
- ULN2803ADWR Package
- ULN2803ADWR Manufacturer
- Trend Analysis
- Parts with Similar Specs
- Datasheet PDF
ULN2803ADWR Description
The ULN2803ADWR is made up of seven NPN Darlington transistor pairs with high voltage and current. Each unit has a common emitter and an open collector output. These units include suppression diodes for inductive loads to maximize their effectiveness. The ULN2803A includes a series base resistor for each Darlington pair, allowing direct operation with TTL or CMOS at supply voltages of 5.0 V or 3.3 V. The ULN2803ADWR addresses a wide range of interface requirements, including solenoids, relays, lamps, tiny motors, and LEDs. Applications that require sink currents greater than the capability of a single output can be addressed by paralleling the outputs.
ULN2803ADWR Pinout

ULN2803ADWR CAD Model
Symbol

Footprint

3D Model

ULN2803ADWR Features
• 500-mA-Rated Collector Current (Single Output)
• High-Voltage Outputs: 50 V
• Output Clamp Diodes
• Inputs Compatible With Various Types of Logic
• Relay-Driver Applications
• Compatible with ULN2800A Series
ULN2803ADWR Functional Block Diagram

ULN2803ADWR Recommended Operating Conditions
| MIN | MAX | UNIT | ||
| Vi | 0 | 5 | V | |
| VCC | 0 | 50 | V | |
| Tj | Junction Temperature | -40 | 125 | °C |
ULN2803ADWR Equivalents
| Part Number | Description | Manufacturer |
| ULQ2803ATRANSISTORS | Power Bipolar Transistor, 0.5A I(C), 50V V(BR)CEO, 8-Element, NPN, Silicon, Plastic/Epoxy, 18 Pin, PLASTIC, DIP-18 | Sanken Electric Co Ltd |
| ULN2003AJTRANSISTORS | High-Voltage, High-Current Darlington Transistor Arrays 16-CDIP -55 to 125 | Texas Instruments |
| ULN2004DDRIVERS AND INTERFACES | Peripheral Driver, 7 Driver, BIPolar, PDSO16 | Integrated Power Semiconductors Ltd |
| ULN2004AIDE4TRANSISTORS | 0.5A, 50V, 7 CHANNEL, NPN, Si, POWER TRANSISTOR, MS-012AC, GREEN, PLASTIC, SOIC-16 | Texas Instruments |
| ULN2804ATRANSISTORS | Power Bipolar Transistor, 0.5A I(C), 50V V(BR)CEO, 8-Element, NPN, Silicon, Plastic/Epoxy, 18 Pin, PLASTIC, DIP-18 | Sanken Electric Co Ltd |
| SG2803NTRANSISTORS | Small Signal Bipolar Transistor, 0.5A I(C), 50V V(BR)CEO, 8-Element, NPN, Silicon, HERMETIC SEALED, CERAMIC, DIP-18 | Linfinity Microelectronics |
| ULN2004AN-00TRANSISTORS | 7 CHANNEL, NPN, Si, POWER TRANSISTOR | Texas Instruments |
| ULN2803LWTRTRANSISTORS | Power Bipolar Transistor, 0.5A I(C), 50V V(BR)CEO, 8-Element, NPN, Silicon, MS-013AB, Plastic/Epoxy, 18 Pin, SOIC-18 | Allegro MicroSystems LLC |
| ULS2802R883TRANSISTORS | Power Bipolar Transistor, 0.5A I(C), 50V V(BR)CEO, 8-Element, NPN, Silicon, Ceramic, Glass-Sealed, 18 Pin, HERMETIC SEALED, DIP-16 | Allegro MicroSystems LLC |
| ULS2804R883TRANSISTORS | Transistor | Vishay Sprague |
Specifications
- TypeParameter
- Lifecycle Status
Lifecycle Status refers to the current stage of an electronic component in its product life cycle, indicating whether it is active, obsolete, or transitioning between these states. An active status means the component is in production and available for purchase. An obsolete status indicates that the component is no longer being manufactured or supported, and manufacturers typically provide a limited time frame for support. Understanding the lifecycle status is crucial for design engineers to ensure continuity and reliability in their projects.
ACTIVE (Last Updated: 3 days ago) - Factory Lead Time6 Weeks
- Contact Plating
Contact plating (finish) provides corrosion protection for base metals and optimizes the mechanical and electrical properties of the contact interfaces.
Gold - Mount
In electronic components, the term "Mount" typically refers to the method or process of physically attaching or fixing a component onto a circuit board or other electronic device. This can involve soldering, adhesive bonding, or other techniques to secure the component in place. The mounting process is crucial for ensuring proper electrical connections and mechanical stability within the electronic system. Different components may have specific mounting requirements based on their size, shape, and function, and manufacturers provide guidelines for proper mounting procedures to ensure optimal performance and reliability of the electronic device.
Surface Mount - Mounting Type
The "Mounting Type" in electronic components refers to the method used to attach or connect a component to a circuit board or other substrate, such as through-hole, surface-mount, or panel mount.
Surface Mount - Package / Case
refers to the protective housing that encases an electronic component, providing mechanical support, electrical connections, and thermal management.
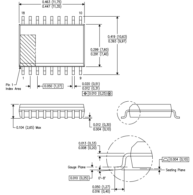
18-SOIC (0.295, 7.50mm Width) - Number of Pins18
- Transistor Element Material
The "Transistor Element Material" parameter in electronic components refers to the material used to construct the transistor within the component. Transistors are semiconductor devices that amplify or switch electronic signals and are a fundamental building block in electronic circuits. The material used for the transistor element can significantly impact the performance and characteristics of the component. Common materials used for transistor elements include silicon, germanium, and gallium arsenide, each with its own unique properties and suitability for different applications. The choice of transistor element material is crucial in designing electronic components to meet specific performance requirements such as speed, power efficiency, and temperature tolerance.
SILICON - Collector-Emitter Breakdown Voltage50V
- Collector-Emitter Saturation Voltage1.1V
- Number of Elements8
- Operating Temperature
The operating temperature is the range of ambient temperature within which a power supply, or any other electrical equipment, operate in. This ranges from a minimum operating temperature, to a peak or maximum operating temperature, outside which, the power supply may fail.
-40°C~85°C TA - Packaging
Semiconductor package is a carrier / shell used to contain and cover one or more semiconductor components or integrated circuits. The material of the shell can be metal, plastic, glass or ceramic.
Cut Tape (CT) - Series
In electronic components, the "Series" refers to a group of products that share similar characteristics, designs, or functionalities, often produced by the same manufacturer. These components within a series typically have common specifications but may vary in terms of voltage, power, or packaging to meet different application needs. The series name helps identify and differentiate between various product lines within a manufacturer's catalog.
Automotive, AEC-Q100 - JESD-609 Code
The "JESD-609 Code" in electronic components refers to a standardized marking code that indicates the lead-free solder composition and finish of electronic components for compliance with environmental regulations.
e4 - Pbfree Code
The "Pbfree Code" parameter in electronic components refers to the code or marking used to indicate that the component is lead-free. Lead (Pb) is a toxic substance that has been widely used in electronic components for many years, but due to environmental concerns, there has been a shift towards lead-free alternatives. The Pbfree Code helps manufacturers and users easily identify components that do not contain lead, ensuring compliance with regulations and promoting environmentally friendly practices. It is important to pay attention to the Pbfree Code when selecting electronic components to ensure they meet the necessary requirements for lead-free applications.
yes - Part Status
Parts can have many statuses as they progress through the configuration, analysis, review, and approval stages.
Active - Moisture Sensitivity Level (MSL)
Moisture Sensitivity Level (MSL) is a standardized rating that indicates the susceptibility of electronic components, particularly semiconductors, to moisture-induced damage during storage and the soldering process, defining the allowable exposure time to ambient conditions before they require special handling or baking to prevent failures
2 (1 Year) - Number of Terminations18
- ECCN Code
An ECCN (Export Control Classification Number) is an alphanumeric code used by the U.S. Bureau of Industry and Security to identify and categorize electronic components and other dual-use items that may require an export license based on their technical characteristics and potential for military use.
EAR99 - Additional Feature
Any Feature, including a modified Existing Feature, that is not an Existing Feature.
LOGIC LEVEL COMPATIBLE - Voltage - Rated DC
Voltage - Rated DC is a parameter that specifies the maximum direct current (DC) voltage that an electronic component can safely handle without being damaged. This rating is crucial for ensuring the proper functioning and longevity of the component in a circuit. Exceeding the rated DC voltage can lead to overheating, breakdown, or even permanent damage to the component. It is important to carefully consider this parameter when designing or selecting components for a circuit to prevent any potential issues related to voltage overload.
50V - Terminal Position
In electronic components, the term "Terminal Position" refers to the physical location of the connection points on the component where external electrical connections can be made. These connection points, known as terminals, are typically used to attach wires, leads, or other components to the main body of the electronic component. The terminal position is important for ensuring proper connectivity and functionality of the component within a circuit. It is often specified in technical datasheets or component specifications to help designers and engineers understand how to properly integrate the component into their circuit designs.
DUAL - Terminal Form
Occurring at or forming the end of a series, succession, or the like; closing; concluding.
GULL WING - Peak Reflow Temperature (Cel)
Peak Reflow Temperature (Cel) is a parameter that specifies the maximum temperature at which an electronic component can be exposed during the reflow soldering process. Reflow soldering is a common method used to attach electronic components to a circuit board. The Peak Reflow Temperature is crucial because it ensures that the component is not damaged or degraded during the soldering process. Exceeding the specified Peak Reflow Temperature can lead to issues such as component failure, reduced performance, or even permanent damage to the component. It is important for manufacturers and assemblers to adhere to the recommended Peak Reflow Temperature to ensure the reliability and functionality of the electronic components.
260 - Current Rating
Current rating is the maximum current that a fuse will carry for an indefinite period without too much deterioration of the fuse element.
500mA - Base Part Number
The "Base Part Number" (BPN) in electronic components serves a similar purpose to the "Base Product Number." It refers to the primary identifier for a component that captures the essential characteristics shared by a group of similar components. The BPN provides a fundamental way to reference a family or series of components without specifying all the variations and specific details.
ULN2803 - Pin Count
a count of all of the component leads (or pins)
18 - Output Voltage
Output voltage is a crucial parameter in electronic components that refers to the voltage level produced by the component as a result of its operation. It represents the electrical potential difference between the output terminal of the component and a reference point, typically ground. The output voltage is a key factor in determining the performance and functionality of the component, as it dictates the level of voltage that will be delivered to the connected circuit or load. It is often specified in datasheets and technical specifications to ensure compatibility and proper functioning within a given system.
50V - Polarity
In electronic components, polarity refers to the orientation or direction in which the component must be connected in a circuit to function properly. Components such as diodes, capacitors, and LEDs have polarity markings to indicate which terminal should be connected to the positive or negative side of the circuit. Connecting a component with incorrect polarity can lead to malfunction or damage. It is important to pay attention to polarity markings and follow the manufacturer's instructions to ensure proper operation of electronic components.
NPN - Configuration
The parameter "Configuration" in electronic components refers to the specific arrangement or setup of the components within a circuit or system. It encompasses how individual elements are interconnected and their physical layout. Configuration can affect the functionality, performance, and efficiency of the electronic system, and may influence factors such as signal flow, impedance, and power distribution. Understanding the configuration is essential for design, troubleshooting, and optimizing electronic devices.
COMPLEX - Transistor Application
In the context of electronic components, the parameter "Transistor Application" refers to the specific purpose or function for which a transistor is designed and used. Transistors are semiconductor devices that can amplify or switch electronic signals and are commonly used in various electronic circuits. The application of a transistor can vary widely depending on its design and characteristics, such as whether it is intended for audio amplification, digital logic, power control, or radio frequency applications. Understanding the transistor application is important for selecting the right type of transistor for a particular circuit or system to ensure optimal performance and functionality.
SWITCHING - Transistor Type
Transistor type refers to the classification of transistors based on their operation and construction. The two primary types are bipolar junction transistors (BJTs) and field-effect transistors (FETs). BJTs use current to control the flow of current, while FETs utilize voltage to control current flow. Each type has its own subtypes, such as NPN and PNP for BJTs, and MOSFETs and JFETs for FETs, impacting their applications and characteristics in electronic circuits.
8 NPN Darlington - Collector Emitter Voltage (VCEO)
Collector-Emitter Voltage (VCEO) is a key parameter in electronic components, particularly in transistors. It refers to the maximum voltage that can be applied between the collector and emitter terminals of a transistor while the base terminal is open or not conducting. Exceeding this voltage limit can lead to breakdown and potential damage to the transistor. VCEO is crucial for ensuring the safe and reliable operation of the transistor within its specified limits. Designers must carefully consider VCEO when selecting transistors for a circuit to prevent overvoltage conditions that could compromise the performance and longevity of the component.
50V - Max Collector Current
Max Collector Current is a parameter used to specify the maximum amount of current that can safely flow through the collector terminal of a transistor or other electronic component without causing damage. It is typically expressed in units of amperes (A) and is an important consideration when designing circuits to ensure that the component operates within its safe operating limits. Exceeding the specified max collector current can lead to overheating, degradation of performance, or even permanent damage to the component. Designers must carefully consider this parameter when selecting components and designing circuits to ensure reliable and safe operation.
500mA - JEDEC-95 Code
JEDEC-95 Code is a standardized identification system used by the Joint Electron Device Engineering Council to categorize and describe semiconductor devices. This code provides a unique alphanumeric identifier for various memory components, ensuring consistency in documentation and communication across the electronics industry. The format includes information about the type, capacity, and technology of the device, facilitating easier specification and understanding for manufacturers and engineers.
MS-013AB - Vce Saturation (Max) @ Ib, Ic
The parameter "Vce Saturation (Max) @ Ib, Ic" in electronic components refers to the maximum voltage drop across the collector-emitter junction when the transistor is in saturation mode. This parameter is specified at a certain base current (Ib) and collector current (Ic) levels. It indicates the minimum voltage required to keep the transistor fully conducting in saturation mode, ensuring that the transistor operates efficiently and does not enter the cutoff region. Designers use this parameter to ensure proper transistor operation and to prevent overheating or damage to the component.
1.6V @ 500μA, 350mA - Height2.65mm
- Length11.5mm
- Width7.5mm
- Thickness
Thickness in electronic components refers to the measurement of how thick a particular material or layer is within the component structure. It can pertain to various aspects, such as the thickness of a substrate, a dielectric layer, or conductive traces. This parameter is crucial as it impacts the electrical, mechanical, and thermal properties of the component, influencing its performance and reliability in electronic circuits.
2.35mm - REACH SVHC
The parameter "REACH SVHC" in electronic components refers to the compliance with the Registration, Evaluation, Authorization, and Restriction of Chemicals (REACH) regulation regarding Substances of Very High Concern (SVHC). SVHCs are substances that may have serious effects on human health or the environment, and their use is regulated under REACH to ensure their safe handling and minimize their impact.Manufacturers of electronic components need to declare if their products contain any SVHCs above a certain threshold concentration and provide information on the safe use of these substances. This information allows customers to make informed decisions about the potential risks associated with using the components and take appropriate measures to mitigate any hazards.Ensuring compliance with REACH SVHC requirements is essential for electronics manufacturers to meet regulatory standards, protect human health and the environment, and maintain transparency in their supply chain. It also demonstrates a commitment to sustainability and responsible manufacturing practices in the electronics industry.
No SVHC - Radiation Hardening
Radiation hardening is the process of making electronic components and circuits resistant to damage or malfunction caused by high levels of ionizing radiation, especially for environments in outer space (especially beyond the low Earth orbit), around nuclear reactors and particle accelerators, or during nuclear accidents or nuclear warfare.
No - RoHS Status
RoHS means “Restriction of Certain Hazardous Substances” in the “Hazardous Substances Directive” in electrical and electronic equipment.
ROHS3 Compliant - Lead Free
Lead Free is a term used to describe electronic components that do not contain lead as part of their composition. Lead is a toxic material that can have harmful effects on human health and the environment, so the electronics industry has been moving towards lead-free components to reduce these risks. Lead-free components are typically made using alternative materials such as silver, copper, and tin. Manufacturers must comply with regulations such as the Restriction of Hazardous Substances (RoHS) directive to ensure that their products are lead-free and environmentally friendly.
Lead Free
ULN2803ADWR Applications
• Relay Drivers
• Hammer Drivers
• Lamp Drivers
• Display Drivers (LED and Gas Discharge)
• Line Drivers
• Logic Buffers
ULN2803ADWR Typical Application Circuit

ULN2803ADWR Package

ULN2803ADWR Manufacturer
Texas Instruments Incorporated (TI) is an American technology company based in Dallas, Texas, that designs and manufactures semiconductors and various integrated circuits, which it sells to electronics designers and manufacturers globally. It is one of the top 10 semiconductor companies worldwide based on sales volume. The company's focus is on developing analog chips and embedded processors, which account for more than 80% of its revenue. TI also produces TI digital light processing technology and education technology products including calculators, micro-controllers, and multi-core processors. The company boasts 45,000 patents around the globe as of 2016.
Trend Analysis
Parts with Similar Specs
- ImagePart NumberManufacturerPackage / CaseNumber of PinsRoHS StatusMountREACH SVHCLead FreeTerminal PositionPbfree CodeView Compare
ULN2803ADWR
18-SOIC (0.295, 7.50mm Width)
18
ROHS3 Compliant
Surface Mount
No SVHC
Lead Free
DUAL
yes
16-SOIC (0.154, 3.90mm Width)
16
ROHS3 Compliant
Surface Mount
No SVHC
Lead Free
DUAL
yes
16-SOIC (0.154, 3.90mm Width)
16
ROHS3 Compliant
Surface Mount
No SVHC
Lead Free
DUAL
yes
16-SOIC (0.154, 3.90mm Width)
16
ROHS3 Compliant
Surface Mount
No SVHC
Lead Free
DUAL
yes
18-SOIC (0.295, 7.50mm Width)
18
ROHS3 Compliant
Surface Mount
No SVHC
Lead Free
DUAL
yes
Datasheet PDF
- Datasheets :
ULN2803ADWR-Texas-Instruments-datasheet-37140824.pdf
ULN2803ADWR-Texas-Instruments-datasheet-47642817.pdf
ULN2803ADWR-Texas-Instruments-datasheet-22123734.pdf
ULN2803ADWR-Texas-Instruments-datasheet-8442190.pdf
ULN2803ADWR-Texas-Instruments-datasheet-11523038.pdf
ULN2803ADWR-Texas-Instruments-datasheet-5333382.pdf
- PCN Assembly/Origin :
- PCN Design/Specification :
What is ULN2803ADWR?
The ULN2803ADWR is made up of seven NPN Darlington transistor pairs with high voltage and current. Each unit has a common emitter and an open collector output. These units include suppression diodes for inductive loads to maximize their effectiveness. The ULN2803A includes a series base resistor for each Darlington pair, allowing direct operation with TTL or CMOS at supply voltages of 5.0 V or 3.3 V. The ULN2803ADWR addresses a wide range of interface requirements, including solenoids, relays, lamps, tiny motors, and LEDs. Applications that require sink currents greater than the capability of a single output can be addressed by paralleling the outputs.
What is the recommended operating temperature of the component?
-40°C~85°C TA.
What is the package of the device?
18-SOIC (0.295, 7.50mm Width).
What is the component’s number of pins?
18.
The Guide to BFW10 30V N-Channel JFET [Datasheet]30 March 202223736
Unlocking the Potential of the PIC18F4520IML Microcontroller29 February 202489
Microchip PIC16LF1516ISP: A Comprehensive Overview of Features and Applications29 February 2024242
PIC18F4620 Enhanced Flash Microcontrollers:Pinout, Features, and Datasheet13 September 20212635
ST2001FX Transistor: Datasheet, Pinout, Application09 August 20211752
MB102 Transceiver: Pinout, Features and Datasheet24 September 20213628
TP5000 Single-Cell Lithium Battery Charge Module Review [FAQ]13 April 20225986
TDA2003V Amplifier: Datasheet, Alternative, Pinout and Circuit10 August 202110432
Getting Started with Raspberry Pi: A Beginner's Guide23 August 20234445
In Circuit Design, What are the Differences Between the 6 Types of Grounding?25 March 20244565
What is Visible Light Communication(VLC)?13 October 202114143
Semiconductor Foundry Market Expected to Reach US$ 161.90 Billion By 203126 September 20232112
Japanese Companies Increase Investment in Power Semiconductors17 March 20224828
What is Optical Module?08 December 20216140
Ceramic Capacitors vs Film Capacitors: A Comprehensive Comparison Guide14 May 20253826
What are the Differences Between Pull up and Pull down Resistors?22 October 202536606
Texas Instruments
In Stock: 10000
United States
China
Canada
Japan
Russia
Germany
United Kingdom
Singapore
Italy
Hong Kong(China)
Taiwan(China)
France
Korea
Mexico
Netherlands
Malaysia
Austria
Spain
Switzerland
Poland
Thailand
Vietnam
India
United Arab Emirates
Afghanistan
Åland Islands
Albania
Algeria
American Samoa
Andorra
Angola
Anguilla
Antigua & Barbuda
Argentina
Armenia
Aruba
Australia
Azerbaijan
Bahamas
Bahrain
Bangladesh
Barbados
Belarus
Belgium
Belize
Benin
Bermuda
Bhutan
Bolivia
Bonaire, Sint Eustatius and Saba
Bosnia & Herzegovina
Botswana
Brazil
British Indian Ocean Territory
British Virgin Islands
Brunei
Bulgaria
Burkina Faso
Burundi
Cabo Verde
Cambodia
Cameroon
Cayman Islands
Central African Republic
Chad
Chile
Christmas Island
Cocos (Keeling) Islands
Colombia
Comoros
Congo
Congo (DRC)
Cook Islands
Costa Rica
Côte d’Ivoire
Croatia
Cuba
Curaçao
Cyprus
Czechia
Denmark
Djibouti
Dominica
Dominican Republic
Ecuador
Egypt
El Salvador
Equatorial Guinea
Eritrea
Estonia
Eswatini
Ethiopia
Falkland Islands
Faroe Islands
Fiji
Finland
French Guiana
French Polynesia
Gabon
Gambia
Georgia
Ghana
Gibraltar
Greece
Greenland
Grenada
Guadeloupe
Guam
Guatemala
Guernsey
Guinea
Guinea-Bissau
Guyana
Haiti
Honduras
Hungary
Iceland
Indonesia
Iran
Iraq
Ireland
Isle of Man
Israel
Jamaica
Jersey
Jordan
Kazakhstan
Kenya
Kiribati
Kosovo
Kuwait
Kyrgyzstan
Laos
Latvia
Lebanon
Lesotho
Liberia
Libya
Liechtenstein
Lithuania
Luxembourg
Macao(China)
Madagascar
Malawi
Maldives
Mali
Malta
Marshall Islands
Martinique
Mauritania
Mauritius
Mayotte
Micronesia
Moldova
Monaco
Mongolia
Montenegro
Montserrat
Morocco
Mozambique
Myanmar
Namibia
Nauru
Nepal
New Caledonia
New Zealand
Nicaragua
Niger
Nigeria
Niue
Norfolk Island
North Korea
North Macedonia
Northern Mariana Islands
Norway
Oman
Pakistan
Palau
Palestinian Authority
Panama
Papua New Guinea
Paraguay
Peru
Philippines
Pitcairn Islands
Portugal
Puerto Rico
Qatar
Réunion
Romania
Rwanda
Samoa
San Marino
São Tomé & Príncipe
Saudi Arabia
Senegal
Serbia
Seychelles
Sierra Leone
Sint Maarten
Slovakia
Slovenia
Solomon Islands
Somalia
South Africa
South Sudan
Sri Lanka
St Helena, Ascension, Tristan da Cunha
St. Barthélemy
St. Kitts & Nevis
St. Lucia
St. Martin
St. Pierre & Miquelon
St. Vincent & Grenadines
Sudan
Suriname
Svalbard & Jan Mayen
Sweden
Syria
Tajikistan
Tanzania
Timor-Leste
Togo
Tokelau
Tonga
Trinidad & Tobago
Tunisia
Turkey
Turkmenistan
Turks & Caicos Islands
Tuvalu
U.S. Outlying Islands
U.S. Virgin Islands
Uganda
Ukraine
Uruguay
Uzbekistan
Vanuatu
Vatican City
Venezuela
Wallis & Futuna
Yemen
Zambia
Zimbabwe


Product
Brand
Articles
Tools







