AT24CM01 Serial EEPROM: Pinout, Equivalent and Datasheet
2.7/5V V Surface Mount Memory IC AT24CM01 1 Mb kb 5.29mm mm 3mA mA









2.7/5V V Surface Mount Memory IC AT24CM01 1 Mb kb 5.29mm mm 3mA mA
The AT24CM01 provides 1,048,576 bits of Serial Electrically Erasable and Programmable Read-Only Memory (EEPROM) organized as 131,072 words of eight bits each. This device is optimized for use in many industrial and commercial applications where low-power and low-voltage operations are essential. Furthermore, Huge range of Semiconductors, Capacitors, Resistors and IcS in stock. Welcome RFQ.

Using EEPROM with Arduino - Internal & External
AT24CM01 Pinout

Pinout
AT24CM01 CAD Model

PCB Symbol

PCB Footprint

3D Model
AT24CM01 Overview
The AT24CM01 provides 1,048,576 bits of Serial Electrically Erasable and Programmable Read-Only Memory (EEPROM) organized as 131,072 words of eight bits each. The device's cascading feature allows up to four devices to share a common two-wire bus. This device is optimized for use in many industrial and commercial applications where low-power and low-voltage operations are essential. The device is available in space-saving 8-lead SOIC, 8-Lead TSSOP, 8-Lead SOIJ and 8-ball WLCSP packages. All packages operate from 1.7V to 5.5V. The AT24CM01 operates as a slave device and utilizes a simple I2C-compatible two-wire digital serial interface to communicate with a host controller, commonly referred to as the bus master.
This article provides you with a basic overview of the AT24CM01 Serial EEPROM, including its pin descriptions, features and specifications, etc., to help you quickly understand what AT24CM01 is.
AT24CM01 Features
● Low-Voltage and Standard Voltage Operation:
◆ VCC = 1.7V to 5.5V
◆ VCC = 2.5V to 5.5V
● Internally Organized as 131,072 x 8 (1M)
● Industrial Temperature Range: -40°C to +85°C
● I2C-Compatible (Two-Wire) Serial Interface:
◆ 100 kHz Standard mode, 1.7V to 5.5V
◆ 400 kHz Fast mode, 1.7V to 5.5V
◆ 1 MHz Fast Mode Plus (FM+), 2.5V to 5.5V
● Schmitt Triggers, Filtered Inputs for Noise Suppression
● Bidirectional Data Transfer Protocol
● Write-Protect Pin for Full Array Hardware Data Protection
● Ultra Low Active Current (3 mA maximum) and Standby Current (6 µA maximum)
● 256-byte Page Write Mode: Byte write and partial page writes allowed
● Random and Sequential Read Modes
● Self-Timed Write Cycle: All Write operations complete within 5 ms maximum
● Built in Error Detection and Correction
● High Reliability:
◆ Endurance: 1,000,000 write cycles
◆ Data retention: 100 years
● Green Package Options (Lead-free/Halide-free/RoHS compliant)
● Die Sale Options: Wafer Form and Bumped Wafers
Specifications
- TypeParameter
- Factory Lead Time15 Weeks
- Contact Plating
Contact plating (finish) provides corrosion protection for base metals and optimizes the mechanical and electrical properties of the contact interfaces.
Gold - Mount
In electronic components, the term "Mount" typically refers to the method or process of physically attaching or fixing a component onto a circuit board or other electronic device. This can involve soldering, adhesive bonding, or other techniques to secure the component in place. The mounting process is crucial for ensuring proper electrical connections and mechanical stability within the electronic system. Different components may have specific mounting requirements based on their size, shape, and function, and manufacturers provide guidelines for proper mounting procedures to ensure optimal performance and reliability of the electronic device.
Surface Mount - Mounting Type
The "Mounting Type" in electronic components refers to the method used to attach or connect a component to a circuit board or other substrate, such as through-hole, surface-mount, or panel mount.
Surface Mount - Package / Case
refers to the protective housing that encases an electronic component, providing mechanical support, electrical connections, and thermal management.
8-SOIC (0.209, 5.30mm Width) - Number of Pins8
- Memory TypesNon-Volatile
- Operating Temperature
The operating temperature is the range of ambient temperature within which a power supply, or any other electrical equipment, operate in. This ranges from a minimum operating temperature, to a peak or maximum operating temperature, outside which, the power supply may fail.
-40°C~85°C TA - Packaging
Semiconductor package is a carrier / shell used to contain and cover one or more semiconductor components or integrated circuits. The material of the shell can be metal, plastic, glass or ceramic.
Tape & Reel (TR) - Published1997
- JESD-609 Code
The "JESD-609 Code" in electronic components refers to a standardized marking code that indicates the lead-free solder composition and finish of electronic components for compliance with environmental regulations.
e4 - Pbfree Code
The "Pbfree Code" parameter in electronic components refers to the code or marking used to indicate that the component is lead-free. Lead (Pb) is a toxic substance that has been widely used in electronic components for many years, but due to environmental concerns, there has been a shift towards lead-free alternatives. The Pbfree Code helps manufacturers and users easily identify components that do not contain lead, ensuring compliance with regulations and promoting environmentally friendly practices. It is important to pay attention to the Pbfree Code when selecting electronic components to ensure they meet the necessary requirements for lead-free applications.
yes - Part Status
Parts can have many statuses as they progress through the configuration, analysis, review, and approval stages.
Active - Moisture Sensitivity Level (MSL)
Moisture Sensitivity Level (MSL) is a standardized rating that indicates the susceptibility of electronic components, particularly semiconductors, to moisture-induced damage during storage and the soldering process, defining the allowable exposure time to ambient conditions before they require special handling or baking to prevent failures
3 (168 Hours) - Number of Terminations8
- Voltage - Supply
Voltage - Supply refers to the range of voltage levels that an electronic component or circuit is designed to operate with. It indicates the minimum and maximum supply voltage that can be applied for the device to function properly. Providing supply voltages outside this range can lead to malfunction, damage, or reduced performance. This parameter is critical for ensuring compatibility between different components in a circuit.
2.5V~5.5V - Terminal Position
In electronic components, the term "Terminal Position" refers to the physical location of the connection points on the component where external electrical connections can be made. These connection points, known as terminals, are typically used to attach wires, leads, or other components to the main body of the electronic component. The terminal position is important for ensuring proper connectivity and functionality of the component within a circuit. It is often specified in technical datasheets or component specifications to help designers and engineers understand how to properly integrate the component into their circuit designs.
DUAL - Peak Reflow Temperature (Cel)
Peak Reflow Temperature (Cel) is a parameter that specifies the maximum temperature at which an electronic component can be exposed during the reflow soldering process. Reflow soldering is a common method used to attach electronic components to a circuit board. The Peak Reflow Temperature is crucial because it ensures that the component is not damaged or degraded during the soldering process. Exceeding the specified Peak Reflow Temperature can lead to issues such as component failure, reduced performance, or even permanent damage to the component. It is important for manufacturers and assemblers to adhere to the recommended Peak Reflow Temperature to ensure the reliability and functionality of the electronic components.
260 - Number of Functions1
- Supply Voltage
Supply voltage refers to the electrical potential difference provided to an electronic component or circuit. It is crucial for the proper operation of devices, as it powers their functions and determines performance characteristics. The supply voltage must be within specified limits to ensure reliability and prevent damage to components. Different electronic devices have specific supply voltage requirements, which can vary widely depending on their design and intended application.
5V - Terminal Pitch
The center distance from one pole to the next.
1.27mm - Time@Peak Reflow Temperature-Max (s)
Time@Peak Reflow Temperature-Max (s) refers to the maximum duration that an electronic component can be exposed to the peak reflow temperature during the soldering process, which is crucial for ensuring reliable solder joint formation without damaging the component.
40 - Base Part Number
The "Base Part Number" (BPN) in electronic components serves a similar purpose to the "Base Product Number." It refers to the primary identifier for a component that captures the essential characteristics shared by a group of similar components. The BPN provides a fundamental way to reference a family or series of components without specifying all the variations and specific details.
AT24CM01 - Supply Voltage-Max (Vsup)
The parameter "Supply Voltage-Max (Vsup)" in electronic components refers to the maximum voltage that can be safely applied to the component without causing damage. It is an important specification to consider when designing or using electronic circuits to ensure the component operates within its safe operating limits. Exceeding the maximum supply voltage can lead to overheating, component failure, or even permanent damage. It is crucial to adhere to the specified maximum supply voltage to ensure the reliable and safe operation of the electronic component.
5.5V - Power Supplies
an electronic circuit that converts the voltage of an alternating current (AC) into a direct current (DC) voltage.?
2.7/5V - Supply Voltage-Min (Vsup)
The parameter "Supply Voltage-Min (Vsup)" in electronic components refers to the minimum voltage level required for the component to operate within its specified performance range. This parameter indicates the lowest voltage that can be safely applied to the component without risking damage or malfunction. It is crucial to ensure that the supply voltage provided to the component meets or exceeds this minimum value to ensure proper functionality and reliability. Failure to adhere to the specified minimum supply voltage may result in erratic behavior, reduced performance, or even permanent damage to the component.
2.5V - Interface
In electronic components, the term "Interface" refers to the point at which two different systems, devices, or components connect and interact with each other. It can involve physical connections such as ports, connectors, or cables, as well as communication protocols and standards that facilitate the exchange of data or signals between the connected entities. The interface serves as a bridge that enables seamless communication and interoperability between different parts of a system or between different systems altogether. Designing a reliable and efficient interface is crucial in ensuring proper functionality and performance of electronic components and systems.
2-Wire, I2C, Serial - Memory Size
The memory capacity is the amount of data a device can store at any given time in its memory.
1Mb 128K x 8 - Nominal Supply Current
Nominal current is the same as the rated current. It is the current drawn by the motor while delivering rated mechanical output at its shaft.
3mA - Clock Frequency
Clock frequency, also known as clock speed, refers to the rate at which a processor or electronic component can execute instructions. It is measured in hertz (Hz) and represents the number of cycles per second that the component can perform. A higher clock frequency typically indicates a faster processing speed and better performance. However, it is important to note that other factors such as architecture, efficiency, and workload also play a significant role in determining the overall performance of a component. In summary, clock frequency is a crucial parameter that influences the speed and efficiency of electronic components in processing data and executing tasks.
1MHz - Access Time
Access time in electronic components refers to the amount of time it takes for a system to retrieve data from memory or storage once a request has been made. It is typically measured in nanoseconds or microseconds and indicates the speed at which data can be accessed. Lower access time values signify faster performance, allowing for more efficient processing in computing systems. Access time is a critical parameter in determining the overall responsiveness of electronic devices, particularly in applications requiring quick data retrieval.
550ns - Memory Format
Memory Format in electronic components refers to the specific organization and structure of data storage within a memory device. It defines how data is stored, accessed, and managed within the memory module. Different memory formats include RAM (Random Access Memory), ROM (Read-Only Memory), and various types of flash memory. The memory format determines the speed, capacity, and functionality of the memory device, and it is crucial for compatibility with other components in a system. Understanding the memory format is essential for selecting the right memory module for a particular application or device.
EEPROM - Memory Interface
An external memory interface is a bus protocol for communication from an integrated circuit, such as a microprocessor, to an external memory device located on a circuit board.
I2C - Memory Width
Memory width refers to the number of bits that can be read or written to memory at one time. It is an important specification in electronic components, particularly in memory devices like RAM and cache. A wider memory width allows for greater data throughput, enabling faster performance as more data can be processed simultaneously. Memory width can vary among different types of memory and can impact both the complexity and efficiency of data handling within electronic systems.
8 - Write Cycle Time - Word, Page
Write Cycle Time - Word, Page refers to the duration required to write data to a specific memory cell or a page of memory in electronic components, particularly in non-volatile memories like Flash or EEPROM. It indicates the time taken to complete a writing operation for a single word or an entire page of data. This parameter is crucial for determining the performance and speed of memory devices in applications where quick data storage is essential. It impacts the overall efficiency in data handling, affecting both read and write speeds in memory-related operations.
5ms - Density
In electronic components, "Density" refers to the mass or weight of a material per unit volume. It is a physical property that indicates how tightly packed the atoms or molecules are within the material. The density of a component can affect its performance and characteristics, such as its strength, thermal conductivity, and electrical properties. Understanding the density of electronic components is important for designing and manufacturing processes to ensure optimal performance and reliability.
1 Mb - Standby Current-Max
Standby Current-Max refers to the maximum amount of current that an electronic component or device consumes while in a low-power standby mode. This parameter is critical for power management, especially in battery-operated devices, as it indicates how efficiently the device can conserve energy when not actively in use. A lower Standby Current-Max value is typically desirable, as it contributes to longer battery life and reduced energy consumption. Manufacturers specify this value to help engineers select components that meet specific power efficiency requirements in their designs.
0.000001A - Serial Bus Type
Serial bus type refers to the method by which data is transmitted between components in an electronic system using a serial communication protocol. It involves the sequential transfer of data bits over a single channel or wire, allowing for a reduced number of interconnections compared to parallel communication. Common examples of serial bus types include I2C, SPI, USB, and UART, each with its own specific protocol and applications. The choice of serial bus type can affect the speed, complexity, and power consumption of the communication between devices.
I2C - Endurance
In electronic components, "Endurance" refers to the ability of a component to withstand repeated cycles of operation without degradation in performance or failure. It is a crucial parameter, especially in components that are subjected to frequent switching or high levels of stress during operation. Endurance testing is often conducted to evaluate the reliability and durability of electronic components under real-world conditions. Components with high endurance ratings are more likely to have a longer lifespan and provide consistent performance over time. Manufacturers typically provide endurance specifications in datasheets to help engineers and designers select components that meet the required durability for their applications.
1000000 Write/Erase Cycles - Write Cycle Time-Max (tWC)
The parameter "Write Cycle Time-Max (tWC)" in electronic components refers to the maximum amount of time it takes for data to be written to a memory cell or storage device. It is a crucial specification in devices such as EEPROMs, flash memory, and other non-volatile memory technologies. The tWC value indicates the longest duration required for a write operation to be completed successfully, ensuring that the data is stored accurately and reliably. Designers and engineers use this parameter to optimize performance and ensure proper functioning of the electronic component within the specified time constraints.
5ms - Data Retention Time-Min
The parameter "Data Retention Time-Min" in electronic components refers to the minimum amount of time that data can be stored in a non-volatile memory device without requiring a refresh or rewrite operation to maintain its integrity. This parameter is crucial for applications where data integrity and reliability are essential, such as in embedded systems, IoT devices, and critical infrastructure. A longer data retention time indicates a more stable memory device that can retain data for extended periods without degradation or loss. It is important to consider the data retention time when selecting memory components for specific applications to ensure data reliability and longevity.
40 - Write Protection
Write protection is a feature found in electronic components, such as memory devices, that prevents data from being modified or erased. When write protection is enabled, the data stored in the component is locked and cannot be altered, ensuring the integrity and security of the information. This feature is commonly used in devices like USB flash drives, SD cards, and EEPROMs to prevent accidental data loss or unauthorized access. Write protection can be implemented through hardware mechanisms, such as physical switches or jumpers, or through software settings that restrict write access to the component.
HARDWARE - I2C Control Byte
The I2C Control Byte is a specific byte of data used in the Inter-Integrated Circuit (I2C) communication protocol for electronic components. It is a crucial part of the data transmission process as it contains information such as the address of the device being accessed and the type of operation to be performed, such as read or write. The Control Byte is typically the first byte sent in an I2C communication sequence and helps establish communication between the master and slave devices on the bus. By interpreting the Control Byte, devices can effectively communicate and exchange data in a synchronized manner within an I2C network.
1010DDMR - Length5.29mm
- Height Seated (Max)
Height Seated (Max) is a parameter in electronic components that refers to the maximum allowable height of the component when it is properly seated or installed on a circuit board or within an enclosure. This specification is crucial for ensuring proper fit and alignment within the overall system design. Exceeding the maximum seated height can lead to mechanical interference, electrical shorts, or other issues that may impact the performance and reliability of the electronic device. Manufacturers provide this information to help designers and engineers select components that will fit within the designated space and function correctly in the intended application.
2.16mm - Width5.24mm
- Radiation Hardening
Radiation hardening is the process of making electronic components and circuits resistant to damage or malfunction caused by high levels of ionizing radiation, especially for environments in outer space (especially beyond the low Earth orbit), around nuclear reactors and particle accelerators, or during nuclear accidents or nuclear warfare.
No - RoHS Status
RoHS means “Restriction of Certain Hazardous Substances” in the “Hazardous Substances Directive” in electrical and electronic equipment.
ROHS3 Compliant - Lead Free
Lead Free is a term used to describe electronic components that do not contain lead as part of their composition. Lead is a toxic material that can have harmful effects on human health and the environment, so the electronics industry has been moving towards lead-free components to reduce these risks. Lead-free components are typically made using alternative materials such as silver, copper, and tin. Manufacturers must comply with regulations such as the Restriction of Hazardous Substances (RoHS) directive to ensure that their products are lead-free and environmentally friendly.
Lead Free
AT24CM01 Functional Block Diagram

Block Diagram

System Configuration Using Two-Wire Serial EEPROMs
AT24CM01 Equivalent
| Model number | Manufacturer | Description |
| AT24CM01-SUD | Atmel Corporation | EEPROM |
| AT24CM01-SHD | Atmel Corporation | EEPROM |
| AT24CM01-UHM | Atmel Corporation | EEPROM |
| AT24CM01-X11D | Atmel Corporation | EEPROM |
| AT24CM01-UUM | Atmel Corporation | EEPROM |
| AT24CM01-SSUD-B | Atmel Corporation | EEPROM |
| AT24CM01-WWU11D-B | Atmel Corporation | EEPROM |
| AT24CM01-SSUM-T | Microchip Technology Inc | EEPROM |
| AT24CM01-SSUM-B | Microchip Technology Inc | EEPROM |
| AT24CM01-SS11D-T | Atmel Corporation | EEPROM |
Parts with Similar Specs
- ImagePart NumberManufacturerPackage / CaseNumber of PinsDensityAccess TimeInterfaceSupply VoltageTerminal PitchMemory TypeView Compare
AT24CM01-SHD-T
8-SOIC (0.209, 5.30mm Width)
8
1 Mb
550ns
2-Wire, I2C, Serial
5 V
1.27 mm
Non-Volatile
8-SOIC (0.154, 3.90mm Width)
8
1 Mb
400ns
2-Wire, I2C, Serial
5 V
1.27 mm
Non-Volatile
8-SOIC (0.154, 3.90mm Width)
8
1 Mb
400ns
-
3.3 V
1.27 mm
Non-Volatile
8-SOIC (0.209, 5.30mm Width)
8
1 Mb
400ns
2-Wire, I2C, Serial
3.3 V
1.27 mm
Non-Volatile
8-SOIC (0.154, 3.90mm Width)
8
1 Mb
500ns
2-Wire, I2C, Serial
2.5 V
1.27 mm
Non-Volatile
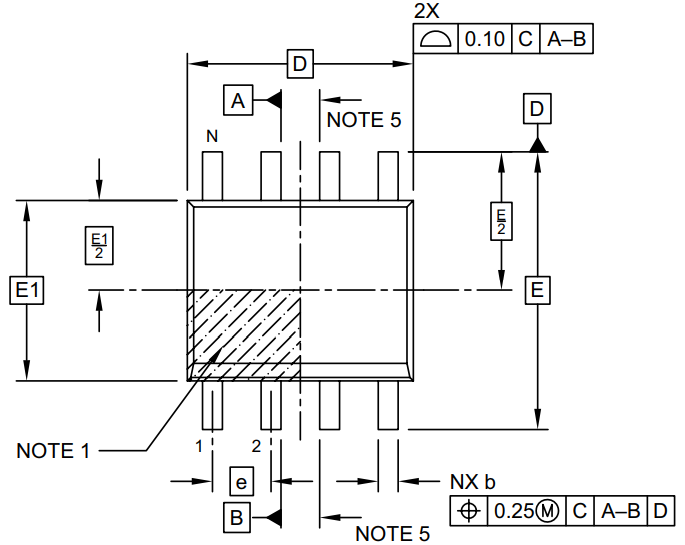
AT24CM01 Package

Top View

Side View

View A-A

View C
AT24CM01 Package Marking Information

Package Marking Information
AT24CM01 Recommended Land Pattern

Recommended Land Pattern
AT24CM01 Manufacturer
Microchip Technology Inc. is a leading provider of microcontroller and analog semiconductors, providing low-risk product development, lower total system cost and faster time to market for thousands of diverse customer applications worldwide. Headquartered in Chandler, Arizona, Microchip offers outstanding technical support along with dependable delivery and quality.
Trend Analysis
Datasheet PDF
- Datasheets :
- PCN Packaging :
- PCN Design/Specification :
- ConflictMineralStatement :
What is the essential property of the AT24CM01?
The AT24CM01 provides 1,048,576 bits of Serial Electrically Erasable and Programmable Read-Only Memory (EEPROM) organized as 131,072 words of eight bits each.
Does AT24CM01 include a power-on reset (POR) circuit?
To prevent inadvertent write operations or any other spurious events from occurring during a power-up sequence, the AT24CM01 includes a Power-on Reset (POR) circuit.
Does AT24CM01 return an ACK if the device address byte is not successfully compared?
Upon the successful comparison of the device address byte, the AT24CM01 will return an ACK. If a valid comparison is not made, the device will NACK.
PT4115 High Brightness LED Driver: 30A, 1.2V Step-down Driver, Equivalent and Pinout06 January 202213979
SSH-003T-P0.2 Socket : JST SSH-003T-P0.2, Datasheet PDF, Feature25 March 20221763
M24C16-R EEPROM: Pinout, Equivalent and Datasheet18 December 20211609
Navigating VN31 (VIPower) Obsolescence: Specs, Pinout, and Modern Replacements12 February 202657
EPCS16SI8N 3.3V 16 M-bit 8- Pin SOIC Tube, FPGA Configuration Memory17 April 20251216
SR621SW Silver Oxide Watch Battery 1.55V, 23 mAh : SR621SW VS SR626SW, Datasheet and Equivalents23 March 202216507
Cypress CY8C6247BZI-D34 Microcontroller Datasheet Overview28 February 2024149
TXB0108PWR Translator:Features, Applications and Datasheet23 October 2023742
Revolutionizing DC Link Bus Design: Unleashing High Frequency, High-Temperature Converter Potential11 July 20232798
An Overview of Photoelectric Sensors27 October 20258441
What is MCU Decryption?17 January 20221667
Semiconductor Veteran Kevin Conley Takes Helm as CEO of Applied Brain Research13 September 20233627
Introduction to TTL and CMOS Logic Gate Circuits24 November 202520405
Types, Working, and Selection of DC Motor27 March 202517101
What is Cat 7 Cable?04 January 20227258
Introduction to Voltage Stabilizer03 September 202017818
Microchip Technology
In Stock: 4000
United States
China
Canada
Japan
Russia
Germany
United Kingdom
Singapore
Italy
Hong Kong(China)
Taiwan(China)
France
Korea
Mexico
Netherlands
Malaysia
Austria
Spain
Switzerland
Poland
Thailand
Vietnam
India
United Arab Emirates
Afghanistan
Åland Islands
Albania
Algeria
American Samoa
Andorra
Angola
Anguilla
Antigua & Barbuda
Argentina
Armenia
Aruba
Australia
Azerbaijan
Bahamas
Bahrain
Bangladesh
Barbados
Belarus
Belgium
Belize
Benin
Bermuda
Bhutan
Bolivia
Bonaire, Sint Eustatius and Saba
Bosnia & Herzegovina
Botswana
Brazil
British Indian Ocean Territory
British Virgin Islands
Brunei
Bulgaria
Burkina Faso
Burundi
Cabo Verde
Cambodia
Cameroon
Cayman Islands
Central African Republic
Chad
Chile
Christmas Island
Cocos (Keeling) Islands
Colombia
Comoros
Congo
Congo (DRC)
Cook Islands
Costa Rica
Côte d’Ivoire
Croatia
Cuba
Curaçao
Cyprus
Czechia
Denmark
Djibouti
Dominica
Dominican Republic
Ecuador
Egypt
El Salvador
Equatorial Guinea
Eritrea
Estonia
Eswatini
Ethiopia
Falkland Islands
Faroe Islands
Fiji
Finland
French Guiana
French Polynesia
Gabon
Gambia
Georgia
Ghana
Gibraltar
Greece
Greenland
Grenada
Guadeloupe
Guam
Guatemala
Guernsey
Guinea
Guinea-Bissau
Guyana
Haiti
Honduras
Hungary
Iceland
Indonesia
Iran
Iraq
Ireland
Isle of Man
Israel
Jamaica
Jersey
Jordan
Kazakhstan
Kenya
Kiribati
Kosovo
Kuwait
Kyrgyzstan
Laos
Latvia
Lebanon
Lesotho
Liberia
Libya
Liechtenstein
Lithuania
Luxembourg
Macao(China)
Madagascar
Malawi
Maldives
Mali
Malta
Marshall Islands
Martinique
Mauritania
Mauritius
Mayotte
Micronesia
Moldova
Monaco
Mongolia
Montenegro
Montserrat
Morocco
Mozambique
Myanmar
Namibia
Nauru
Nepal
New Caledonia
New Zealand
Nicaragua
Niger
Nigeria
Niue
Norfolk Island
North Korea
North Macedonia
Northern Mariana Islands
Norway
Oman
Pakistan
Palau
Palestinian Authority
Panama
Papua New Guinea
Paraguay
Peru
Philippines
Pitcairn Islands
Portugal
Puerto Rico
Qatar
Réunion
Romania
Rwanda
Samoa
San Marino
São Tomé & Príncipe
Saudi Arabia
Senegal
Serbia
Seychelles
Sierra Leone
Sint Maarten
Slovakia
Slovenia
Solomon Islands
Somalia
South Africa
South Sudan
Sri Lanka
St Helena, Ascension, Tristan da Cunha
St. Barthélemy
St. Kitts & Nevis
St. Lucia
St. Martin
St. Pierre & Miquelon
St. Vincent & Grenadines
Sudan
Suriname
Svalbard & Jan Mayen
Sweden
Syria
Tajikistan
Tanzania
Timor-Leste
Togo
Tokelau
Tonga
Trinidad & Tobago
Tunisia
Turkey
Turkmenistan
Turks & Caicos Islands
Tuvalu
U.S. Outlying Islands
U.S. Virgin Islands
Uganda
Ukraine
Uruguay
Uzbekistan
Vanuatu
Vatican City
Venezuela
Wallis & Futuna
Yemen
Zambia
Zimbabwe


Product
Brand
Articles
Tools






