KSZ9031RNXIA Gigabit Ethernet Transceiver: Features, Equivalent and Datasheet
48 Terminations 3.3V 48 Pin KSZ9031 Receivers 4/4 Drivers/Receivers 1 Functions









48 Terminations 3.3V 48 Pin KSZ9031 Receivers 4/4 Drivers/Receivers 1 Functions
The KSZ9031RNX is a completely integrated triple-speed (10BASE-T/100BASE-TX/1000BASE-T) Ethernet physicallayer transceiver for transmission and reception of data on standard CAT-5 unshielded twisted pair (UTP) cable. Furthermore, Huge range of Semiconductors, Capacitors, Resistors and IcS in stock. Welcome RFQ.

What is TRANSCEIVER? What does TRANSCEIVER mean? TRANSCEIVER meaning, definition & explanation
KSZ9031RNXIA Pinout
The following figure is the diagram of KSZ9031RNXIA pinout.

Pinout
KSZ9031RNXIA CAD Model
The followings are KSZ9031RNXIA Symbol, Footprint, and 3D Model.

PCB Symbol

PCB Footprint

3D Model
KSZ9031RNXIA Overview
The KSZ9031RNX is a completely integrated triple-speed (10BASE-T/100BASE-TX/1000BASE-T) Ethernet physicallayer transceiver for transmission and reception of data on standard CAT-5 unshielded twisted pair (UTP) cable. The KSZ9031RNX provides the Reduced Gigabit Media Independent Interface (RGMII) for direct connection to RGMII MACs in Gigabit Ethernet processors and switches for data transfer at 10/100/1000 Mbps. The KSZ9031RNX reduces board cost and simplifies board layout by using on-chip termination resistors for the four differential pairs and by integrating an LDO controller to drive a low-cost MOSFET to supply the 1.2V core. The KSZ9031RNX offers diagnostic features to facilitate system bring-up and debugging in production testing and in product deployment. Parametric NAND tree support enables fault detection between KSZ9031 I/Os and the board. The LinkMD® TDR-based cable diagnostic identifies faulty copper cabling. Remote and local loopback functions verify analog and digital data paths. The standard KSZ9031RNX is available in a 48-pin, lead-free QFN package, and the AEC-Q100 automotive qualified parts, KSZ9031RNXUA/UB and KSZ9031RNXVA/VB, are available in a 48-pin lead-free VQFN (wettable) package.
This article provides you with a basic overview of the KSZ9031RNXIA Gigabit Ethernet Transceiver, including its pin descriptions, features and specifications, etc., to help you quickly understand what KSZ9031RNXIA is.
KSZ9031RNXIA Features
● Single-Chip 10/100/1000 Mbps Ethernet Transceiver Suitable for IEEE 802.3 Applications
● RGMII Timing Supports On-Chip Delay According to RGMII Version 2.0, with Programming Options for External Delay and Making Adjustments and Corrections to TX and RX Timing Paths
● RGMII with 3.3V/2.5V/1.8V Tolerant I/Os
● Auto-Negotiation to Automatically Select the Highest Link-Up Speed (10/100/1000 Mbps) and Duplex (Half/Full)
● On-Chip Termination Resistors for the Differential Pairs
● On-Chip LDO Controller to Support Single 3.3V Supply Operation – Requires Only One External FET to Generate 1.2V for the Core
● Jumbo Frame Support up to 16 KB
● 125 MHz Reference Clock Output
● Energy Detect Power-Down Mode for Reduced Power Consumption When the Cable is Not Attached
● Wake-On-LAN (WOL) Support with Robust Custom-Packet Detection
● Programmable LED Outputs for Link, Activity, and Speed
● Baseline Wander Correction
● LinkMD TDR-Based Cable Diagnostic to Identify Faulty Copper Cabling
● Parametric NAND Tree Support to Detect Faults Between Chip I/Os and Board
● Loopback Modes for Diagnostics
● Automatic MDI/MDI-X Crossover to Detect and Correct Pair Swap at all Speeds of Operation
● Automatic Detection and Correction of Pair Swaps, Pair Skew, and Pair Polarity
● MDC/MDIO Management Interface for PHY Register Configuration
● Interrupt Pin Option
● Power-Down and Power-Saving Modes
● Operating Voltages
◆ Core (DVDDL, AVDDL, AVDDL_PLL): 1.2V (External FET or Regulator)
◆ VDD I/O (DVDDH): 3.3V, 2.5V, or 1.8V
◆ Transceiver (AVDDH): 3.3V or 2.5V (Commercial Temp.)
● AEC-Q100 Grade 3 (KSZ9031RNXUA/UB) and Grade 2 (KSZ9031RNXVA/VB) Qualified for Automotive Applications
● 48-pin QFN (7 mm × 7 mm) Package
Specifications
- TypeParameter
- Factory Lead Time13 Weeks
- Mounting Type
The "Mounting Type" in electronic components refers to the method used to attach or connect a component to a circuit board or other substrate, such as through-hole, surface-mount, or panel mount.
Surface Mount - Package / Case
refers to the protective housing that encases an electronic component, providing mechanical support, electrical connections, and thermal management.
48-VFQFN Exposed Pad - Surface Mount
having leads that are designed to be soldered on the side of a circuit board that the body of the component is mounted on.
YES - Number of Pins48
- Usage LevelIndustrial grade
- Operating Temperature
The operating temperature is the range of ambient temperature within which a power supply, or any other electrical equipment, operate in. This ranges from a minimum operating temperature, to a peak or maximum operating temperature, outside which, the power supply may fail.
-40°C~85°C - Packaging
Semiconductor package is a carrier / shell used to contain and cover one or more semiconductor components or integrated circuits. The material of the shell can be metal, plastic, glass or ceramic.
Tray - Published2016
- JESD-609 Code
The "JESD-609 Code" in electronic components refers to a standardized marking code that indicates the lead-free solder composition and finish of electronic components for compliance with environmental regulations.
e3 - Part Status
Parts can have many statuses as they progress through the configuration, analysis, review, and approval stages.
Active - Moisture Sensitivity Level (MSL)
Moisture Sensitivity Level (MSL) is a standardized rating that indicates the susceptibility of electronic components, particularly semiconductors, to moisture-induced damage during storage and the soldering process, defining the allowable exposure time to ambient conditions before they require special handling or baking to prevent failures
3 (168 Hours) - Number of Terminations48
- ECCN Code
An ECCN (Export Control Classification Number) is an alphanumeric code used by the U.S. Bureau of Industry and Security to identify and categorize electronic components and other dual-use items that may require an export license based on their technical characteristics and potential for military use.
EAR99 - TypeTransceiver
- Terminal Finish
Terminal Finish refers to the surface treatment applied to the terminals or leads of electronic components to enhance their performance and longevity. It can improve solderability, corrosion resistance, and overall reliability of the connection in electronic assemblies. Common finishes include nickel, gold, and tin, each possessing distinct properties suitable for various applications. The choice of terminal finish can significantly impact the durability and effectiveness of electronic devices.
Matte Tin (Sn) - annealed - Voltage - Supply
Voltage - Supply refers to the range of voltage levels that an electronic component or circuit is designed to operate with. It indicates the minimum and maximum supply voltage that can be applied for the device to function properly. Providing supply voltages outside this range can lead to malfunction, damage, or reduced performance. This parameter is critical for ensuring compatibility between different components in a circuit.
1.8V 2.5V 3.3V - Terminal Position
In electronic components, the term "Terminal Position" refers to the physical location of the connection points on the component where external electrical connections can be made. These connection points, known as terminals, are typically used to attach wires, leads, or other components to the main body of the electronic component. The terminal position is important for ensuring proper connectivity and functionality of the component within a circuit. It is often specified in technical datasheets or component specifications to help designers and engineers understand how to properly integrate the component into their circuit designs.
QUAD - Number of Functions1
- Supply Voltage
Supply voltage refers to the electrical potential difference provided to an electronic component or circuit. It is crucial for the proper operation of devices, as it powers their functions and determines performance characteristics. The supply voltage must be within specified limits to ensure reliability and prevent damage to components. Different electronic devices have specific supply voltage requirements, which can vary widely depending on their design and intended application.
1.2V - Terminal Pitch
The center distance from one pole to the next.
0.5mm - Base Part Number
The "Base Part Number" (BPN) in electronic components serves a similar purpose to the "Base Product Number." It refers to the primary identifier for a component that captures the essential characteristics shared by a group of similar components. The BPN provides a fundamental way to reference a family or series of components without specifying all the variations and specific details.
KSZ9031 - Operating Supply Voltage
The voltage level by which an electrical system is designated and to which certain operating characteristics of the system are related.
3.3V - Number of Channels1
- Max Supply Current
Max Supply Current refers to the maximum amount of electrical current that a component can draw from its power supply under normal operating conditions. It is a critical parameter that ensures the component operates reliably without exceeding its thermal limits or damaging internal circuitry. Exceeding this current can lead to overheating, performance degradation, or failure of the component. Understanding this parameter is essential for designing circuits that provide adequate power while avoiding overload situations.
221mA - Data Rate
Data Rate is defined as the amount of data transmitted during a specified time period over a network. It is the speed at which data is transferred from one device to another or between a peripheral device and the computer. It is generally measured in Mega bits per second(Mbps) or Mega bytes per second(MBps).
1 Gbps - Protocol
In electronic components, the parameter "Protocol" refers to a set of rules and standards that govern the communication between devices. It defines the format, timing, sequencing, and error checking methods for data exchange between different components or systems. Protocols ensure that devices can understand and interpret data correctly, enabling them to communicate effectively with each other. Common examples of protocols in electronics include USB, Ethernet, SPI, I2C, and Bluetooth, each with its own specifications for data transmission. Understanding and adhering to protocols is essential for ensuring compatibility and reliable communication between electronic devices.
Ethernet - Number of Drivers/Receivers4/4
- Duplex
In the context of electronic components, "Duplex" refers to a type of communication system that allows for bidirectional data flow. It enables two devices to communicate with each other simultaneously, allowing for both sending and receiving of data at the same time. Duplex communication can be further categorized into two types: half-duplex, where data can be transmitted in both directions but not at the same time, and full-duplex, where data can be sent and received simultaneously. This parameter is crucial in networking and telecommunications systems to ensure efficient and effective data transmission between devices.
Full - Number of Drivers4
- Simplex/Duplex
In electronic components, the parameter "Simplex/Duplex" refers to the type of communication or data transmission mode supported by the component. Simplex communication is a one-way communication mode where data flows only in one direction, from the sender to the receiver. This means that the sender can only transmit data, and the receiver can only receive data. On the other hand, duplex communication is a two-way communication mode where data can flow in both directions, allowing for simultaneous transmission and reception of data between two devices. Understanding whether a component supports simplex or duplex communication is important for determining how data will be exchanged between devices and ensuring compatibility in a given system.
Full Duplex - Height850μm
- Length7mm
- Width7mm
- Radiation Hardening
Radiation hardening is the process of making electronic components and circuits resistant to damage or malfunction caused by high levels of ionizing radiation, especially for environments in outer space (especially beyond the low Earth orbit), around nuclear reactors and particle accelerators, or during nuclear accidents or nuclear warfare.
No - RoHS Status
RoHS means “Restriction of Certain Hazardous Substances” in the “Hazardous Substances Directive” in electrical and electronic equipment.
ROHS3 Compliant - Lead Free
Lead Free is a term used to describe electronic components that do not contain lead as part of their composition. Lead is a toxic material that can have harmful effects on human health and the environment, so the electronics industry has been moving towards lead-free components to reduce these risks. Lead-free components are typically made using alternative materials such as silver, copper, and tin. Manufacturers must comply with regulations such as the Restriction of Hazardous Substances (RoHS) directive to ensure that their products are lead-free and environmentally friendly.
Lead Free
KSZ9031RNXIA Functional Block Diagram
The following is the Block Diagram of KSZ9031RNXIA.

Block Diagram

System Block Diagram
KSZ9031RNXIA Equivalent
| Model number | Manufacturer | Description |
| BCM5388KPB | Broadcom Limited | Ethernet Transceiver, CMOS, PBGA324, 19 X 19 MM, FBGA-324 |
| KSZ8895FQXCA | Microchip Technology Inc | DATACOM, ETHERNET TRANSCEIVER, PQFP128 |
| KSZ8864RMNC-TR | Microchip Technology Inc | Ethernet Transceiver, QCC64 |
| LAN88730AM-C-V01 | Microchip Technology Inc | DATACOM, ETHERNET TRANSCEIVER |
| KSZ8864RMNI-TR | Microchip Technology Inc | Ethernet Transceiver, QCC64 |
| KSZ9031RNXUB-TRVAO | Microchip Technology Inc | Ethernet Transceiver |
| KSZ8895MQ | Micrel Inc | Ethernet Transceiver, CMOS, PQFP128, LEAD FREE, PLASTIC, QFP-128 |
| KSZ8895RLXC | Microchip Technology Inc | DATACOM, ETHERNET TRANSCEIVER |
| KSZ9031RNXIC | Microchip Technology Inc | DATACOM, ETHERNET TRANSCEIVER |
| KSZ8864RMNUB-TR-VAO | Microchip Technology Inc | Ethernet Transceiver, QCC64 |
Parts with Similar Specs
- ImagePart NumberManufacturerPackage / CaseNumber of PinsData RateSupply VoltageTerminal PitchLead FreeMounting TypeTerminal PositionView Compare
KSZ9031RNXIA
48-VFQFN Exposed Pad
48
1 Gbps
1.2 V
0.5 mm
Lead Free
Surface Mount
QUAD
48-VFQFN Exposed Pad
48
-
-
0.5 mm
Lead Free
Surface Mount
QUAD
42-WFQFN Exposed Pad
42
-
3.3 V
0.5 mm
Lead Free
Surface Mount
QUAD
48-VFQFN Exposed Pad
48
1 Gbps
1.2 V
0.5 mm
Lead Free
Surface Mount
QUAD
48-VFQFN Exposed Pad
48
1 Gbps
1.2 V
0.5 mm
Lead Free
Surface Mount
QUAD
KSZ9031RNXIA Applications
● Laser/Network Printer
● Network Attached Storage (NAS)
● Network Server
● Gigabit LAN on Motherboard (GLOM)
● Broadband Gateway
● Gigabit SOHO/SMB Router
● IPTV
● IP Set-Top Box
● Game Console
● Triple-Play (Data, Voice, Video) Media Center
● Industrial Control
● Automotive In-Vehicle Networking
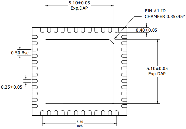
KSZ9031RNXIA Package
The following diagram shows the KSZ9031RNXIA package.

Top View

Bottom View

Side View
KSZ9031RNXIA Manufacturer
Microchip Technology Inc. is a leading provider of microcontroller and analog semiconductors, providing low-risk product development, lower total system cost and faster time to market for thousands of diverse customer applications worldwide. Headquartered in Chandler, Arizona, Microchip offers outstanding technical support along with dependable delivery and quality.
Trend Analysis
Datasheet PDF
- PCN Assembly/Origin :
- PCN Design/Specification :
- PCN Packaging :
- ConflictMineralStatement :
- Datasheets :
What is the essential property of the KSZ9031RNX?
The KSZ9031RNX is a completely integrated triple-speed (10BASE-T/100BASE-TX/1000BASE-T) Ethernet physicallayer transceiver for transmission and reception of data on standard CAT-5 unshielded twisted pair (UTP) cable.
How many LED modes can KSZ9031RNX be configured to support?
The KSZ9031RNX provides two programmable LED output pins, LED2 and LED1, which are configurable to support two LED modes.
How does KSZ9031RNX help reduce energy consumption?
The KSZ9031RNX incorporates a number of power-management modes and features that provide methods to consume less energy.
CS4270 Stereo Audio CODEC: CS4270 Datasheet, Pinout, CS4272 VS. CS427002 March 20223589
AVR® ATtiny 2KB Flash MCU: Hardware UART & 20MHz Performance Analysis05 February 202664
TL071: Detailed Datasheet, Pinout, and Alternatives Guide26 January 2026235
NEMA17 Stepper Motor: Datasheet pdf, 1.5 A 1.8° Stepper Motor and Dimensions29 November 202115228
SMAJ180 TVS Diode:Datasheet, Features, CAD Model18 September 2021275
STM8L052C6T6 Features, Specifications and Applications24 July 2025161
2N5457 N-Channel JFET : Pinout, Alternative and Datasheet15 July 20214290
1N4148 VS 1N4007 VS 1N5819: Brief introduction of 1N4148, 1N5819 and 1N4007 diodes06 June 202210189
Silicon carbide (SiC) and gallium nitride (GaN), who is the future of wide bandgap (WBG) materials?07 October 20214970
How to Test and Diagnose CAN Bus Transceiver Failures07 June 20255535
LLC Converter with Planar Matrix Transformer for High-Current-High-Power Applications15 March 20244268
HF PCB Circuit Design 10 Questions16 March 20224956
Advanced Wide-Bandgap Semiconductor Ultraviolet Photodetectors for Enhanced Detection and Imaging04 December 20231716
Global Semiconductor Market Share Continues to Grow27 October 20231934
Samsung: 3nm Yield Rate of 20%19 April 20224809
How to Select Stepper Motor Controllers for Precision19 July 2025609
Microchip Technology
In Stock
United States
China
Canada
Japan
Russia
Germany
United Kingdom
Singapore
Italy
Hong Kong(China)
Taiwan(China)
France
Korea
Mexico
Netherlands
Malaysia
Austria
Spain
Switzerland
Poland
Thailand
Vietnam
India
United Arab Emirates
Afghanistan
Åland Islands
Albania
Algeria
American Samoa
Andorra
Angola
Anguilla
Antigua & Barbuda
Argentina
Armenia
Aruba
Australia
Azerbaijan
Bahamas
Bahrain
Bangladesh
Barbados
Belarus
Belgium
Belize
Benin
Bermuda
Bhutan
Bolivia
Bonaire, Sint Eustatius and Saba
Bosnia & Herzegovina
Botswana
Brazil
British Indian Ocean Territory
British Virgin Islands
Brunei
Bulgaria
Burkina Faso
Burundi
Cabo Verde
Cambodia
Cameroon
Cayman Islands
Central African Republic
Chad
Chile
Christmas Island
Cocos (Keeling) Islands
Colombia
Comoros
Congo
Congo (DRC)
Cook Islands
Costa Rica
Côte d’Ivoire
Croatia
Cuba
Curaçao
Cyprus
Czechia
Denmark
Djibouti
Dominica
Dominican Republic
Ecuador
Egypt
El Salvador
Equatorial Guinea
Eritrea
Estonia
Eswatini
Ethiopia
Falkland Islands
Faroe Islands
Fiji
Finland
French Guiana
French Polynesia
Gabon
Gambia
Georgia
Ghana
Gibraltar
Greece
Greenland
Grenada
Guadeloupe
Guam
Guatemala
Guernsey
Guinea
Guinea-Bissau
Guyana
Haiti
Honduras
Hungary
Iceland
Indonesia
Iran
Iraq
Ireland
Isle of Man
Israel
Jamaica
Jersey
Jordan
Kazakhstan
Kenya
Kiribati
Kosovo
Kuwait
Kyrgyzstan
Laos
Latvia
Lebanon
Lesotho
Liberia
Libya
Liechtenstein
Lithuania
Luxembourg
Macao(China)
Madagascar
Malawi
Maldives
Mali
Malta
Marshall Islands
Martinique
Mauritania
Mauritius
Mayotte
Micronesia
Moldova
Monaco
Mongolia
Montenegro
Montserrat
Morocco
Mozambique
Myanmar
Namibia
Nauru
Nepal
New Caledonia
New Zealand
Nicaragua
Niger
Nigeria
Niue
Norfolk Island
North Korea
North Macedonia
Northern Mariana Islands
Norway
Oman
Pakistan
Palau
Palestinian Authority
Panama
Papua New Guinea
Paraguay
Peru
Philippines
Pitcairn Islands
Portugal
Puerto Rico
Qatar
Réunion
Romania
Rwanda
Samoa
San Marino
São Tomé & Príncipe
Saudi Arabia
Senegal
Serbia
Seychelles
Sierra Leone
Sint Maarten
Slovakia
Slovenia
Solomon Islands
Somalia
South Africa
South Sudan
Sri Lanka
St Helena, Ascension, Tristan da Cunha
St. Barthélemy
St. Kitts & Nevis
St. Lucia
St. Martin
St. Pierre & Miquelon
St. Vincent & Grenadines
Sudan
Suriname
Svalbard & Jan Mayen
Sweden
Syria
Tajikistan
Tanzania
Timor-Leste
Togo
Tokelau
Tonga
Trinidad & Tobago
Tunisia
Turkey
Turkmenistan
Turks & Caicos Islands
Tuvalu
U.S. Outlying Islands
U.S. Virgin Islands
Uganda
Ukraine
Uruguay
Uzbekistan
Vanuatu
Vatican City
Venezuela
Wallis & Futuna
Yemen
Zambia
Zimbabwe


Product
Brand
Articles
Tools








