MIC2775 Micro-Power Voltage Supervisor: Pinout, Equivalent and Datasheet
MIC2775 Voltage supervisor Min 1.5V Max 5.5V
The MIC2775 is a power supply supervisor that provides undervoltage monitoring, manual reset capability, and power-on reset generation in a compact 5-pin SOT package. Furthermore, Huge range of Semiconductors, Capacitors, Resistors and IcS in stock. Welcome RFQ.

What is a Voltage Supervisor?
MIC2775 Pinout
The following figure is the diagram of MIC2775 Pinout.

Pinout
MIC2775 CAD Model
The followings are MIC2775 Footprint and 3D Model.

Footprint

3D Model
MIC2775 Description
The MIC2775 is a power supply supervisor that provides undervoltage monitoring, manual reset capability, and power-on reset generation in a compact 5-pin SOT package. Features include an undervoltage detector, a delay generator, a manual reset input, and both active-high and active-low reset outputs. The undervoltage detector compares VDD against a fixed threshold. Ten factory-programmed thresholds are available.
The reset outputs are asserted for no less than 140ms at power-on and any time the input voltage drops below the reference voltage. It remains asserted for the timeout period after the input voltage subsequently rises back above the threshold boundary. A reset can be generated at any time by asserting the manual reset input, /MR. This reset output will remain active at least 140ms after the release of /MR. The /MR input can also be used to daisy-chain the MIC2775 onto existing power monitoring circuitry or other supervisors. Hysteresis is included to prevent chattering due to noise. Typical suppy current is an ultra-low 3.5μA.
This article will introduce MIC2775 systematically from its features, pinout to its specifications, applications, also including MIC2775 datasheet and so much more.
MIC2775 Features
● Monitors power supply for undervoltage conditions
● Choice of factory-programmed thresholds
● Generates 140ms (minimum) power-on reset pulse
● Manual reset capability
● Both active-high and active-low reset outputs
● /RST output valid down to 1.2V
● Ultra-low supply current, 3.5μA typical
● Rejects brief input transients
● No external components
● For extended temperature range see Micrel's MAX825
● lttyBitty 5-pin SOT-23 package
Specifications
- TypeParameter
- Factory Lead Time14 Weeks
- Mount
In electronic components, the term "Mount" typically refers to the method or process of physically attaching or fixing a component onto a circuit board or other electronic device. This can involve soldering, adhesive bonding, or other techniques to secure the component in place. The mounting process is crucial for ensuring proper electrical connections and mechanical stability within the electronic system. Different components may have specific mounting requirements based on their size, shape, and function, and manufacturers provide guidelines for proper mounting procedures to ensure optimal performance and reliability of the electronic device.
Surface Mount - Mounting Type
The "Mounting Type" in electronic components refers to the method used to attach or connect a component to a circuit board or other substrate, such as through-hole, surface-mount, or panel mount.
Surface Mount - Package / Case
refers to the protective housing that encases an electronic component, providing mechanical support, electrical connections, and thermal management.
SC-74A, SOT-753 - Number of Pins5
- Supplier Device Package
The parameter "Supplier Device Package" in electronic components refers to the physical packaging or housing of the component as provided by the supplier. It specifies the form factor, dimensions, and layout of the component, which are crucial for compatibility and integration into electronic circuits and systems. The supplier device package information typically includes details such as the package type (e.g., DIP, SOP, QFN), number of pins, pitch, and overall size, allowing engineers and designers to select the appropriate component for their specific application requirements. Understanding the supplier device package is essential for proper component selection, placement, and soldering during the manufacturing process to ensure optimal performance and reliability of the electronic system.
SOT-23-5 - Usage LevelIndustrial grade
- Operating Temperature
The operating temperature is the range of ambient temperature within which a power supply, or any other electrical equipment, operate in. This ranges from a minimum operating temperature, to a peak or maximum operating temperature, outside which, the power supply may fail.
-40°C~85°C TA - Packaging
Semiconductor package is a carrier / shell used to contain and cover one or more semiconductor components or integrated circuits. The material of the shell can be metal, plastic, glass or ceramic.
Tape & Reel (TR) - Part Status
Parts can have many statuses as they progress through the configuration, analysis, review, and approval stages.
Active - Moisture Sensitivity Level (MSL)
Moisture Sensitivity Level (MSL) is a standardized rating that indicates the susceptibility of electronic components, particularly semiconductors, to moisture-induced damage during storage and the soldering process, defining the allowable exposure time to ambient conditions before they require special handling or baking to prevent failures
1 (Unlimited) - TypeSimple Reset/Power-On Reset
- Max Operating Temperature
The Maximum Operating Temperature is the maximum body temperature at which the thermistor is designed to operate for extended periods of time with acceptable stability of its electrical characteristics.
85°C - Min Operating Temperature
The "Min Operating Temperature" parameter in electronic components refers to the lowest temperature at which the component is designed to operate effectively and reliably. This parameter is crucial for ensuring the proper functioning and longevity of the component, as operating below this temperature may lead to performance issues or even damage. Manufacturers specify the minimum operating temperature to provide guidance to users on the environmental conditions in which the component can safely operate. It is important to adhere to this parameter to prevent malfunctions and ensure the overall reliability of the electronic system.
-40°C - Base Part Number
The "Base Part Number" (BPN) in electronic components serves a similar purpose to the "Base Product Number." It refers to the primary identifier for a component that captures the essential characteristics shared by a group of similar components. The BPN provides a fundamental way to reference a family or series of components without specifying all the variations and specific details.
MIC2775 - Output
In electronic components, the parameter "Output" typically refers to the signal or data that is produced by the component and sent to another part of the circuit or system. The output can be in the form of voltage, current, frequency, or any other measurable quantity depending on the specific component. The output of a component is often crucial in determining its functionality and how it interacts with other components in the circuit. Understanding the output characteristics of electronic components is essential for designing and troubleshooting electronic circuits effectively.
Complementary - Max Supply Voltage
In general, the absolute maximum common-mode voltage is VEE-0.3V and VCC+0.3V, but for products without a protection element at the VCC side, voltages up to the absolute maximum rated supply voltage (i.e. VEE+36V) can be supplied, regardless of supply voltage.
5.5V - Min Supply Voltage
The minimum supply voltage (V min ) is explored for sequential logic circuits by statistically simulating the impact of within-die process variations and gate-dielectric soft breakdown on data retention and hold time.
1.5V - Reset
The "Reset" parameter in electronic components refers to a function that initializes or sets a device to a predefined state. It is often used to clear any temporary data, errors, or configurations that may have been stored during operation. The reset process can ensure that the device starts from a known good state, allowing for reliable performance in subsequent tasks. This parameter is critical in digital circuits and systems where proper initialization is necessary for correct functioning.
Active High/Active Low - Voltage - Threshold
Voltage - Threshold is a parameter in electronic components that refers to the minimum voltage level required to trigger a specific function or operation within the component. It is the critical voltage level at which the component transitions from one state to another, such as turning on or off. This threshold voltage is essential for ensuring the proper functioning of the component and is often specified in the component's datasheet. Understanding the voltage threshold is crucial for designing and troubleshooting electronic circuits to ensure that the component operates within its specified voltage range.
2.53V - Number of Voltages Monitored
Voltage monitoring relays can detect not only under-voltages and over-voltages, but also voltage-related issues such as phase imbalances, phase loss, and phase sequence. Voltage monitoring relays are designed for either single-phase or three-phase systems.
1 - Reset Timeout
The "Reset Timeout" parameter in electronic components refers to the amount of time it takes for a device to reset or return to its default state after a specific event or condition. This parameter is crucial in ensuring the proper functioning and reliability of the component, as it determines how quickly the device can recover from a fault or error situation. A shorter reset timeout typically indicates a faster response time, while a longer reset timeout may allow for more thorough error recovery processes. Designers and engineers must carefully consider the reset timeout value to meet the requirements of the application and ensure optimal performance of the electronic component.
140ms Minimum - RoHS Status
RoHS means “Restriction of Certain Hazardous Substances” in the “Hazardous Substances Directive” in electrical and electronic equipment.
ROHS3 Compliant
MIC2775 Functional Block Diagram
The following is the Functional Block Diagram of MIC2775.

Functional Block Diagram
MIC2775 Equivalent
| Model number | Manufacturer | Description |
| MIC2775-25BM5TR | Micrel Inc | Power Supply Support Circuit, Fixed, 1 Channel, +2.53VV, PDSO5, SOT-23, 5 PIN |
| MIC2775-25BM5TX | Microchip Technology Inc | IC,VOLT DETECTOR,FIXED,+2.53V,TSOP,5PIN,PLASTIC |
| MIC2775-25BM5 | Microchip Technology Inc | Power Supply Support Circuit, Fixed, 1 Channel, PDSO5, SOT-23, 5 PIN |
| MIC2775-25YM5 | Microchip Technology Inc | 1-CHANNEL POWER SUPPLY SUPPORT CKT, PDSO5 |
Parts with Similar Specs
- ImagePart NumberManufacturerPackage / CaseNumber of PinsNumber of Voltages MonitoredResetReset TimeoutMin Supply VoltageMax Supply VoltageView Compare
MIC2775-25YM5-TR
SC-74A, SOT-753
5
1
Active High/Active Low
140ms Minimum
1.5 V
5.5 V
SOT-23-5 Thin, TSOT-23-5
5
1
Active High/Active Low
140ms Minimum
1.2 V
5.5 V
SC-74A, SOT-753
5
1
Active High/Active Low
140ms Minimum
1.5 V
5.5 V
SC-74A, SOT-753
5
1
Active High/Active Low
140ms Minimum
1.5 V
5.5 V
SC-74A, SOT-753
5
1
Active High/Active Low
140ms Minimum
1.5 V
5.5 V
MIC2775 Applications
● Monitoring processor core and input/output voltages
● Computer systems
● PDAs, handheld PCs
● Embedded controllers
● Telecommunications systems
● Power supplies
MIC2775 Typical Application
The following figure is the diagram of MIC2775 Typical Application.

Typical Application
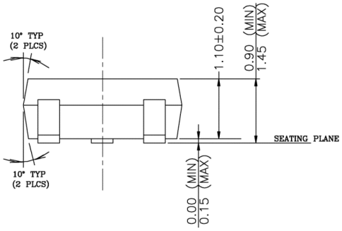
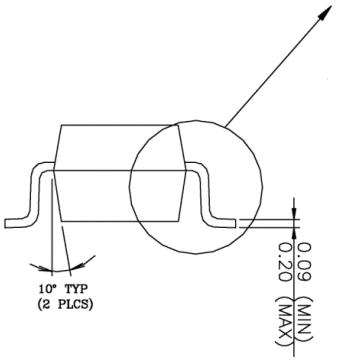
MIC2775 Package
The following diagrams show the MIC2775 Package.

Top View

Side View

End View

Detail
MIC2775 Recommended Land Pattern
The following diagram shows the MIC2775 Recommended Land Pattern.

Recommended Land Pattern
MIC2775 Manufacturer
Microchip Technology Inc. is a leading provider of microcontroller and analog semiconductors, providing low-risk product development, lower total system cost and faster time to market for thousands of diverse customer applications worldwide. Headquartered in Chandler, Arizona, Microchip offers outstanding technical support along with dependable delivery and quality.
Datasheet PDF
- PCN Assembly/Origin :
- PCN Packaging :
- ConflictMineralStatement :
- Datasheets :
How many pins of MIC2775-25YM5-TR?
5 Pins.
What’s the operating temperature of MIC2775-25YM5-TR?
-40°C~85°C TA.
What is the essential property of the MIC2775?
The MIC2775 is a power supply supervisor that provides undervoltage monitoring, manual reset capability, and power-on reset generation in a compact 5-pin SOT package.
Understanding the Renesas H8S/2000 Microcontroller Series: Technical Overview29 February 2024654
MSP430FE42x Mixed Signal Microcontroller: Comprehensive Technical Overview29 February 2024143
OPTIREG™ linear TLE4267 400mA LDO: Solving Automotive Power Stability and Thermal Challenges28 February 2026106
LME49720 Audio Operational Amplifier: Circuit, Price and Alternatives29 June 20215181
LP2951CSD-3.3 NOPB 8-WDFN Voltage Regulators, LP2951 Datasheet pdf17 February 20221180
MAX3600A Laser Driver: Datasheet, Pinout, Circuit31 August 2021357
AD7528 - A High-Performance 8-Bit Digital to Analog Converter for Precise Data Acquisition06 March 2024175
74HC245 Transceiver IC: Price, Uses and Datasheet30 August 20212948
Silicon Carbide Semiconductor Devices at Ultra-high Voltages and their Applications04 January 20231949
Core Components behind Smart Glasses28 June 202310593
Utmel Christmas and New Year Carnival07 December 20204042
NPN Transistors and PNP Transistors29 October 20209448
Optical Gates for High-Speed Optical Processing Using Semiconductor-Based Amplifiers30 December 20221967
Introduction to Synchronous Counter and Asynchronous Counter31 March 202517844
TSMC's Global Distribution25 March 20223516
How are Integrated Circuits produced?20 October 202525538
Microchip Technology
In Stock: 1619
United States
China
Canada
Japan
Russia
Germany
United Kingdom
Singapore
Italy
Hong Kong(China)
Taiwan(China)
France
Korea
Mexico
Netherlands
Malaysia
Austria
Spain
Switzerland
Poland
Thailand
Vietnam
India
United Arab Emirates
Afghanistan
Åland Islands
Albania
Algeria
American Samoa
Andorra
Angola
Anguilla
Antigua & Barbuda
Argentina
Armenia
Aruba
Australia
Azerbaijan
Bahamas
Bahrain
Bangladesh
Barbados
Belarus
Belgium
Belize
Benin
Bermuda
Bhutan
Bolivia
Bonaire, Sint Eustatius and Saba
Bosnia & Herzegovina
Botswana
Brazil
British Indian Ocean Territory
British Virgin Islands
Brunei
Bulgaria
Burkina Faso
Burundi
Cabo Verde
Cambodia
Cameroon
Cayman Islands
Central African Republic
Chad
Chile
Christmas Island
Cocos (Keeling) Islands
Colombia
Comoros
Congo
Congo (DRC)
Cook Islands
Costa Rica
Côte d’Ivoire
Croatia
Cuba
Curaçao
Cyprus
Czechia
Denmark
Djibouti
Dominica
Dominican Republic
Ecuador
Egypt
El Salvador
Equatorial Guinea
Eritrea
Estonia
Eswatini
Ethiopia
Falkland Islands
Faroe Islands
Fiji
Finland
French Guiana
French Polynesia
Gabon
Gambia
Georgia
Ghana
Gibraltar
Greece
Greenland
Grenada
Guadeloupe
Guam
Guatemala
Guernsey
Guinea
Guinea-Bissau
Guyana
Haiti
Honduras
Hungary
Iceland
Indonesia
Iran
Iraq
Ireland
Isle of Man
Israel
Jamaica
Jersey
Jordan
Kazakhstan
Kenya
Kiribati
Kosovo
Kuwait
Kyrgyzstan
Laos
Latvia
Lebanon
Lesotho
Liberia
Libya
Liechtenstein
Lithuania
Luxembourg
Macao(China)
Madagascar
Malawi
Maldives
Mali
Malta
Marshall Islands
Martinique
Mauritania
Mauritius
Mayotte
Micronesia
Moldova
Monaco
Mongolia
Montenegro
Montserrat
Morocco
Mozambique
Myanmar
Namibia
Nauru
Nepal
New Caledonia
New Zealand
Nicaragua
Niger
Nigeria
Niue
Norfolk Island
North Korea
North Macedonia
Northern Mariana Islands
Norway
Oman
Pakistan
Palau
Palestinian Authority
Panama
Papua New Guinea
Paraguay
Peru
Philippines
Pitcairn Islands
Portugal
Puerto Rico
Qatar
Réunion
Romania
Rwanda
Samoa
San Marino
São Tomé & Príncipe
Saudi Arabia
Senegal
Serbia
Seychelles
Sierra Leone
Sint Maarten
Slovakia
Slovenia
Solomon Islands
Somalia
South Africa
South Sudan
Sri Lanka
St Helena, Ascension, Tristan da Cunha
St. Barthélemy
St. Kitts & Nevis
St. Lucia
St. Martin
St. Pierre & Miquelon
St. Vincent & Grenadines
Sudan
Suriname
Svalbard & Jan Mayen
Sweden
Syria
Tajikistan
Tanzania
Timor-Leste
Togo
Tokelau
Tonga
Trinidad & Tobago
Tunisia
Turkey
Turkmenistan
Turks & Caicos Islands
Tuvalu
U.S. Outlying Islands
U.S. Virgin Islands
Uganda
Ukraine
Uruguay
Uzbekistan
Vanuatu
Vatican City
Venezuela
Wallis & Futuna
Yemen
Zambia
Zimbabwe


Product
Brand
Articles
Tools













