TDA7388 Audio Amplifier: Datasheet, Price, Circuit
350mA mA 20 kHz kHz 41W W Audio Amplifiers 80W W 25 pins 25-Flexiwatt (Formed Leads)









350mA mA 20 kHz kHz 41W W Audio Amplifiers 80W W 25 pins 25-Flexiwatt (Formed Leads)
This article will unlock more details about TDA7388, an AB class audio power amplifier. This article will unlock its datasheet, pinout, circuit and more details about TDA7388. And more, a Huge range of Semiconductors, Capacitors, Resistors and ICs in stock. Welcome RFQ!

How To Make Simple 160w Amplifier TDA7388. Step By Step
TDA7388 Pinout

TDA7388 Pinout
| Pin No | Pin Name | Pin Function |
| 1 | TAB | Connect to ground |
| 2 | P-GND2 | Power ground of Channel 2 |
| 3 | OUT2- | Inverting Output of Channel 2 |
| 4 | ST-BY | Stand-by |
| 5 | OUT2+ | Non-Inverting Output of Channel 2 |
| 6 | VCC | Supply Voltage |
| 7 | OUT1- | Inverting Output of Channel 1 |
| 8 | P-GND1 | Power ground of Channel 1 |
| 9 | OUT1+ | Non-Inverting Output of Channel 1 |
| 10 | SVR | Supply Voltage Rejection |
| 11 | IN1 | Input of Channel 1 |
| 12 | IN2 | Input of Channel 2 |
| 13 | S-GND | Signal ground |
| 14 | IN4 | Input of Channel 4 |
| 15 | IN3 | Input of Channel 3 |
| 16 | AC-GND | AC ground |
| 17 | OUT3+ | Non-Inverting Output of Channel 3 |
| 18 | P-GND3 | Power ground of Channel 3 |
| 19 | OUT3- | Inverting Output of Channel 3 |
| 20 | VCC | Supply Voltage |
| 21 | OUT4+ | Non-Inverting Output of Channel 4 |
| 22 | MUTE | Mute |
| 23 | OUT4- | Inverting Output of Channel 4 |
| 24 | P-GND4 | Power GND of Channel 4 |
| 25 | HSD | No Connection |
Pin Description
TDA7388 Description
The TDA7388 is an AB class audio power amplifier, packaged in Flexiwatt 25 and designed for high-end car radio applications. Based on a fully complementary PNP/NPN configuration, the TDA7388 allows a rail to rail output voltage swing with no need for bootstrap capacitors. The extremely reduced boundary components count allows very compact sets.
TDA7388 CAD Model
Symbol

TDA7388 Symbol
Footprint

TDA7388 Footprint
3D Model

TDA7388 3D Model
Specifications
- TypeParameter
- Lifecycle Status
Lifecycle Status refers to the current stage of an electronic component in its product life cycle, indicating whether it is active, obsolete, or transitioning between these states. An active status means the component is in production and available for purchase. An obsolete status indicates that the component is no longer being manufactured or supported, and manufacturers typically provide a limited time frame for support. Understanding the lifecycle status is crucial for design engineers to ensure continuity and reliability in their projects.
ACTIVE (Last Updated: 8 months ago) - Factory Lead Time11 Weeks
- Mount
In electronic components, the term "Mount" typically refers to the method or process of physically attaching or fixing a component onto a circuit board or other electronic device. This can involve soldering, adhesive bonding, or other techniques to secure the component in place. The mounting process is crucial for ensuring proper electrical connections and mechanical stability within the electronic system. Different components may have specific mounting requirements based on their size, shape, and function, and manufacturers provide guidelines for proper mounting procedures to ensure optimal performance and reliability of the electronic device.
Through Hole - Mounting Type
The "Mounting Type" in electronic components refers to the method used to attach or connect a component to a circuit board or other substrate, such as through-hole, surface-mount, or panel mount.
Through Hole - Package / Case
refers to the protective housing that encases an electronic component, providing mechanical support, electrical connections, and thermal management.
25-Flexiwatt (Formed Leads) - Number of Pins25
- Manufacturer Package Identifier
The Manufacturer Package Identifier is a unique code or label assigned by the manufacturer to identify a specific package or housing style of an electronic component. This identifier helps in distinguishing between different package types of the same component, such as integrated circuits, transistors, or diodes. It typically includes information about the package dimensions, lead configuration, and other physical characteristics of the component. The Manufacturer Package Identifier is crucial for ensuring compatibility and proper assembly of electronic components in various devices and circuits.
25-Flexiwatt - Packaging
Semiconductor package is a carrier / shell used to contain and cover one or more semiconductor components or integrated circuits. The material of the shell can be metal, plastic, glass or ceramic.
Tube - JESD-609 Code
The "JESD-609 Code" in electronic components refers to a standardized marking code that indicates the lead-free solder composition and finish of electronic components for compliance with environmental regulations.
e3 - Part Status
Parts can have many statuses as they progress through the configuration, analysis, review, and approval stages.
Active - Moisture Sensitivity Level (MSL)
Moisture Sensitivity Level (MSL) is a standardized rating that indicates the susceptibility of electronic components, particularly semiconductors, to moisture-induced damage during storage and the soldering process, defining the allowable exposure time to ambient conditions before they require special handling or baking to prevent failures
1 (Unlimited) - Number of Terminations25
- ECCN Code
An ECCN (Export Control Classification Number) is an alphanumeric code used by the U.S. Bureau of Industry and Security to identify and categorize electronic components and other dual-use items that may require an export license based on their technical characteristics and potential for military use.
EAR99 - TypeClass AB
- Terminal Finish
Terminal Finish refers to the surface treatment applied to the terminals or leads of electronic components to enhance their performance and longevity. It can improve solderability, corrosion resistance, and overall reliability of the connection in electronic assemblies. Common finishes include nickel, gold, and tin, each possessing distinct properties suitable for various applications. The choice of terminal finish can significantly impact the durability and effectiveness of electronic devices.
Tin (Sn) - Max Power Dissipation
The maximum power that the MOSFET can dissipate continuously under the specified thermal conditions.
80W - Voltage - Supply
Voltage - Supply refers to the range of voltage levels that an electronic component or circuit is designed to operate with. It indicates the minimum and maximum supply voltage that can be applied for the device to function properly. Providing supply voltages outside this range can lead to malfunction, damage, or reduced performance. This parameter is critical for ensuring compatibility between different components in a circuit.
8V~18V - Terminal Position
In electronic components, the term "Terminal Position" refers to the physical location of the connection points on the component where external electrical connections can be made. These connection points, known as terminals, are typically used to attach wires, leads, or other components to the main body of the electronic component. The terminal position is important for ensuring proper connectivity and functionality of the component within a circuit. It is often specified in technical datasheets or component specifications to help designers and engineers understand how to properly integrate the component into their circuit designs.
ZIG-ZAG - Number of Functions1
- Terminal Pitch
The center distance from one pole to the next.
1mm - Base Part Number
The "Base Part Number" (BPN) in electronic components serves a similar purpose to the "Base Product Number." It refers to the primary identifier for a component that captures the essential characteristics shared by a group of similar components. The BPN provides a fundamental way to reference a family or series of components without specifying all the variations and specific details.
TDA7388 - Pin Count
a count of all of the component leads (or pins)
25 - Output Type
The "Output Type" parameter in electronic components refers to the type of signal or data that is produced by the component as an output. This parameter specifies the nature of the output signal, such as analog or digital, and can also include details about the voltage levels, current levels, frequency, and other characteristics of the output signal. Understanding the output type of a component is crucial for ensuring compatibility with other components in a circuit or system, as well as for determining how the output signal can be utilized or processed further. In summary, the output type parameter provides essential information about the nature of the signal that is generated by the electronic component as its output.
4-Channel (Quad) - Number of Channels4
- Nominal Supply Current
Nominal current is the same as the rated current. It is the current drawn by the motor while delivering rated mechanical output at its shaft.
350mA - Power Dissipation
the process by which an electronic or electrical device produces heat (energy loss or waste) as an undesirable derivative of its primary action.
80W - Output Power
That power available at a specified output of a device under specified conditions of operation.
45W - Input Offset Voltage (Vos)
Input Offset Voltage (Vos) is a key parameter in electronic components, particularly in operational amplifiers. It refers to the voltage difference that must be applied between the two input terminals of the amplifier to nullify the output voltage when the input terminals are shorted together. In simpler terms, it represents the voltage required to bring the output of the amplifier to zero when there is no input signal present. Vos is an important parameter as it can introduce errors in the output signal of the amplifier, especially in precision applications where accuracy is crucial. Minimizing Vos is essential to ensure the amplifier operates with high precision and accuracy.
80mV - Bandwidth
In electronic components, "Bandwidth" refers to the range of frequencies over which the component can effectively operate or pass signals without significant loss or distortion. It is a crucial parameter for devices like amplifiers, filters, and communication systems. The bandwidth is typically defined as the difference between the upper and lower frequencies at which the component's performance meets specified criteria, such as a certain level of signal attenuation or distortion. A wider bandwidth indicates that the component can handle a broader range of frequencies, making it more versatile for various applications. Understanding the bandwidth of electronic components is essential for designing and optimizing circuits to ensure proper signal transmission and reception within the desired frequency range.
20 kHz - Voltage Gain
Voltage gain is a measure of how much an electronic component or circuit amplifies an input voltage signal to produce an output voltage signal. It is typically expressed as a ratio or in decibels (dB). A higher voltage gain indicates a greater amplification of the input signal. Voltage gain is an important parameter in amplifiers, where it determines the level of amplification provided by the circuit. It is calculated by dividing the output voltage by the input voltage and is a key factor in determining the overall performance and functionality of electronic devices.
26dB - Gain
In electronic components, "Gain" refers to the ratio of the output signal amplitude to the input signal amplitude. It is a measure of the amplification provided by the component, such as a transistor or operational amplifier. Gain is typically expressed in decibels (dB) or as a numerical value, indicating how much the signal is amplified by the component.A higher gain value indicates a greater amplification of the input signal, while a lower gain value indicates less amplification. Gain is an important parameter in designing and analyzing electronic circuits, as it determines the overall performance and functionality of the system. Different components have different gain characteristics, and understanding the gain of a component is crucial for achieving the desired signal processing or amplification in electronic systems.
26 dB - Max Output Power
The maximum output power = the maximum output current × the rated output voltage
41W - Max Output Power x Channels @ Load
Max Output Power x Channels @ Load is a specification that describes the maximum power output that an electronic component, such as an amplifier or audio device, can deliver across a certain number of channels at a specific load impedance. This parameter is important for understanding the capability of the component to drive speakers or other devices effectively. The value is typically expressed in watts and can vary depending on the number of channels being used and the impedance of the load. It helps users determine the compatibility of the component with their audio setup and ensures that the component can provide sufficient power for optimal performance.
41W x 4 @ 4 Ω - Harmonic Distortion
Harmonic distortion is a common parameter used to describe the quality of audio or electronic signals. It refers to the presence of unwanted harmonics or additional frequencies in the output signal that were not present in the input signal. These harmonics are typically multiples of the original signal frequency and can distort the waveform, affecting the overall sound quality or performance of the electronic component. Lower harmonic distortion values indicate a cleaner and more accurate output signal, while higher distortion levels can result in a more distorted or altered sound. Manufacturers often specify harmonic distortion levels in percentage or decibels to help users understand the quality of the component's output.
10% - Features
In the context of electronic components, the term "Features" typically refers to the specific characteristics or functionalities that a particular component offers. These features can vary depending on the type of component and its intended use. For example, a microcontroller may have features such as built-in memory, analog-to-digital converters, and communication interfaces like UART or SPI.When evaluating electronic components, understanding their features is crucial in determining whether they meet the requirements of a particular project or application. Engineers and designers often look at features such as operating voltage, speed, power consumption, and communication protocols to ensure compatibility and optimal performance.In summary, the "Features" parameter in electronic components describes the unique attributes and capabilities that differentiate one component from another, helping users make informed decisions when selecting components for their electronic designs.
Mute, Short-Circuit and Thermal Protection, Standby - Length29.23mm
- Height Seated (Max)
Height Seated (Max) is a parameter in electronic components that refers to the maximum allowable height of the component when it is properly seated or installed on a circuit board or within an enclosure. This specification is crucial for ensuring proper fit and alignment within the overall system design. Exceeding the maximum seated height can lead to mechanical interference, electrical shorts, or other issues that may impact the performance and reliability of the electronic device. Manufacturers provide this information to help designers and engineers select components that will fit within the designated space and function correctly in the intended application.
19.37mm - Radiation Hardening
Radiation hardening is the process of making electronic components and circuits resistant to damage or malfunction caused by high levels of ionizing radiation, especially for environments in outer space (especially beyond the low Earth orbit), around nuclear reactors and particle accelerators, or during nuclear accidents or nuclear warfare.
No - RoHS Status
RoHS means “Restriction of Certain Hazardous Substances” in the “Hazardous Substances Directive” in electrical and electronic equipment.
ROHS3 Compliant - Lead Free
Lead Free is a term used to describe electronic components that do not contain lead as part of their composition. Lead is a toxic material that can have harmful effects on human health and the environment, so the electronics industry has been moving towards lead-free components to reduce these risks. Lead-free components are typically made using alternative materials such as silver, copper, and tin. Manufacturers must comply with regulations such as the Restriction of Hazardous Substances (RoHS) directive to ensure that their products are lead-free and environmentally friendly.
Lead Free
Parts with Similar Specs
- ImagePart NumberManufacturerPackage / CaseNumber of PinsNumber of ChannelsMax Output PowerOutput PowerRadiation HardeningECCN CodeMoisture Sensitivity Level (MSL)View Compare
TDA7388
25-Flexiwatt (Formed Leads)
25
4
41 W
45 W
No
EAR99
1 (Unlimited)
27-Flexiwatt (Formed Leads)
27
4
42 W
42 W
No
EAR99
1 (Unlimited)
25-WFBGA
25
5
2.5 W
2.5 W
No
EAR99
1 (Unlimited)
25-WFBGA
25
5
2.5 W
2.5 W
No
EAR99
1 (Unlimited)
-
25
3
-
0.5 W
No
EAR99
1
TDA7388 Features
High output power capability:
– 4 x 45 W / 4 max.
– 4 x 26 W / 4 @ 14.4 V, 1 kHz, 10 %
Low distortion
Low output noise
Standby function
Mute function
Automate at min. supply voltage detection
Low external component count:
– Internally fixed gain (26 dB)
– No external compensation
– No bootstrap capacitors
TDA7388 Application
Can be used for Portable Speakers, Portable DVD Players, Game Machines
Any possible Quad Bridge amplifier-based project.
TDA7388 Alternatives
| Parts | Description | Manufacturer |
| LA47510 CONSUMER CIRCUITS | Audio Amplifier, 48W, 2 Channel(s), 1 Func, Bipolar, HZIP-25 | SANYO Electric Co Ltd |
| LV47004P CONSUMER CIRCUITS | Audio Amplifier, 41W, 4 Channel(s), 1 Func, HZIP-25 | SANYO Semiconductor Co Ltd |
| LA4743A CONSUMER CIRCUITS | Audio Amplifier, 28W, 4 Channel(s), 1 Func, Bipolar, PZFM25, HZIP-25 | SANYO Electric Co Ltd |
| TDA7389 CONSUMER CIRCUITS | 28W, 4 CHANNEL, AUDIO AMPLIFIER, ZFM25, ROHS COMPLIANT, FLEXIWATT-25 | STMicroelectronics |
| E-TDA7566 CONSUMER CIRCUITS | 4 x 40 W multifunction quad power amplifier with built-in diagnostics features | STMicroelectronics |
| E-TDA7385 CONSUMER CIRCUITS | 4 x 42 W quad bridge car radio amplifier | STMicroelectronics |
| TDA7564B CONSUMER CIRCUITS | 4 x 50W multifunction quad power amplifier with built-in diagnostics feature | STMicroelectronics |
| TDA7566 CONSUMER CIRCUITS | Intelligent quad BTL output with full I2C diagnostics | STMicroelectronics |
| TDA7564 CONSUMER CIRCUITS | 46W, 4 CHANNEL, AUDIO AMPLIFIER, PZFM25, FLEXIWATT-25 | STMicroelectronics |
| TDA7851F CONSUMER CIRCUITS | 4 x 48 W MOSFET quad bridge power amplifier | STMicroelectronics |
TDA7388 Alternatives
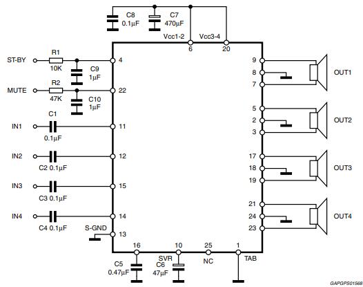
TDA7388 Standard Test and Application Circuit
TDA7388 has demonstrated the circuit below. It's a four-channel amplifier, to be precise. As a result, as shown in the diagram below, we can connect four speakers to this amplifier.

TDA7388 Standard Test and Application Circuit
The SVR capacitor controls the turn ON/OFF sequence and is utilized for ripple rejection. The minimum recommended value of an SVR capacitor for this application is 10 F. Pin 10 is used to connect SVR capacitors. There are two modes on the TDA7388: standby and silent. By connecting directly to Vs, these modes can be used immediately. In the lack of real CMOS ports and microprocessors, conventional/low-power transistors can be used to operate the Muting and Standby pins. RC cells are utilized in the circuit to smooth out transitions and prevent audio noise.
Pin 22 controls the mute function. A 10 A current will pass through this pin under normal conditions. As a result, we can connect up to 70 k of muting-series resistance (R2). This resistance is high enough to allow a muting capacitor to be as little as 1F. If this resistance is higher than the recommended amount, the voltage across pin 22 exceeds the 1.5 V threshold value, preventing the mute line from turning off.
The time constant is assigned to a stand-by pin that is slower than 2.5 V/ms in order to provide a pop-free transition.
TDA7388 Dimensions


TDA7388 Dimensions
TDA7388 Manufacturer
STMicroelectronics is a global independent semiconductor company and is a leader in developing and delivering semiconductor solutions across the spectrum of microelectronics applications. An unrivalled combination of silicon and system expertise, manufacturing strength, Intellectual Property (IP) portfolio and strategic partners positions the Company at the forefront of System-on-Chip (SoC) technology and its products play a key role in enabling today's convergence trends.
Related article:
TDA7266 Amplifier: Datasheet, Circuit, Equivalents
TDA2050 Amplifier: Datasheet, Circuit, Replacement
TDA2004 Stereo Amplifier: Circuit, Datasheet, Working and etc.
Datasheet PDF
- Datasheets :
Popularity by Region
What package is TDA7388 available in?
It is available in Flexiwatt 25 Package.
What is the function of each pin of the TDA7388 power amplifier?
1: Heat sink, ground; 2:8, 18, 24-output grounding; 7; 9-output 1; 3:5-output 2; 19: 17-output 3; 23: 21-output 4; 4:Standby control; 6:Power supply for channels 1 and 2; 20:Power supply for channels 3 and 4; 11: 12, 15, 14-input 1, 2, 3, 4 respectively; 13:input location; 10:Turn on and off to silence the popping sound; 22:mute; 25:Temperature detection; 16:Decoupling of internal voltage.
The TDA7388 allows a rail to rail output voltage swing without need for what?
Bootstrap capacitors
What makes the TDA7388 compact?
Extremely reduced boundary components count
What are the two modes on the TDA7388?
Standby and silent.
Panasonic ERJ-2RKF1002X vs Yageo 0402 Resistors19 September 2025270
LT1054 Voltage Converter and Regulator: Pinout, Applications and Datasheet03 November 20213950
AD7606 16-Bit 8-Channel ADC: Datasheet Analysis, Pinout, and Performance Review10 February 2026311
2N3906 VS 2N2222 VS 2N3904: What are the Differences?13 April 202213527
LM13700N Dual Transconductance Amplifier: Datasheet, Pinout, Alternatives and Circuit27 July 20217244
BSS138 N-Channel Transistor: Pinout, Datasheet and Equivalent14 July 20213288
2N4401 NPN Transistor: Datasheet, Pinout, and Equivalent25 August 202116408
74HC157 Quad 2-input Multiplexer: Pinout, Datasheet and Circuit08 November 202110114
Advanced IC Packaging Technology Analysis28 April 20251855
ICinsights:MCUs Will Continue to Rise in Price30 March 20225426
Apple M1 Ultra -- The Technology Behind the Chip Interconnection12 March 20226339
What are the Different Types of Fingerprint Sensors?16 December 20209250
Adopting GaN/Si MMIC in Space-based Applications14 June 20242380
Clamp Diodes: Principles, Functions, and Applications17 January 202652871
GlobalFoundries Unveils $4 Billion Expansion in Singapore to Meet Rising Chip Demand13 September 20233937
Stanford Engineer Sheds Light on Semiconductors: Their Importance, Challenges, and Future22 September 20231871
STMicroelectronics
In Stock: 42840
United States
China
Canada
Japan
Russia
Germany
United Kingdom
Singapore
Italy
Hong Kong(China)
Taiwan(China)
France
Korea
Mexico
Netherlands
Malaysia
Austria
Spain
Switzerland
Poland
Thailand
Vietnam
India
United Arab Emirates
Afghanistan
Åland Islands
Albania
Algeria
American Samoa
Andorra
Angola
Anguilla
Antigua & Barbuda
Argentina
Armenia
Aruba
Australia
Azerbaijan
Bahamas
Bahrain
Bangladesh
Barbados
Belarus
Belgium
Belize
Benin
Bermuda
Bhutan
Bolivia
Bonaire, Sint Eustatius and Saba
Bosnia & Herzegovina
Botswana
Brazil
British Indian Ocean Territory
British Virgin Islands
Brunei
Bulgaria
Burkina Faso
Burundi
Cabo Verde
Cambodia
Cameroon
Cayman Islands
Central African Republic
Chad
Chile
Christmas Island
Cocos (Keeling) Islands
Colombia
Comoros
Congo
Congo (DRC)
Cook Islands
Costa Rica
Côte d’Ivoire
Croatia
Cuba
Curaçao
Cyprus
Czechia
Denmark
Djibouti
Dominica
Dominican Republic
Ecuador
Egypt
El Salvador
Equatorial Guinea
Eritrea
Estonia
Eswatini
Ethiopia
Falkland Islands
Faroe Islands
Fiji
Finland
French Guiana
French Polynesia
Gabon
Gambia
Georgia
Ghana
Gibraltar
Greece
Greenland
Grenada
Guadeloupe
Guam
Guatemala
Guernsey
Guinea
Guinea-Bissau
Guyana
Haiti
Honduras
Hungary
Iceland
Indonesia
Iran
Iraq
Ireland
Isle of Man
Israel
Jamaica
Jersey
Jordan
Kazakhstan
Kenya
Kiribati
Kosovo
Kuwait
Kyrgyzstan
Laos
Latvia
Lebanon
Lesotho
Liberia
Libya
Liechtenstein
Lithuania
Luxembourg
Macao(China)
Madagascar
Malawi
Maldives
Mali
Malta
Marshall Islands
Martinique
Mauritania
Mauritius
Mayotte
Micronesia
Moldova
Monaco
Mongolia
Montenegro
Montserrat
Morocco
Mozambique
Myanmar
Namibia
Nauru
Nepal
New Caledonia
New Zealand
Nicaragua
Niger
Nigeria
Niue
Norfolk Island
North Korea
North Macedonia
Northern Mariana Islands
Norway
Oman
Pakistan
Palau
Palestinian Authority
Panama
Papua New Guinea
Paraguay
Peru
Philippines
Pitcairn Islands
Portugal
Puerto Rico
Qatar
Réunion
Romania
Rwanda
Samoa
San Marino
São Tomé & Príncipe
Saudi Arabia
Senegal
Serbia
Seychelles
Sierra Leone
Sint Maarten
Slovakia
Slovenia
Solomon Islands
Somalia
South Africa
South Sudan
Sri Lanka
St Helena, Ascension, Tristan da Cunha
St. Barthélemy
St. Kitts & Nevis
St. Lucia
St. Martin
St. Pierre & Miquelon
St. Vincent & Grenadines
Sudan
Suriname
Svalbard & Jan Mayen
Sweden
Syria
Tajikistan
Tanzania
Timor-Leste
Togo
Tokelau
Tonga
Trinidad & Tobago
Tunisia
Turkey
Turkmenistan
Turks & Caicos Islands
Tuvalu
U.S. Outlying Islands
U.S. Virgin Islands
Uganda
Ukraine
Uruguay
Uzbekistan
Vanuatu
Vatican City
Venezuela
Wallis & Futuna
Yemen
Zambia
Zimbabwe


Product
Brand
Articles
Tools










